BOCA RESEARCH, INC.
IO650
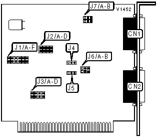
|
Card Type |
Serial Card |
|
Chipset/Controller |
Unidentified |
|
I/O Options |
Serial ports (2) |
|
Maximum DRAM |
N/A |
|
CONNECTIONS | |||
|
Purpose |
Location |
Purpose |
Location |
|
Serial port 1 |
CN1 |
Serial port 2 |
CN2 |
|
SERIAL PORT 1 CONFIGURATION | ||||
|
COM |
J7/A |
J7/B |
J4 | |
| » |
COM3 |
Pins 2 & 3 closed |
Pins 1 & 2 closed |
Pins 2 & 3 closed |
|
COM1 |
Pins 1 & 2 closed |
Pins 1 & 2 closed |
Pins 2 & 3 closed | |
|
COM2 |
Pins 1 & 2 closed |
Pins 2 & 3 closed |
Pins 2 & 3 closed | |
|
COM4 |
Pins 2 & 3 closed |
Pins 2 & 3 closed |
Pins 2 & 3 closed | |
|
Disabled |
N/A |
N/A |
Pins 1 & 2 closed | |
|
SERIAL PORT 2 CONFIGURATION | ||||
|
COM |
J6/A |
J6/B |
J5 | |
| » |
COM4 |
Pins 2 & 3 closed |
Pins 2 & 3 closed |
Pins 2 & 3 closed |
|
COM3 |
Pins 2 & 3 closed |
Pins 1 & 2 closed |
Pins 2 & 3 closed | |
|
COM1 |
Pins 1 & 2 closed |
Pins 1 & 2 closed |
Pins 2 & 3 closed | |
|
COM2 |
Pins 1 & 2 closed |
Pins 2 & 3 closed |
Pins 2 & 3 closed | |
|
Disabled |
N/A |
N/A |
Pins 1 & 2 closed | |
|
SERIAL PORT 1 INTERRUPT SELECTION | |||||
|
IRQ |
J2/A |
J2/B |
J2/C |
J2/D | |
| » |
IRQ5 |
Open |
Open |
Closed |
Open |
|
IRQ3 |
Closed |
Open |
Open |
Open | |
|
IRQ4 |
Open |
Closed |
Open |
Open | |
|
IRQ9 |
Open |
Open |
Open |
Closed | |
|
SERIAL PORT 2 INTERRUPT SELECTION | |||||
|
IRQ |
J3/A |
J3/B |
J3/C |
J3/D | |
| » |
IRQ9 |
Open |
Open |
Open |
Closed |
|
IRQ3 |
Closed |
Open |
Open |
Open | |
|
IRQ4 |
Open |
Closed |
Open |
Open | |
|
IRQ5 |
Open |
Open |
Closed |
Open | |
|
SERIAL PORT I/O ADDRESS SELECTION/CLOCK SET | |||||||
|
Address Pair |
J1/A |
J1/B |
J1/C |
J1/D |
J1/E |
J1/F | |
| » |
2C0h, 2C8h |
Closed |
Closed |
Open |
Open |
Open |
Open |
|
2D0h, 2D8h |
Open |
Open |
Closed |
Closed |
Open |
Open | |
|
3C0h, 3C8h |
Open |
Open |
Open |
Open |
Closed |
Closed | |