DATA TECHNOLOGY CORPORATION
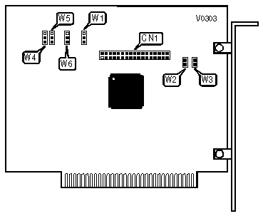
DTC5110
|
Card Type |
Floppy drive controller |
|
Chipset/Controller |
DTC403 |
|
I/O Options |
Floppy drive interface |
|
Maximum DRAM |
N/A |
|
CONNECTIONS | |
|
Purpose |
Location |
|
Floppy drive interface |
CN1 |
|
I/O ADDRESS CONFIGURATION | |||
|
Port |
Address |
W1 | |
| » |
Primary |
3F2h - 3F7h |
Pins 1 & 2 closed |
|
Secondary |
372h - 377h |
Pins 2 & 3 closed | |
|
FLOPPY DRIVE DATA RATE | |||
|
Data Rate (KB/s) |
Precompensation |
W2 | |
| » |
500 |
125 |
Closed |
|
300 |
208 |
Open | |
|
250 |
250 |
Open | |
|
Note: Leaving W2 open enables data-rate-dependent write precompensation. | |||
|
FLOPPY DRIVE SPEED SELECT | |
|
Speed setting |
W3 |
|
Single |
Open |
|
Dual |
Closed |
|
FLOPPY DRIVE POLARITY CONFIGURATION | ||
|
Mode |
W4, W5, and W6 | |
| » |
Standard logic |
Pins 1 & 2 for high density media, 2 & 3 for low |
|
Reverse logic (for PS-2-type systems) |
Pins 2 & 3 for high density media, 1 & 2 for low | |
|
Note: These jumpers are not needed for ANSI-type drives. | ||