DIGI INTERNATIONAL, INC.
MC/4I, MC/8I (PART NO. 30001224)
|
Card Type |
Serial |
|
Processor |
80C186 |
|
Processor Speed |
Unidentified |
|
Chipset |
Unidentified |
|
Maximum Onboard Memory |
256KB dual-ported RAM |
|
I/O Options |
Serial ports (4 for MC/4i, 8 for MC/8i) |
|
Data Bus |
MCA |
|
Card Size |
Full height, full length |
|
CONNECTIONS | |||
|
Function |
Label |
Function |
Label |
|
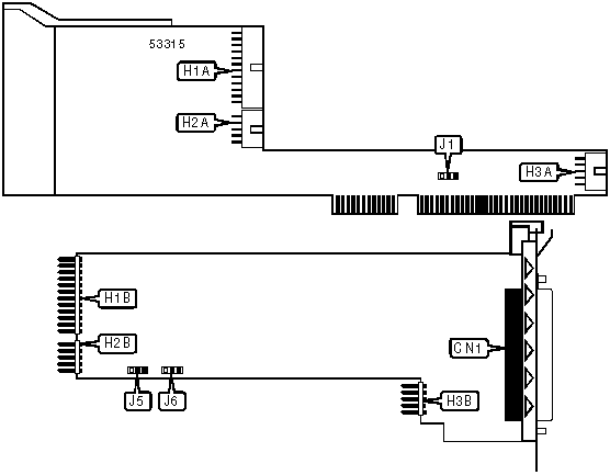
RS-232, RS-422, or RS-485 serial ports via DB-78 connector |
CN1 |
Header to H2A |
H2B |
|
Header to H1B |
H1A |
Header to H3B |
H3A |
|
Header to H1A |
H1B |
Header to H3A |
H3B |
|
Header to H2B |
H2A | ||
|
Note:Standard serial ports are provided on an included adapter cable. The types of serial ports provided are configured at the factory and are not user-configurable. | |||
|
USER CONFIGURABLE SETTINGS | |||
|
Setting |
Label |
Position | |
| » |
Shared memory window is 32KB |
J1 |
Pins 2 & 3 closed |
|
Shared memory window is 128KB |
J1 |
Pins 1 & 2 closed | |
|
EPROM SIZE SELECTION | ||
|
Setting |
J5 |
J6 |
|
16KB |
Pins 1 & 2 closed |
Pins 1 & 2 closed |
|
32KB |
Pins 1 & 2 closed |
Pins 1 & 2 closed |
|
64KB |
Pins 1 & 2 closed |
Pins 2 & 3 closed |
|
128KB |
Pins 2 & 3 closed |
Pins 2 & 3 closed |
|
Note:On RS-422 versions of this board, the jumpers are labeled J3 and J4, respectively. | ||