CHASE RESEARCH, INC.
CHASE IOXTRA
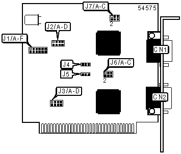
|
Card Type |
Serial card |
|
Chip Set |
Unidentified |
|
I/O Options |
Serial ports (2) |
|
Card Size |
Half-length, full-height |
|
Data Bus |
8-bit ISA |
|
CONNECTIONS | |||
|
Function |
Label |
Function |
Label |
|
Serial port A |
CN1 |
Serial port B |
CN2 |
|
USER CONFIGURABLE SETTINGS | ||
|
Function |
Label |
Position |
|
Serial port A enabled |
J4 |
Pins 2 & 3 closed |
|
Serial port A disabled |
J4 |
Pins 1 & 2 closed |
|
Serial port B enabled |
J5 |
Pins 2 & 3 closed |
|
Serial port B disabled |
J5 |
Pins 1 & 2 closed |
|
CLOCK SET | ||||||
|
Clock |
J1/A |
J1/B |
J1/C |
J1/D |
J1/E |
J1/F |
|
2C0 |
Closed |
Open |
Open |
Open |
Open |
Open |
|
2C8 |
Open |
Closed |
Open |
Open |
Open |
Open |
|
2D0 |
Open |
Open |
Closed |
Open |
Open |
Open |
|
2D8 |
Open |
Open |
Open |
Closed |
Open |
Open |
|
3C0 |
Open |
Open |
Open |
Open |
Closed |
Open |
|
3C8 |
Open |
Open |
Open |
Open |
Open |
Closed |
|
SERIAL PORT A ADDRESS SELECTION | |
|
Setting |
J7 |
|
COM1 |
Pins 1 & 3, 2 & 4 closed |
|
COM3 |
Pins 1 & 3, 4 & 6 closed |
|
SERIAL PORT B ADDRESS SELECTION | |
|
Setting |
J6 |
|
COM2 |
Pins 3 & 5, 2 & 4 closed |
|
COM4 |
Pins 3 & 5, 4 & 6 closed |
|
SERIAL PORT A INTERRUPT SETTINGS | ||||
|
IRQ |
J2/A |
J2/B |
J2/C |
J2/D |
|
3 |
Closed |
Open |
Open |
Open |
|
4 |
Open |
Closed |
Open |
Open |
|
5 |
Open |
Open |
Closed |
Open |
|
9 |
Open |
Open |
Open |
Closed |
|
SERIAL PORT B INTERRUPT SETTINGS | ||||
|
IRQ |
J3/A |
J3/B |
J3/C |
J3/D |
|
3 |
Closed |
Open |
Open |
Open |
|
4 |
Open |
Closed |
Open |
Open |
|
5 |
Open |
Open |
Closed |
Open |
|
9 |
Open |
Open |
Open |
Closed |