KOUWELL ELECTRONIC CORPORATION
KW-524E
|
Card Type |
Multi I/O card |
|
Chipset/Controller |
Krueger company |
|
I/O Options |
Game port, parallel port, serial ports (2) |
|
Maximum DRAM |
N/A |
|
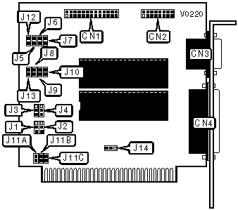
CONNECTIONS | |||
|
Purpose |
Location |
Purpose |
Location |
|
Serial port 2 |
CN1 |
Serial port 1 |
CN3 |
|
Game port |
CN2 |
Parallel port |
CN4 |
|
SERIAL PORT CONFIGURATION | |||||
|
Port 1 (CN3) |
J5 |
J6 |
J7 |
J12 | |
| » |
COM1 |
Open |
Closed |
Open |
Open |
|
COM2 |
Open |
Open |
Closed |
Open | |
|
COM3 |
Closed |
Open |
Open |
Open | |
|
COM4 |
Open |
Open |
Open |
Closed | |
|
Disabled |
Open |
Open |
Open |
Open | |
|
SERIAL PORT CONFIGURATION | |||||
|
Port 2 (CN1) |
J8 |
J9 |
J10 |
J13 | |
| » |
COM2 |
Closed |
Open |
Open |
Open |
|
COM1 |
Open |
Closed |
Open |
Open | |
|
COM4 |
Open |
Open |
Closed |
Open | |
|
COM3 |
Open |
Open |
Open |
Closed | |
|
Disabled |
Open |
Open |
Open |
Open | |
|
SERIAL PORT INTERRUPT SELECT | ||||||
|
Port 1 (CN3) |
Port 2 (CN1) |
J1 |
J2 |
J3 |
J4 | |
| » |
IRQ4 |
IRQ3 |
Pins 1 & 2 |
Pins 2 & 3 |
Pins 1 & 2 |
Pins 2 & 3 |
|
IRQ5 |
IRQ2 |
Pins 2 & 3 |
Pins 1 & 2 |
Pins 2 & 3 |
Pins 1 & 2 | |
|
PARALLEL PORT CONFIGURATION | ||||
|
LPT |
J11A |
J11B |
J11C | |
| » |
1 |
Open |
Open |
Closed |
|
2 |
Open |
Closed |
Open | |
|
3 |
Closed |
Open |
Open | |
|
PARALLEL PORT CONFIGURATION | ||
|
IRQ |
J14 | |
| » |
7 |
Pins 1 & 2 closed |
|
5 |
Pins 2 & 3 closed | |