UNIDENTIFIED
RS-232 CARD
|
Card Type |
Serial card |
|
Chipset/Controller |
Unknown |
|
I/O Options |
Serial ports (2) |
|
Maximum DRAM |
N/A |
|
CONNECTIONS | |||
|
Purpose |
Location |
Purpose |
Location |
|
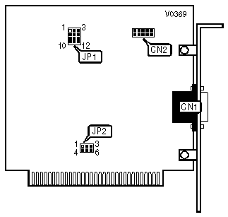
Serial port 1 |
CN1 |
Serial port 2 |
CN2 |
|
SERIAL PORT CONFIGURATION | |||
|
Port 1 (CN1) |
Port 2 (CN2) |
JP1 | |
| » |
COM1 |
COM2 |
Pins 2 & 3, 4 & 5 closed |
|
COM1 |
COM3 |
Pins 2 & 3, 7 & 8 closed | |
|
COM1 |
COM4 |
Pins 2 & 3, 10 & 11 closed | |
|
COM2 |
COM1 |
Pins 1 & 2, 5 & 6 closed | |
|
COM2 |
COM3 |
Pins 5 & 6, 7 & 8 closed | |
|
COM2 |
COM4 |
Pins 5 & 6, 10 & 11 closed | |
|
COM3 |
COM1 |
Pins 1 & 2, 8 & 9 closed | |
|
COM3 |
COM2 |
Pins 4 & 5, 8 & 9 closed | |
|
COM3 |
COM4 |
Pins 8 & 9, 10 & 11 closed | |
|
COM4 |
COM1 |
Pins 1 & 2, 11 & 12 closed | |
|
COM4 |
COM2 |
Pins 4 & 5, 11 & 12 closed | |
|
COM4 |
COM3 |
Pins 7 & 8, 11 & 12 closed | |
|
SERIAL PORT INTERRUPT SELECT | |||
|
Port 1 (CN1) |
Port 2 (CN2) |
JP2 | |
| » |
IRQ4 |
IRQ3 |
Pins 2 & 3, 4 & 5 closed |
|
IRQ3 |
IRQ4 |
Pins 1 & 2, 5 & 6 closed | |