IBM CORPORATION
NETFINITY 7000 (TYPE 8651) MODEL RHO, RMO, TMO, THO
|
Processor |
Pentium Pro |
|
Processor Speed |
200MHz |
|
Chip Set |
Unidentified |
|
Video Chip Set |
Cirrus Logic |
|
Maximum Onboard Memory |
4GB |
|
Maximum Video Memory |
1MB |
|
Cache |
512/1024KB (located on Pentium Pro CPU) |
|
BIOS |
Unidentified |
|
Dimensions |
355mm x 304mm |
|
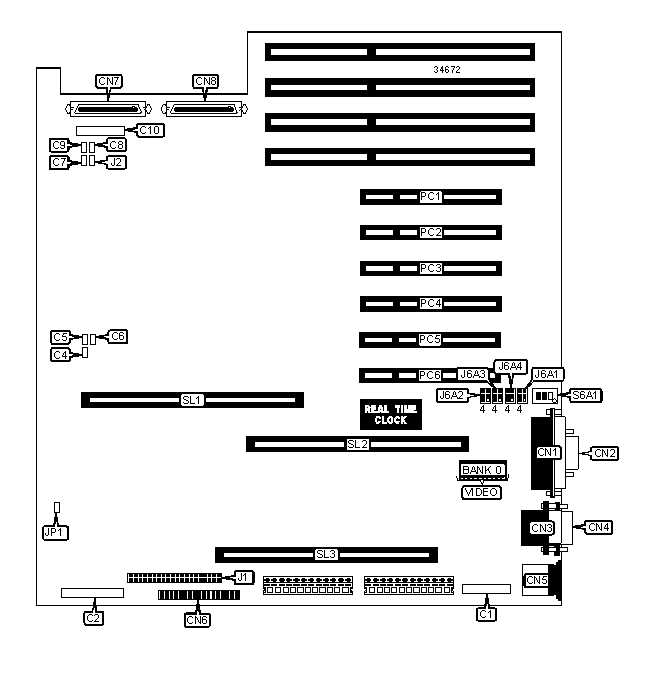
I/O Options |
32-bit PCI slots (6), floppy drive interface, IDE interface, Ultra Wide SCSI interfaces (2), parallel port, PS/2 mouse port, serial ports (2), VGA port, riser slots (2), memory slot |
|
NPU Options |
None |
|
CONNECTIONS | |||
|
Purpose |
Location |
Purpose |
Location |
|
Power control connector |
C1 |
Serial port |
CN4 |
|
Front panel connector |
C2 |
PS/2 mouse port |
CN5 |
|
Chassis fan power |
C4 |
Floppy drive interface |
CN6 |
|
Chassis fan power |
C5 |
Ultra Wide SCSI interface |
CN7 |
|
SCSI interface LED |
C6 |
Ultra Wide SCSI interface |
CN8 |
|
Chassis fan power |
C8 |
IDE interface |
J1 |
|
Chassis fan power |
C9 |
32-bit PCI slots |
PC1 – PC6 |
|
SCSI interface LED |
C10 |
CPU slot (primary) |
SL1 |
|
Parallel port |
CN1 |
CPU slot (secondary) |
SL2 |
|
VGA port |
CN2 |
Memory slot |
SL3 |
|
Serial port |
CN3 | ||
|
USER CONFIGURABLE SETTINGS | |||
|
Function |
Label |
Position | |
|
» |
Factory configured - do not alter |
C7 |
Unidentified |
|
» |
Factory configured - do not alter |
J2 |
Unidentified |
|
» |
Flash BIOS normal operation |
J6A1 |
Pins 1 & 2 closed |
|
Flash BIOS recovery mode |
J6A1 |
Pins 2 & 3 closed | |
|
» |
BIOS boot block write protected |
J6A1 |
Pins 4 & 5 closed |
|
|
BIOS boot block write programmable |
J6A1 |
Pins 5 & 6 closed |
|
» |
Video sleep register select 03C3H |
J6A2 |
Pins 4 & 5 closed |
|
Video sleep register select 46E8H |
J6A2 |
Pins 5 & 6 closed | |
|
» |
Factory configured - do not alter |
J6A3 |
Unidentified |
|
» |
Flash BIOS update disabled |
J6A4 |
Pins 1 & 2 closed |
|
Flash BIOS update enabled |
J6A4 |
Pins 2 & 3 closed | |
|
» |
Factory configured - do not alter |
JP1 |
Unidentified |
|
» |
CMOS memory normal operation |
S6A1/1 |
Off |
|
CMOS memory clear |
S6A1/1 |
On | |
|
» |
Password normal operation |
S6A1/2 |
Off |
|
Password clear |
S6A1/2 |
On | |
|
» |
Factory configured - do not alter |
S6A1/3 |
Off |
|
DIMM CONFIGURATION | |||||||||||||||||||
|
Size |
Bank 0 |
Bank 1 |
Bank 2 |
Bank 3 | |||||||||||||||
|
256MB |
(4) 8M x 64 |
None |
None |
None | |||||||||||||||
|
512MB |
(4) 16M x 64 |
None |
None |
None | |||||||||||||||
|
512MB |
(4) 8M x 64 |
(4) 8M x 64 |
None |
None | |||||||||||||||
|
768MB |
(4) 16M x 64 |
(4) 8M x 64 |
None |
None | |||||||||||||||
|
768MB |
(4) 8M x 64 |
(4) 8M x 64 |
(4) 8M x 64 |
None | |||||||||||||||
|
1024MB |
(4) 16M x 64 |
(4) 8M x 64 |
(4) 8M x 64 |
None | |||||||||||||||
|
1024MB |
(4) 32M x 64 |
None |
None |
None | |||||||||||||||
|
1024MB |
(4) 8M x 64 |
(4) 8M x 64 |
(4) 8M x 64 |
(4) 8M x 64 | |||||||||||||||
|
1024MB |
(4) 16M x 64 |
(4) 16M x 64 |
None |
None | |||||||||||||||
|
1280MB |
(4) 16M x 64 |
(4) 8M x 64 |
(4) 8M x 64 |
(4) 8M x 64 | |||||||||||||||
|
1280MB |
(4) 32M x 64 |
(4) 8M x 64 |
None |
None | |||||||||||||||
|
1536MB |
(4) 32M x 64 |
(4) 16M x 64 |
None |
None | |||||||||||||||
|
1536MB |
(4) 32M x 64 |
(4) 8M x 64 |
(4) 8M x 64 |
None | |||||||||||||||
|
1536MB |
(4) 16M x 64 |
(4) 16M x 64 |
(4) 16M x 64 |
None | |||||||||||||||
|
1792MB |
(4) 32M x 64 |
(4) 8M x 64 |
(4) 8M x 64 |
(4) 8M x 64 | |||||||||||||||
|
2048MB |
(4) 32M x 64 |
(4) 16M x 64 |
(4) 16M x 64 |
None | |||||||||||||||
|
2048MB |
(4) 16M x 64 |
(4) 16M x 64 |
(4) 16M x 64 |
(4) 16M x 64 | |||||||||||||||
|
2048MB |
(4) 32M x 64 |
(4) 32M x 64 |
None |
None | |||||||||||||||
|
2560MB |
(4) 32M x 64 |
(4) 16M x 64 |
(4) 16M x 64 |
(4) 16M x 64 | |||||||||||||||
|
3072MB |
(4) 32M x 64 |
(4) 32M x 64 |
(4) 32M x 64 |
None | |||||||||||||||
|
4096MB |
(4) 32M x 64 |
(4) 32M x 64 |
(4) 32M x 64 |
(4) 32M x 64 | |||||||||||||||
|
Note: The memory is installed on a memory card. | |||||||||||||||||||
|
VIDEO MEMORY CONFIGURATION | |
|
Size |
Bank 0 |
|
512KB |
512KB |
|
1MB |
1MB |
|
Note: The size of the video memory is unidentified. | |
|
CONNECTIONS | |||
|
Purpose |
Location |
Purpose |
Location |
|
Chassis fan power |
JC |
Fail harness connector |
JJ |
|
Chassis fan power |
JD | ||
|
USER CONFIGURABLE SETTINGS | |||
|
Function |
Label |
Position | |
|
» |
Factory configured - do not alter |
JA |
Pins 1 & 2 closed |
|
» |
Factory configured - do not alter |
JB |
Pins 1 & 2 closed |
|
» |
Factory configured - do not alter |
JE |
Unidentified |
|
» |
Factory configured - do not alter |
JF |
Unidentified |
|
» |
Factory configured - do not alter |
JG/pins 1 & 2 |
Closed |
|
» |
Factory configured - do not alter |
JG/pins 3 & 4 |
Open |
|
» |
Factory configured - do not alter |
JG/pins 5 & 6 |
Closed |
|
» |
Factory configured - do not alter |
JG/pins 7 & 8 |
Closed |
|
» |
Factory configured - do not alter |
JG/pins 9 & 10 |
Unidentified |
|
» |
Factory configured - do not alter |
JG/pins 11 & 12 |
Unidentified |
|
CACHE CONFIGURATION |
|
Note: 512/1024KB cache is located on the Pentium Pro CPU. |
|
CACHE JUMPER CONFIGURATION | |
|
Size |
JH |
|
512KB |
Pins 1 & 2, 3 & 4 closed |
|
1024KB |
Pins 5 & 6, 7 & 8 closed |