LUCKY STAR TECHNOLOGY CO., LTD.
5AMVP3
|
Device Type |
Mainboard |
|
Processor |
CX 6X86/CX 6X86L/CX 686MX/CX M II/AM K5/AM K6/ AM K6-2/Pentium/Pentium MMX |
|
Processor Speed |
90/100/120/133/150/166/180/200/233/250/266/300MHz |
|
Chip Set |
VIA MVP3 |
|
Video Chip Set |
None |
|
Maximum Onboard Memory |
768MB (EDO & SDRAM supported) |
|
Maximum Video Memory |
None |
|
Cache |
512/1024KB |
|
BIOS |
Award |
|
Dimensions |
305mm x 210mm |
|
I/O Options |
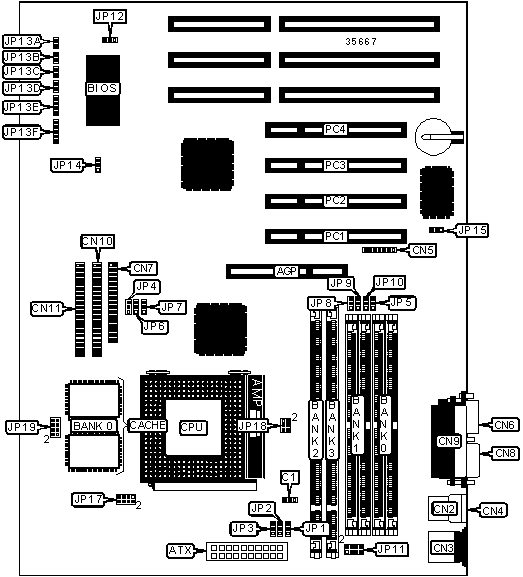
32-bit PCI slots (4), floppy drive interface, IDE interfaces (2), parallel port, PS/2 mouse port, serial ports (2), IR connector, USB connectors (2), ATX power connector, AGP slot |
|
CONNECTIONS | |||
|
Purpose |
Location |
Purpose |
Location |
|
AGP slot |
AGP |
IDE interface 1 |
CN10 |
|
ATX power connector |
ATX |
IDE interface 2 |
CN11 |
|
CPU fan power |
C1 |
IDE interface LED |
JP13A |
|
USB connector 1 |
CN2 |
Soft off power supply |
JP13B |
|
PS/2 mouse port |
CN3 |
Turbo LED |
JP13C |
|
USB connector 2 |
CN4 |
Reset switch |
JP13D |
|
IR connector |
CN5 |
Speaker |
JP13E |
|
Serial port 2 |
CN6 |
Power LED & keylock |
JP13F |
|
Floppy drive interface |
CN7 |
Wake on LAN connector |
JP15 |
|
Serial port 1 |
CN8 |
32-bit PCI slots |
PC1 – PC4 |
|
Parallel port |
CN9 | ||
|
USER CONFIGURABLE SETTINGS | |||
|
Function |
Label |
Position | |
|
Flash BIOS voltage select 12v |
JP12 |
Pins 2 & 3 closed | |
|
Flash BIOS voltage select 5v |
JP12 |
Pins 1 & 2 closed | |
|
» |
CMOS memory normal operation |
JP14 |
Pins 1 & 2 closed |
|
CMOS memory clear |
JP14 |
Pins 2 & 3 closed | |
|
DIMM CONFIGURATION | ||
|
Size |
Bank 2 |
Bank 3 |
|
8MB |
(1) 1M x 64 |
None |
|
16MB |
(1) 2M x 64 |
None |
|
16MB |
(1) 1M x 64 |
(1) 1M x 64 |
|
24MB |
(1) 2M x 64 |
(1) 1M x 64 |
|
32MB |
(1) 4M x 64 |
None |
|
32MB |
(1) 2M x 64 |
(1) 2M x 64 |
|
40MB |
(1) 4M x 64 |
(1) 1M x 64 |
|
48MB |
(1) 4M x 64 |
(1) 2M x 64 |
|
64MB |
(1) 8M x 64 |
None |
|
64MB |
(1) 4M x 64 |
(1) 4M x 64 |
|
72MB |
(1) 8M x 64 |
(1) 1M x 64 |
|
80MB |
(1) 8M x 64 |
(1) 2M x 64 |
|
96MB |
(1) 8M x 64 |
(1) 4M x 64 |
|
DIMM CONFIGURATION (CON’T) | ||
|
Size |
Bank 2 |
Bank 3 |
|
128MB |
(1) 16M x 64 |
None |
|
128MB |
(1) 8M x 64 |
(1) 8M x 64 |
|
144MB |
(1) 16M x 64 |
(1) 2M x 64 |
|
160MB |
(1) 16M x 64 |
(1) 4M x 64 |
|
192MB |
(1) 16M x 64 |
(1) 8M x 64 |
|
256MB |
(1) 32M x 64 |
None |
|
256MB |
(1) 16M x 64 |
(1) 16M x 64 |
|
Note: Board accepts SDRAM memory. | ||
|
SIMM CONFIGURATION | ||
|
Size |
Bank 0 |
Bank 1 |
|
8MB |
(2) 1M x 36 |
None |
|
16MB |
(2) 2M x 36 |
None |
|
16MB |
(2) 1M x 36 |
(2) 1M x 36 |
|
24MB |
(2) 2M x 36 |
(2) 1M x 36 |
|
32MB |
(2) 4M x 36 |
None |
|
32MB |
(2) 2M x 36 |
(2) 2M x 36 |
|
40MB |
(2) 4M x 36 |
(2) 1M x 36 |
|
48MB |
(2) 4M x 36 |
(2) 2M x 36 |
|
36MB |
(2) 8M x 36 |
None |
|
36MB |
(2) 4M x 36 |
(2) 4M x 36 |
|
72MB |
(2) 8M x 36 |
(2) 1M x 36 |
|
80MB |
(2) 8M x 36 |
(2) 2M x 36 |
|
96MB |
(2) 8M x 36 |
(2) 4M x 36 |
|
128MB |
(2) 8M x 36 |
(2) 8M x 36 |
|
128MB |
(2) 16M x 36 |
None |
|
136MB |
(2) 16M x 36 |
(2) 1M x 36 |
|
144MB |
(2) 16M x 36 |
(2) 2M x 36 |
|
160MB |
(2) 16M x 36 |
(2) 4M x 36 |
|
192MB |
(2) 16M x 36 |
(2) 8M x 36 |
|
256MB |
(2) 16M x 36 |
(2) 16M x 36 |
|
256MB |
(2) 32M x 36 |
None |
|
236MB |
(2) 32M x 36 |
(2) 1M x 36 |
|
272MB |
(2) 32M x 36 |
(2) 2M x 36 |
|
288MB |
(2) 32M x 36 |
(2) 4M x 36 |
|
320MB |
(2) 32M x 36 |
(2) 8M x 36 |
|
384MB |
(2) 32M x 36 |
(2) 16M x 36 |
|
512MB |
(2) 32M x 36 |
(2) 32M x 36 |
|
Note: Board accepts EDO memory. | ||
|
DIMM FREQUENCY CONFIGURATION | ||
|
Frequency |
JP4 |
JP5 |
|
Same as CPU clock |
Pins 2 & 3 closed |
Pins 1 & 2 closed |
|
66MHz |
Pins 1 & 2 closed |
Pins 2 & 3 closed |
|
DIMM VOLTAGE CONFIGURATION | |
|
Voltage |
JP11 |
|
3.3v |
Pins 1 & 2, 3 & 4 closed |
|
5v |
Pins 5 & 6, 7 & 8 closed |
|
CACHE CONFIGURATION | |
|
Size |
Bank 0 |
|
512KB |
(2) 36K x 32 |
|
1MB |
(2) 128 x 32 |
|
CPU SPEED SELECTION (CX 6X86) | ||||||||
|
CPU speed |
Clock speed |
Multiplier |
JP1 |
JP2 |
JP3 |
JP6 |
JP7 |
JP8 |
|
150MHz |
60MHz |
2x |
2 & 3 |
1 & 2 |
1 & 2 |
2 & 3 |
2 & 3 |
2 & 3 |
|
166MHz |
66MHz |
2x |
2 & 3 |
1 & 2 |
1 & 2 |
2 & 3 |
2 & 3 |
1 & 2 |
|
Note: Pins designated should be in the closed position. | ||||||||
|
CPU SPEED SELECTION (CX 6X86, CON’T) | |||||
|
CPU speed |
Clock speed |
Multiplier |
JP9 |
JP10 |
JP18 |
|
150MHz |
60MHz |
2x |
1 & 2 |
1 & 2 |
Open |
|
166MHz |
66MHz |
2x |
1 & 2 |
1 & 2 |
Open |
|
Note: Pins designated should be in the closed position. | |||||
|
CPU SPEED SELECTION (CX 6X86L) | ||||||||
|
CPU speed |
Clock speed |
Multiplier |
JP1 |
JP2 |
JP3 |
JP6 |
JP7 |
JP8 |
|
150MHz |
60MHz |
2x |
2 & 3 |
1 & 2 |
1 & 2 |
2 & 3 |
2 & 3 |
2 & 3 |
|
166MHz |
66MHz |
2x |
2 & 3 |
1 & 2 |
1 & 2 |
2 & 3 |
2 & 3 |
1 & 2 |
|
200MHz |
75MHz |
2x |
2 & 3 |
1 & 2 |
1 & 2 |
2 & 3 |
2 & 3 |
1 & 2 |
|
Note: Pins designated should be in the closed position. | ||||||||
|
CPU SPEED SELECTION (CX 6X86L, CON’T) | |||||
|
CPU speed |
Clock speed |
Multiplier |
JP9 |
JP10 |
JP18 |
|
150MHz |
60MHz |
2x |
1 & 2 |
1 & 2 |
1 & 2, 3 & 4, 5 & 6 |
|
166MHz |
66MHz |
2x |
1 & 2 |
1 & 2 |
1 & 2, 3 & 4, 5 & 6 |
|
200MHz |
75MHz |
2x |
2 & 3 |
1 & 2 |
1 & 2, 3 & 4, 5 & 6 |
|
Note: Pins designated should be in the closed position. | |||||
|
CPU SPEED SELECTION (CX 6X86MX) | ||||||||
|
CPU speed |
Clock speed |
Multiplier |
JP1 |
JP2 |
JP3 |
JP6 |
JP7 |
JP8 |
|
166MHz |
66MHz |
2x |
2 & 3 |
1 & 2 |
1 & 2 |
2 & 3 |
2 & 3 |
1 & 2 |
|
166MHz |
60MHz |
2.5x |
2 & 3 |
2 & 3 |
1 & 2 |
2 & 3 |
2 & 3 |
2 & 3 |
|
200MHz |
75MHz |
2x |
2 & 3 |
1 & 2 |
1 & 2 |
2 & 3 |
2 & 3 |
1 & 2 |
|
233MHz |
75MHz |
2.5x |
2 & 3 |
2 & 3 |
1 & 2 |
2 & 3 |
2 & 3 |
1 & 2 |
|
266MHz |
83MHz |
2.5x |
2 & 3 |
2 & 3 |
1 & 2 |
1 & 2 |
2 & 3 |
2 & 3 |
|
Note: Pins designated should be in the closed position. | ||||||||
|
CPU SPEED SELECTION (CX 6X86MX, CON’T) | |||||
|
CPU speed |
Clock speed |
Multiplier |
JP9 |
JP10 |
JP18 |
|
166MHz |
66MHz |
2x |
1 & 2 |
1 & 2 |
1 & 2, 3 & 4, 5 & 6 |
|
166MHz |
60MHz |
2.5x |
1 & 2 |
1 & 2 |
1 & 2, 3 & 4, 5 & 6 |
|
200MHz |
75MHz |
2x |
2 & 3 |
1 & 2 |
1 & 2, 3 & 4, 5 & 6 |
|
233MHz |
75MHz |
2.5x |
2 & 3 |
1 & 2 |
1 & 2, 3 & 4, 5 & 6 |
|
266MHz |
83MHz |
2.5x |
2 & 3 |
1 & 2 |
1 & 2, 3 & 4, 5 & 6 |
|
Note: Pins designated should be in the closed position. | |||||
|
CPU SPEED SELECTION (CX M II) | ||||||||
|
CPU speed |
Clock speed |
Multiplier |
JP1 |
JP2 |
JP3 |
JP6 |
JP7 |
JP8 |
|
300MHz |
66MHz |
3.5x |
1 & 2 |
1 & 2 |
1 & 2 |
2 & 3 |
2 & 3 |
1 & 2 |
|
Note: Pins designated should be in the closed position. | ||||||||
|
CPU SPEED SELECTION (CX M II, CON’T) | |||||
|
CPU speed |
Clock speed |
Multiplier |
JP9 |
JP10 |
JP18 |
|
300MHz |
66MHz |
3.5x |
1 & 2 |
1 & 2 |
1 & 2, 3 & 4, 5 & 6 |
|
Note: Pins designated should be in the closed position. | |||||
|
CPU SPEED SELECTION (AM K5) | ||||||||
|
CPU speed |
Clock speed |
Multiplier |
JP1 |
JP2 |
JP3 |
JP6 |
JP7 |
JP8 |
|
90MHz |
60MHz |
1.5x |
1 & 2 |
1 & 2 |
1 & 2 |
2 & 3 |
2 & 3 |
2 & 3 |
|
100MHz |
66MHz |
1.5x |
1 & 2 |
1 & 2 |
1 & 2 |
2 & 3 |
2 & 3 |
1 & 2 |
|
120MHz |
60MHz |
1.5x |
1 & 2 |
1 & 2 |
1 & 2 |
2 & 3 |
2 & 3 |
2 & 3 |
|
133MHz |
66MHz |
1.5x |
1 & 2 |
1 & 2 |
1 & 2 |
2 & 3 |
2 & 3 |
1 & 2 |
|
166MHz |
66MHz |
2.5x |
2 & 3 |
2 & 3 |
1 & 2 |
2 & 3 |
2 & 3 |
1 & 2 |
|
Note: Pins designated should be in the closed position. | ||||||||
|
CPU SPEED SELECTION (AM K5, CON’T) | |||||
|
CPU speed |
Clock speed |
Multiplier |
JP9 |
JP10 |
JP18 |
|
90MHz |
60MHz |
1.5x |
1 & 2 |
1 & 2 |
Open |
|
100MHz |
66MHz |
1.5x |
1 & 2 |
1 & 2 |
Open |
|
120MHz |
60MHz |
1.5x |
1 & 2 |
1 & 2 |
Open |
|
133MHz |
66MHz |
1.5x |
1 & 2 |
1 & 2 |
Open |
|
166MHz |
66MHz |
2.5x |
1 & 2 |
1 & 2 |
Open |
|
Note: Pins designated should be in the closed position. | |||||
|
CPU SPEED SELECTION (AM K6) | ||||||||
|
CPU speed |
Clock speed |
Multiplier |
JP1 |
JP2 |
JP3 |
JP6 |
JP7 |
JP8 |
|
166MHz |
66MHz |
2.5x |
2 & 3 |
2 & 3 |
1 & 2 |
2 & 3 |
2 & 3 |
1 & 2 |
|
200MHz |
66MHz |
3x |
1 & 2 |
2 & 3 |
1 & 2 |
2 & 3 |
2 & 3 |
1 & 2 |
|
233MHz |
66MHz |
3.5x |
1 & 2 |
1 & 2 |
1 & 2 |
2 & 3 |
2 & 3 |
1 & 2 |
|
266MHz |
66MHz |
4x |
2 & 3 |
1 & 2 |
2 & 3 |
2 & 3 |
2 & 3 |
1 & 2 |
|
300MHz |
66MHz |
4.5x |
2 & 3 |
2 & 3 |
2 & 3 |
2 & 3 |
2 & 3 |
1 & 2 |
|
Note: Pins designated should be in the closed position. | ||||||||
|
CPU SPEED SELECTION (AM K6, CON’T) | |||||
|
CPU speed |
Clock speed |
Multiplier |
JP9 |
JP10 |
JP18 |
|
166MHz |
66MHz |
2.5x |
1 & 2 |
1 & 2 |
1 & 2, 3 & 4, 5 & 6 |
|
200MHz |
66MHz |
3x |
1 & 2 |
1 & 2 |
1 & 2, 3 & 4, 5 & 6 |
|
233MHz |
66MHz |
3.5x |
1 & 2 |
1 & 2 |
1 & 2, 3 & 4, 5 & 6 |
|
266MHz |
66MHz |
4x |
1 & 2 |
1 & 2 |
1 & 2, 3 & 4, 5 & 6 |
|
300MHz |
66MHz |
4.5x |
1 & 2 |
1 & 2 |
1 & 2, 3 & 4, 5 & 6 |
|
Note: Pins designated should be in the closed position. | |||||
|
CPU SPEED SELECTION (AM K6-2) | ||||||||
|
CPU speed |
Clock speed |
Multiplier |
JP1 |
JP2 |
JP3 |
JP6 |
JP7 |
JP8 |
|
250MHz |
100MHz |
2.5x |
2 & 3 |
2 & 3 |
1 & 2 |
1 & 2 |
2 & 3 |
1 & 2 |
|
266MHz |
66MHz |
4x |
2 & 3 |
1 & 2 |
2 & 3 |
2 & 3 |
2 & 3 |
1 & 2 |
|
300MHz |
100MHz |
3x |
1 & 2 |
2 & 3 |
1 & 2 |
1 & 2 |
2 & 3 |
1 & 2 |
|
Note: Pins designated should be in the closed position. | ||||||||
|
CPU SPEED SELECTION (AM K6-2, CON’T) | |||||
|
CPU speed |
Clock speed |
Multiplier |
JP9 |
JP10 |
JP18 |
|
250MHz |
100MHz |
2.5x |
1 & 2 |
2 & 3 |
1 & 2, 3 & 4, 5 & 6 |
|
266MHz |
66MHz |
4x |
1 & 2 |
1 & 2 |
1 & 2, 3 & 4, 5 & 6 |
|
300MHz |
100MHz |
3x |
1 & 2 |
2 & 3 |
1 & 2, 3 & 4, 5 & 6 |
|
Note: Pins designated should be in the closed position. | |||||
|
CPU SPEED SELECTION (INTEL) | ||||||||
|
CPU speed |
Clock speed |
Multiplier |
JP1 |
JP2 |
JP3 |
JP6 |
JP7 |
JP8 |
|
90MHz |
60MHz |
1.5x |
1 & 2 |
1 & 2 |
1 & 2 |
2 & 3 |
2 & 3 |
2 & 3 |
|
100MHz |
66MHz |
1.5x |
1 & 2 |
1 & 2 |
1 & 2 |
2 & 3 |
2 & 3 |
1 & 2 |
|
120MHz |
60MHz |
2x |
2 & 3 |
1 & 2 |
1 & 2 |
2 & 3 |
2 & 3 |
2 & 3 |
|
133MHz |
66MHz |
2x |
2 & 3 |
1 & 2 |
1 & 2 |
2 & 3 |
2 & 3 |
1 & 2 |
|
150MHz |
60MHz |
2.5x |
2 & 3 |
2 & 3 |
1 & 2 |
2 & 3 |
2 & 3 |
2 & 3 |
|
166MHz |
66MHz |
2.5x |
2 & 3 |
2 & 3 |
1 & 2 |
2 & 3 |
2 & 3 |
1 & 2 |
|
180MHz |
60MHz |
3x |
1 & 2 |
2 & 3 |
1 & 2 |
2 & 3 |
2 & 3 |
2 & 3 |
|
200MHz |
66MHz |
3x |
1 & 2 |
2 & 3 |
1 & 2 |
2 & 3 |
2 & 3 |
1 & 2 |
|
Note: Pins designated should be in the closed position. | ||||||||
|
CPU SPEED SELECTION (INTEL, CON’T) | |||||
|
CPU speed |
Clock speed |
Multiplier |
JP9 |
JP10 |
JP18 |
|
90MHz |
60MHz |
1.5x |
1 & 2 |
1 & 2 |
Open |
|
100MHz |
66MHz |
1.5x |
1 & 2 |
1 & 2 |
Open |
|
120MHz |
60MHz |
2x |
1 & 2 |
1 & 2 |
Open |
|
133MHz |
66MHz |
2x |
1 & 2 |
1 & 2 |
Open |
|
150MHz |
60MHz |
2.5x |
1 & 2 |
1 & 2 |
Open |
|
166MHz |
66MHz |
2.5x |
1 & 2 |
1 & 2 |
Open |
|
180MHz |
60MHz |
3x |
1 & 2 |
1 & 2 |
Open |
|
200MHz |
66MHz |
3x |
1 & 2 |
1 & 2 |
Open |
|
Note: Pins designated should be in the closed position. | |||||
|
CPU SPEED SELECTION (INTEL MMX) | ||||||||
|
CPU speed |
Clock speed |
Multiplier |
JP1 |
JP2 |
JP3 |
JP6 |
JP7 |
JP8 |
|
166MHz |
66MHz |
2.5x |
2 & 3 |
2 & 3 |
1 & 2 |
2 & 3 |
2 & 3 |
1 & 2 |
|
200MHz |
66MHz |
3x |
1 & 2 |
2 & 3 |
1 & 2 |
2 & 3 |
2 & 3 |
1 & 2 |
|
233MHz |
66MHz |
3.5x |
1 & 2 |
1 & 2 |
1 & 2 |
2 & 3 |
2 & 3 |
1 & 2 |
|
Note: Pins designated should be in the closed position. | ||||||||
|
CPU SPEED SELECTION (INTEL MMX, CON’T) | |||||
|
CPU speed |
Clock speed |
Multiplier |
JP9 |
JP10 |
JP18 |
|
166MHz |
66MHz |
2.5x |
1 & 2 |
1 & 2 |
1 & 2, 3 & 4, 5 & 6 |
|
200MHz |
66MHz |
3x |
1 & 2 |
1 & 2 |
1 & 2, 3 & 4, 5 & 6 |
|
233MHz |
66MHz |
3.5x |
1 & 2 |
1 & 2 |
1 & 2, 3 & 4, 5 & 6 |
|
Note: Pins designated should be in the closed position. | |||||
|
CPU VOLTAGE SELECTION (SINGLE) | |
|
Voltage |
JP19 |
|
3.3v |
Pins 1 & 2, 5 & 6, 7 & 8 closed |
|
3.45v |
Pins 1 & 2, 3 & 4, 5 & 6, 7 & 8 closed |
|
CPU VOLTAGE SELECTION (DUAL) | |
|
V core |
JP17 |
|
2.1v |
Pins 1 & 2 closed |
|
2.2v |
Pins 3 & 4 closed |
|
2.7v |
Pins 1 & 2, 3 & 4, 5 & 6 closed |
|
2.8v |
Pins 7 & 8 closed |
|
2.9v |
Pins 1 & 2, 7 & 8 closed |
|
3.2v |
Pins 5 & 6, 7 & 8 closed |
|
3.3v |
Pins 1 & 2, 5 & 6, 7 & 8 closed |
|
3.5v |
Pins 1 & 2, 3 & 4, 5 & 6, 7 & 8 closed |