MICRO-STAR INTERNATIONAL CO., LTD.
MS-6123
|
Device Type |
Mainboard |
|
Processor |
Pentium II |
|
Processor Speed |
200/233/266/300/333MHz |
|
Chip Set |
Intel 440EX |
|
Audio Chip Set |
Yamaha |
|
Maximum Onboard Memory |
256MB (EDO & SDRAM supported) |
|
Cache |
256/512KB (located on the Pentium II CPU) |
|
BIOS |
Unidentified |
|
Dimensions |
244mm x 190mm |
|
I/O Options |
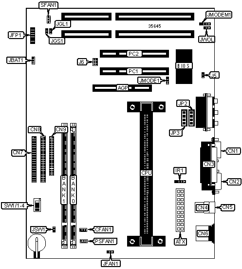
32-bit PCI slots (2), floppy drive interfaceIDE interfaces (2), parallel port, PS/2 mouse port, serial ports (2), IR connector, USB connectors (2), ATX power connector, AGP slot |
|
CONNECTIONS | |||
|
Purpose |
Location |
Purpose |
Location |
|
AGP slot |
AGP |
CPU fan power |
JFAN1 |
|
ATX power connector |
ATX |
IDE interface LED |
JFP1/pins 1 & 8 |
|
CPU fan power |
CFAN1 |
Power LED |
JFP1/pins 2 - 4 |
|
Serial port 2 |
CN1 |
Power switch |
JFP1/pins 5 & 6 |
|
Serial port 1 |
CN2 |
Speaker |
JFP1/pins 9 - 12 |
|
Parallel port |
CN3 |
Reset switch |
JFP1/pins 13 & 14 |
|
USB connector 1 |
CN4 |
Suspend switch |
JGS1 |
|
USB connector 2 |
CN5 |
Green PC LED |
JGL1 |
|
PS/2 mouse port |
CN6 |
Wake on modem connector |
JMODEM1 |
|
IDE interface 1 |
CN7 |
Wake on LAN connector |
JWOL1 |
|
IDE interface 2 |
CN8 |
Soft power off switch |
JSW1 |
|
Floppy drive interface |
CN9 |
32-bit PCI slots |
PC1 - PC2 |
|
IR connector |
IR1 |
Chassis fan power |
PSFAN1 |
|
SB link connector |
J6 |
Power supply fan power |
SFAN1 |
|
USER CONFIGURABLE SETTINGS | |||
|
Function |
Label |
Position | |
|
Flash BIOS voltage select 12v |
JMODE1 |
Pins 1 & 2 closed | |
|
Flash BIOS voltage select 5v |
JMODE1 |
Pins 2 & 3 closed | |
|
» |
CMOS memory normal operation |
JBAT1 |
Pins 1 & 2 closed |
|
CMOS memory clear |
JBAT1 |
Pins 2 & 3 closed | |
|
» |
Boot up by switch |
JP5 |
Closed |
|
Immediate boot up |
JP5 |
Open | |
|
DIMM CONFIGURATION | ||||
|
Size |
Bank 0 |
Bank 1 |
Bank 2 |
Bank 3 |
|
8 MB |
(1) 1M x 64 |
None |
None |
None |
|
16 MB |
(1) 1M x 64 |
(1) 1M x 64 |
None |
None |
|
16 MB |
(1) 2M x 64 |
None |
None |
None |
|
24 MB |
(1) 1M x 64 |
(1) 1M x 64 |
(1) 1M x 64 |
None |
|
32 MB |
(1) 1M x 64 |
(1) 1M x 64 |
(1) 1M x 64 |
(1) 1M x 64 |
|
32 MB |
(1) 2M x 64 |
(1) 2M x 64 |
None |
None |
|
32 MB |
(1) 4M x 64 |
None |
None |
None |
|
40 MB |
(1) 2M x 64 |
(1) 2M x 64 |
(1) 1M x 64 |
None |
|
48 MB |
(1) 2M x 64 |
(1) 2M x 64 |
(1) 2M x 64 |
None |
|
DIMM CONFIGURATION (CONT’) | ||||
|
Size |
Bank 0 |
Bank 1 |
Bank 2 |
Bank 3 |
|
64 MB |
(1) 2M x 64 |
(1) 2M x 64 |
(1) 2M x 64 |
(1) 2M x 64 |
|
64 MB |
(1) 4M x 64 |
(1) 4M x 64 |
None |
None |
|
64 MB |
(1) 8M x 64 |
None |
None |
None |
|
80 MB |
(1) 4M x 64 |
(1) 4M x 64 |
(1) 2M x 64 |
None |
|
96 MB |
(1) 4M x 64 |
(1) 4M x 64 |
(1) 4M x 64 |
None |
|
128 MB |
(1) 4M x 64 |
(1) 4M x 64 |
(1) 4M x 64 |
(1) 4M x 64 |
|
128 MB |
(1) 8M x 64 |
(1) 8M x 64 |
None |
None |
|
130 MB |
(1) 8M x 64 |
(1) 8M x 64 |
(1) 4M x 64 |
None |
|
192 MB |
(1) 8M x 64 |
(1) 8M x 64 |
(1) 8M x 64 |
None |
|
256 MB |
(1) 8M x 64 |
(1) 8M x 64 |
(1) 8M x 64 |
(1) 8M x 64 |
|
CACHE CONFIGURATION |
|
Note: The 256/512KB cache is located on the Pentium II CPU. |
|
CPU SPEED SELECTION (PENTIUM) | ||||||
|
CPU speed |
Clock speed |
Multiplier |
SW1/1 |
SW1/2 |
SW1/3 |
SW1/4 |
|
200MHz |
66MHz |
3x |
On |
On |
Off |
On |
|
233MHz |
66MHz |
3.5x |
On |
Off |
Off |
On |
|
266MHz |
66MHz |
4x |
On |
On |
On |
Off |
|
300MHz |
66MHz |
4.5x |
On |
Off |
On |
Off |
|
333MHz |
66MHz |
5x |
On |
On |
Off |
Off |