MICRO-STAR INTERNATIONAL CO., LTD.
MS-5163
|
Device Type |
Mainboard |
|
Processor |
CX 6X86/CX 6X86L/CX 686MX/AM K5/AM K6/Pentium/Pentium MMX |
|
Processor Speed |
90/100/120/133/150/166/200/233/266MHz |
|
Chip Set |
ALI Aladdin 4 |
|
Maximum Onboard Memory |
1GB (EDO & SDRAM supported) |
|
Cache |
512KB |
|
BIOS |
Award |
|
Dimensions |
300mm x186mm |
|
I/O Options |
32-bit PCI slots (4), floppy drive interface, IDE interfaces (2), parallel port, PS/2 mouse port, serial ports (2), USB connectors (2), ATX power connector |
|
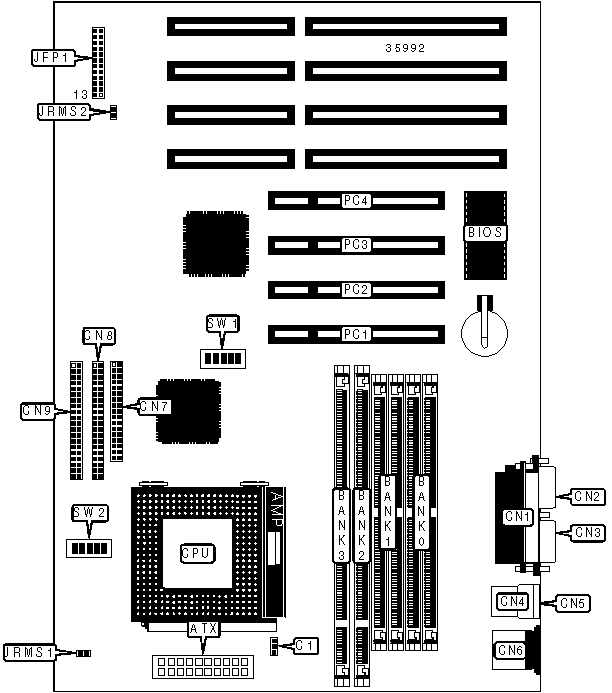
CONNECTIONS | |||
|
Purpose |
Location |
Purpose |
Location |
|
ATX power connector |
ATX |
IDE interface 2 |
CN9 |
|
CPU fan power |
C1 |
Power LED & keylock |
JFP1/pins 1 – 5 |
|
Parallel port |
CN1 |
Speaker |
JFP1/pins 7 - 10 |
|
Serial port 2 |
CN2 |
Turbo LED |
JFP1/pins 12 & 24 |
|
Serial port 1 |
CN3 |
Reset switch |
JFP1/pins 19 & 20 |
|
USB connector 1 |
CN4 |
IDE interface LED |
JFP1/pins 21 & 22 |
|
USB connector 2 |
CN5 |
Soft off power supply |
JRMS1 |
|
PS/2 mouse port |
CN6 |
Soft off power supply |
JRMS2 |
|
Floppy drive interface |
CN7 |
32-bit PCI slots |
PC1 – PC4 |
|
IDE interface 1 |
CN8 | ||
|
SIMM CONFIGURATION | ||
|
Size |
Bank 0 |
Bank 1 |
|
8MB |
(2) 1M x 36 |
None |
|
16MB |
(2) 2M x 36 |
None |
|
16MB |
(2) 1M x 36 |
(2) 1M x 36 |
|
24MB |
(2) 2M x 36 |
(2) 1M x 36 |
|
32MB |
(2) 4M x 36 |
None |
|
32MB |
(2) 2M x 36 |
(2) 2M x 36 |
|
40MB |
(2) 4M x 36 |
(2) 1M x 36 |
|
48MB |
(2) 4M x 36 |
(2) 2M x 36 |
|
64MB |
(2) 8M x 36 |
None |
|
64MB |
(2) 4M x 36 |
(2) 4M x 36 |
|
72MB |
(2) 8M x 36 |
(2) 1M x 36 |
|
80MB |
(2) 8M x 36 |
(2) 2M x 36 |
|
96MB |
(2) 8M x 36 |
(2) 4M x 36 |
|
128MB |
(2) 8M x 36 |
(2) 8M x 36 |
|
128MB |
(2) 16M x 36 |
None |
|
136MB |
(2) 16M x 36 |
(2) 1M x 36 |
|
144MB |
(2) 16M x 36 |
(2) 2M x 36 |
|
160MB |
(2) 16M x 36 |
(2) 4M x 36 |
|
192MB |
(2) 16M x 36 |
(2) 8M x 36 |
|
256MB |
(2) 16M x 36 |
(2) 16M x 36 |
|
256MB |
(2) 32M x 36 |
None |
|
264MB |
(2) 32M x 36 |
(2) 1M x 36 |
|
272MB |
(2) 32M x 36 |
(2) 2M x 36 |
|
288MB |
(2) 32M x 36 |
(2) 4M x 36 |
|
320MB |
(2) 32M x 36 |
(2) 8M x 36 |
|
384MB |
(2) 32M x 36 |
(2) 16M x 36 |
|
512MB |
(2) 32M x 36 |
(2) 32M x 36 |
|
Note: Board accepts EDO memory. | ||
|
DIMM CONFIGURATION | ||
|
Size |
Bank 2 |
Bank 3 |
|
8MB |
(1) 1M x 64 |
None |
|
16MB |
(1) 2M x 64 |
None |
|
16MB |
(1) 1M x 64 |
(1) 1M x 64 |
|
24MB |
(1) 2M x 64 |
(1) 1M x 64 |
|
32MB |
(1) 4M x 64 |
None |
|
32MB |
(1) 2M x 64 |
(1) 2M x 64 |
|
40MB |
(1) 4M x 64 |
(1) 1M x 64 |
|
48MB |
(1) 4M x 64 |
(1) 2M x 64 |
|
64MB |
(1) 8M x 64 |
None |
|
64MB |
(1) 4M x 64 |
(1) 4M x 64 |
|
72MB |
(1) 8M x 64 |
(1) 1M x 64 |
|
80MB |
(1) 8M x 64 |
(1) 2M x 64 |
|
96MB |
(1) 8M x 64 |
(1) 4M x 64 |
|
128MB |
(1) 8M x 64 |
(1) 8M x 64 |
|
128MB |
(1) 16M x 64 |
None |
|
136MB |
(1) 16M x 64 |
(1) 1M x 64 |
|
144MB |
(1) 16M x 64 |
(1) 2M x 64 |
|
160MB |
(1) 16M x 64 |
(1) 4M x 64 |
|
192MB |
(1) 16M x 64 |
(1) 8M x 64 |
|
256MB |
(1) 16M x 64 |
(1) 16M x 64 |
|
256MB |
(1) 32M x 64 |
None |
|
264MB |
(1) 32M x 64 |
(1) 1M x 64 |
|
272MB |
(1) 32M x 64 |
(1) 2M x 64 |
|
288MB |
(1) 32M x 64 |
(1) 4M x 64 |
|
320MB |
(1) 32M x 64 |
(1) 8M x 64 |
|
384MB |
(1) 32M x 64 |
(1) 16M x 64 |
|
512MB |
(1) 32M x 64 |
(1) 32M x 64 |
|
Note: Board accepts EDO memory. | ||
|
CACHE CONFIGURATION |
|
Note: The location of the cache is unidentified. |
|
CPU SPEED SELECTION (CX 6X86) | |||||||
|
CPU speed |
Clock speed |
Multiplier |
SW1/1 |
SW1/2 |
SW1/3 |
SW1/4 |
SW1/5 |
|
150MHz |
60MHz |
2x |
On |
Off |
Off |
On |
On |
|
166MHz |
66MHz |
2x |
On |
On |
Off |
On |
On |
|
200MHz |
75MHz |
2x |
On |
On |
Off |
Off |
On |
|
CPU SPEED SELECTION (CX 6X86L) | |||||||
|
CPU speed |
Clock speed |
Multiplier |
SW1/1 |
SW1/2 |
SW1/3 |
SW1/4 |
SW1/5 |
|
166MHz |
66MHz |
2x |
On |
On |
Off |
On |
On |
|
200MHz |
75MHz |
2x |
On |
On |
Off |
Off |
On |
|
CPU SPEED SELECTION (CX 6X86MX) | |||||||
|
CPU speed |
Clock speed |
Multiplier |
SW1/1 |
SW1/2 |
SW1/3 |
SW1/4 |
SW1/5 |
|
166MHz |
60MHz |
2.5x |
On |
On |
Off |
On |
On |
|
200MHz |
66MHz |
2.5x |
On |
On |
Off |
Off |
On |
|
233MHz |
75MHz |
2.5x |
On |
On |
Off |
On |
Off |
|
233MHz |
66MHz |
3x |
Off |
On |
Off |
Off |
On |
|
266MHz |
75MHz |
3x |
Off |
On |
Off |
On |
Off |
|
266MHz |
66MHz |
3.5x |
Off |
Off |
Off |
Off |
On |
|
CPU SPEED SELECTION (AM K5) | |||||||
|
CPU speed |
Clock speed |
Multiplier |
SW1/1 |
SW1/2 |
SW1/3 |
SW1/4 |
SW1/5 |
|
90MHz |
60MHz |
1.5x |
Off |
Off |
Off |
On |
On |
|
100MHz |
66MHz |
1.5x |
Off |
Off |
Off |
Off |
On |
|
120MHz |
60MHz |
2x |
On |
Off |
Off |
On |
On |
|
133MHz |
66MHz |
2x |
On |
Off |
Off |
Off |
On |
|
150MHz |
60MHz |
2.5x |
On |
On |
Off |
On |
On |
|
166MHz |
66MHz |
2.5x |
On |
On |
Off |
Off |
On |
|
CPU SPEED SELECTION (AM K6) | |||||||
|
CPU speed |
Clock speed |
Multiplier |
SW1/1 |
SW1/2 |
SW1/3 |
SW1/4 |
SW1/5 |
|
166MHz |
66MHz |
2.5x |
On |
On |
Off |
Off |
On |
|
200MHz |
66MHz |
3x |
Off |
On |
Off |
Off |
On |
|
233MHz |
66MHz |
3.5x |
Off |
Off |
Off |
Off |
On |
|
CPU SPEED SELECTION (INTEL) | |||||||
|
CPU speed |
Clock speed |
Multiplier |
SW1/1 |
SW1/2 |
SW1/3 |
SW1/4 |
SW1/5 |
|
90MHz |
60MHz |
1.5x |
Off |
Off |
Off |
On |
On |
|
100MHz |
66MHz |
1.5x |
Off |
Off |
Off |
Off |
On |
|
120MHz |
60MHz |
2x |
On |
Off |
Off |
On |
On |
|
133MHz |
66MHz |
2x |
On |
Off |
Off |
Off |
On |
|
150MHz |
60MHz |
2.5x |
On |
On |
Off |
On |
On |
|
166MHz |
66MHz |
2.5x |
On |
On |
Off |
Off |
On |
|
200MHz |
66MHz |
3x |
Off |
On |
Off |
Off |
On |
|
CPU SPEED SELECTION (INTEL MMX) | |||||||
|
CPU speed |
Clock speed |
Multiplier |
SW1/1 |
SW1/2 |
SW1/3 |
SW1/4 |
SW1/5 |
|
166MHz |
66MHz |
2.5x |
On |
On |
Off |
Off |
On |
|
200MHz |
66MHz |
3x |
Off |
On |
Off |
Off |
On |
|
233MHz |
66MHz |
3.5x |
Off |
Off |
Off |
Off |
On |
|
CPU VOLTAGE SELECTION (SINGLE) | |||||
|
Voltage |
SW2/1 |
SW2/1 |
SW2/3 |
SW2/4 |
SW2/5 |
|
3.3v |
Off |
On |
On |
Off |
On |
|
3.5v |
Off |
On |
On |
On |
On |
|
CPU VOLTAGE SELECTION (DUAL) | ||||||
|
Voltage |
V core |
SW2/1 |
SW2/1 |
SW2/3 |
SW2/4 |
SW2/5 |
|
3.3v |
2.1v |
Off |
Off |
Off |
Off |
On |
|
3.3v |
2.5v |
Off |
Off |
On |
Off |
On |
|
3.3v |
2.8v |
Off |
On |
Off |
Off |
Off |
|
3.3v |
2.9v |
Off |
On |
Off |
Off |
On |
|
3.3v |
3.2v |
Off |
On |
On |
Off |
Off |