PACKARD BELL
PB25/PB33
|
Processor |
80386DX |
|
Processor Speed |
25/33MHz |
|
Chip Set |
VLSI |
|
Max. onboard DRAM |
32MB |
|
Cache |
None |
|
BIOS |
Phoenix |
|
Dimensions |
340mm x 240mm |
|
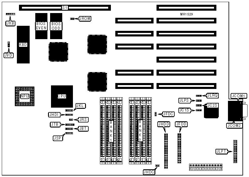
I/O Options |
32-bit expansion slot, floppy drive interface, IDE interface, keyboard, parallel port, serial port (2) |
|
NPU Options |
80387DX |
|
CONNECTIONS | |||
|
Purpose |
Location |
Purpose |
Location |
|
External battery |
JBT |
Keylock |
JKL |
|
Serial port 1 |
JCOM1 |
Parallel port |
JLPT |
|
Serial port 2 |
JCOM2 |
Reset |
JRS |
|
Floppy drive interface |
JFDD |
Speaker |
JSP |
|
IDE interface |
JHDD |
Turbo LED |
JTB |
|
IDE interface LED |
JHDI |
32-bit expansion slot |
S1 |
|
Keyboard |
JKB | ||
|
USER CONFIGURABLE SETTINGS | |||
|
Function |
Jumper |
Position | |
| » |
Onboard floppy drive interface enabled |
JFDC |
Closed |
|
Onboard floppy drive interface disabled |
JFDC |
Open | |
| » |
Onboard IDE interface enabled |
JHDC |
Closed |
|
Onboard IDE interface disabled |
JHDC |
Open | |
| » |
BIOS type select 27256 |
JROM |
Open |
|
BIOS type select 27512 |
JROM |
Closed | |
| » |
Monitor type select color |
JVD |
pins 2 & 3 closed |
|
Monitor type select monochrome |
JVD |
pins 1 & 2 closed | |
|
SERIAL PORT CONFIGURATION | ||||
|
Port 1 (JCOM1) |
Port 2 (JCOM2) |
JC1S |
JC2S | |
|
COM1 |
COM2 |
Closed |
Closed | |
| » |
COM1 |
Disabled |
Closed |
Open |
|
Disabled |
COM2 |
Open |
Closed | |
|
Disabled |
Disabled |
Open |
Open | |
|
PARALLEL PORT CONFIGURATION | ||||
|
LPT |
IRQ |
JLPS |
JLRQ | |
| » |
LPT1 |
IRQ7 |
pins 1 & 2 closed |
pins 1 & 2 closed |
|
LPT1 |
IRQ5 |
pins 1 & 2 closed |
pins 2 & 3 closed | |
|
LPT2 |
IRQ7 |
pins 2 & 3 closed |
pins 1 & 2 closed | |
|
LPT2 |
IRQ5 |
pins 2 & 3 closed |
pins 2 & 3 closed | |
|
DRAM CONFIGURATION | ||
|
Size |
Bank 0 |
Bank 1 |
|
1MB |
(4) 256K x 9 |
NONE |
|
2MB |
(4) 256K x 9 |
(4) 256K x 9 |
|
4MB |
(4) 1M x 9 |
NONE |
|
5MB |
(4) 1M x 9 |
(4) 256K x 9 |
|
8MB |
(4) 1M x 9 |
(4) 1M x 9 |
|
16MB |
(4) 4M x 9 |
NONE |
|
17MB |
(4) 4M x 9 |
(4) 256K x 9 |
|
20MB |
(4) 4M x 9 |
(4) 1M x 9 |
|
32MB |
(4) 4M x 9 |
(4) 4M x 9 |