TANDY/RADIO SHACK
486ei 25/SVR
|
Processor |
80486DX |
|
Processor Speed |
25MHz |
|
Chip Set |
Tandy |
|
Max. Onboard DRAM |
64MB |
|
SRAM Cache |
256KB |
|
BIOS |
Phoenix |
|
Dimensions |
355mm x 304mm |
|
I/O Options |
EGA feature connector, floppy drive interface, IDE interface, parallel port, serial port (2), VGA port (on external I/O card) |
|
NPU Options |
4167 |
|
CONNECTIONS | |||
|
Purpose |
Location |
Purpose |
Location |
|
External battery |
J3 |
Reset switch |
W5 |
|
Speaker |
J15 |
Turbo switch |
W6 |
|
Power LED & keylock |
J16 |
Turbo LED |
W7 |
|
USER CONFIGURABLE SETTINGS | |||
|
Function |
Jumper |
Position | |
| » |
CMOS memory normal operation |
J2 |
open |
|
CMOS memory clear |
J2 |
closed | |
| » |
Factory configured - do not alter |
W1 |
N/A |
|
SRAM CONFIGURATION | |||
|
Size |
Bank 0 |
W3 |
W4 |
|
256KB |
(8) 32K x 8 |
closed |
closed |
|
DRAM CONFIGURATION | ||||
|
Size |
Bank 0 |
Bank 1 |
Bank 2 |
Bank 3 |
|
4MB |
(4) 1M x 9 |
NONE |
NONE |
NONE |
|
8MB |
(4) 1M x 9 |
(4) 1M x 9 |
NONE |
NONE |
|
12MB |
(4) 1M x 9 |
(4) 1M x 9 |
(4) 1M x 9 |
NONE |
|
16MB |
(4) 1M x 9 |
(4) 1M x 9 |
(4) 1M x 9 |
(4) 1M x 9 |
|
16MB |
(4) 4M x 9 |
NONE |
NONE |
NONE |
|
20MB |
(4) 1M x 9 |
(4) 4M x 9 |
NONE |
NONE |
|
24MB |
(4) 1M x 9 |
(4) 1M x 9 |
(4) 4M x 9 |
NONE |
|
28MB |
(4) 1M x 9 |
(4) 1M x 9 |
(4) 1M x 9 |
(4) 4M x 9 |
|
32MB |
(4) 4M x 9 |
(4) 4M x 9 |
NONE |
NONE |
|
36MB |
(4) 1M x 9 |
(4) 4M x 9 |
(4) 4M x 9 |
NONE |
|
40MB |
(4) 1M x 9 |
(4) 1M x 9 |
(4) 4M x 9 |
(4) 4M x 9 |
|
48MB |
(4) 4M x 9 |
(4) 4M x 9 |
(4) 4M x 9 |
NONE |
|
52MB |
(4) 1M x 9 |
(4) 4M x 9 |
(4) 4M x 9 |
(4) 4M x 9 |
|
64MB |
(4) 4M x 9 |
(4) 4M x 9 |
(4) 4M x 9 |
(4) 4M x 9 |
|
DRAM SWITCH CONFIGURATION | |||||
|
Size |
SW2/switch 1 |
SW2/switch 2 |
SW2/switch 3 |
SW2/switch 4 |
SW2/switch 5 |
|
4MB |
closed |
closed |
closed |
closed |
closed |
|
8MB |
open |
closed |
closed |
closed |
closed |
|
12MB |
closed |
open |
closed |
closed |
closed |
|
16MB |
open |
open |
closed |
closed |
open |
|
16MB |
closed |
closed |
open |
closed |
open |
|
20MB |
closed |
closed |
open |
open |
open |
|
24MB |
closed |
open |
closed |
open |
open |
|
28MB |
open |
closed |
closed |
open |
open |
|
32MB |
open |
closed |
open |
closed |
open |
|
36MB |
closed |
open |
open |
open |
open |
|
40MB |
open |
open |
closed |
open |
open |
|
48MB |
closed |
open |
open |
closed |
open |
|
52MB |
open |
open |
open |
open |
open |
|
64MB |
open |
open |
open |
closed |
open |
|
CONNECTIONS | |||
|
Purpose |
Location |
Purpose |
Location |
|
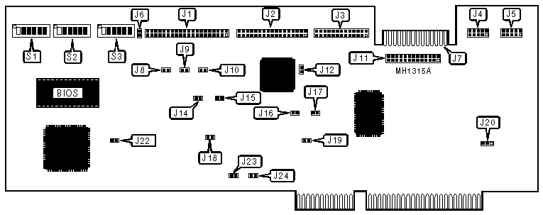
IDE drive interface |
J1 |
Serial port 2 |
J5 |
|
Floppy drive interface |
J2 |
IDE interface LED |
J6 |
|
Parallel port |
J3 |
VGA feature |
J7 |
|
Serial port 1 |
J4 |
EGA feature |
J11 |
|
SERIAL PORT 1 (J4) CONFIGURATION S1 | ||||||
|
Function |
Switch 1 |
Switch 2 |
Switch 3 |
Switch 4 |
Switch 5 |
Switch 6 |
|
disabled |
open |
open |
open |
open |
open |
open |
|
COM1/IRQ4 |
closed |
open |
open |
open |
open |
closed |
|
COM2/IRQ3 |
open |
closed |
open |
open |
closed |
open |
|
COM3/IRQ4 |
open |
open |
closed |
open |
open |
closed |
|
COM4/IRQ3 |
open |
open |
open |
closed |
closed |
open |
|
SERIAL PORT 2 (J5) CONFIGURATION S3 | ||||||
|
Function |
Switch 1 |
Switch 2 |
Switch 3 |
Switch 4 |
Switch 5 |
Switch 6 |
|
disabled |
open |
open |
open |
open |
open |
open |
|
COM1/IRQ4 |
closed |
open |
open |
open |
open |
closed |
|
COM2/IRQ3 |
open |
closed |
open |
open |
closed |
open |
|
COM3/IRQ4 |
open |
open |
closed |
open |
open |
closed |
|
COM4/IRQ3 |
open |
open |
open |
closed |
closed |
open |
|
PARALLEL PORT (J3) CONFIGURATION S2 | ||||||
|
Function |
Switch 1 |
Switch 2 |
Switch 3 |
Switch 4 |
Switch 5 |
Switch 6 |
|
disabled |
open |
open |
open |
N/A |
open |
open |
|
LPT1/IRQ7 |
closed |
open |
open |
N/A |
open |
closed |
|
LPT2/IRQ5 |
open |
closed |
open |
N/A |
closed |
open |
|
LPT3/IRQ7 |
open |
open |
closed |
N/A |
open |
closed |
|
USER CONFIGURABLE SETTINGS | |||
|
Function |
Jumper |
Position | |
| » |
IOCHRDY signal from pin 27 enabled |
J8 J9 |
open open |
| » |
IOCHRDY signal from pin 21 enabled |
J8 J9 |
closed closed |
| » |
IDE interface pin 34 select PDIAG signal |
J10 |
open |
|
IDE interface pin 34 select ground |
J10 |
closed | |
| » |
Floppy drive interface precompensation mode select 125ns |
J12 |
open |
|
Floppy drive interface precompensation mode select 187ns |
J12 |
closed | |
| » |
IDE interface (J1) enabled |
J14 |
closed |
|
IDE interface (J1) disabled |
J14 |
open | |
| » |
On-board video enabled |
J15 |
closed |
|
On-board video disabled |
J15 |
open | |
| » |
Floppy drive interface (J2) interrupt request select IRQ6 |
J16 |
closed |
|
Floppy drive interface (J2) interrupt request select none |
J16 |
open | |
| » |
Single speed motor select |
J17 |
open |
|
Dual speed motor select |
J17 |
closed | |
| » |
On-board video select 16-bit mode normal |
J18 |
open |
|
On-board video force 8-bit mode |
J18 |
closed | |
| » |
Floppy drive disk change signal enabled |
J19 |
closed |
|
Floppy drive disk change signal disabled |
J19 |
open | |
| » |
Monitor type select color |
J20 |
pins 1 & 2 closed |
|
Monitor type select monochrome |
J20 |
pins 2 & 3 closed | |
|
VGA feature connector disabled |
J22 |
closed | |
|
VGA feature connector enabled |
J22 |
open | |
| » |
Floppy drive interface (J2) enabled |
J23 |
closed |
|
Floppy drive interface (J2) disabled |
J23 |
open | |
| » |
IDE interface (J1) interrupt request select IRQ14 |
J24 |
closed |
|
IDE interface (J1) interrupt request select none |
J24 |
open | |