SUPER MICRO
P6SLA
|
Device Type |
Mainboard |
|
Processor |
Pentium II |
|
Processor Speed |
200/233/266/300/333/366/400MHz |
|
Chip Set |
Intel |
|
Video Chip Set |
None |
|
Maximum Onboard Memory |
768MB (EDO & SDRAM supported) |
|
Maximum Video Memory |
None |
|
Cache |
256/512KB (located on Pentium II CPU) |
|
BIOS |
AMI |
|
Dimensions |
305mm x 244mm |
|
I/O Options |
32-bit PCI slots (4), floppy drive interface, IDE interfaces (2), parallel port, PS/2 mouse port, serial ports (2), IR connector, USB connectors (2), ATX power connector, AGP slot |
|
NPU Options |
None |
|
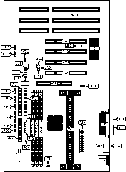
CONNECTIONS | |||
|
Purpose |
Location |
Purpose |
Location |
|
AGP slot |
AGP |
IDE interface LED |
JF1A |
|
ATX power connector |
ATX |
Power LED & keylock |
JF1B |
|
IDE interface 1 |
J15 |
Speaker |
JF1C |
|
IDE interface 2 |
J16 |
IR connector |
JF2A |
|
USB connector 1 |
J17 |
Soft off power supply |
JF2B |
|
USB connector 2 |
J18 |
Reset switch |
JF2C |
|
Parallel port |
J19 |
Overheat LED |
JOH |
|
Serial port 1 |
J20 |
CPU fan power |
JT1 |
|
Serial port 2 |
J21 |
CPU fan power |
JT2 |
|
Floppy drive interface |
J22 |
Chassis fan power |
JT3 |
|
PS/2 mouse port |
J34 |
32-bit PCI slots |
PC1 – PC4 |
|
External battery |
JBT2 |
Wake on LAN connector |
WOL |
|
USER CONFIGURABLE SETTINGS | |||
|
Function |
Label |
Position | |
|
» |
CMOS memory normal operation |
JBT1 |
Pins 1 & 2 closed |
|
CMOS memory clear |
JBT1 |
Pins 2 & 3 closed | |
|
Chassis intrusion disabled |
JL1 |
Open | |
|
Chassis intrusion enabled |
JL1 |
Closed | |
|
» |
Factory configured - do not alter |
JL2 |
Open |
|
PIIX4 control |
JP20 |
Pins 1 & 2 closed | |
|
Save PD state |
JP20 |
Pins 2 & 3 closed | |
|
DIMM CONFIGURATION | |||
|
Size |
Bank 0 |
Bank 1 |
Bank 2 |
|
8MB |
(1) 1M x 64 |
None |
None |
|
16MB |
(1) 2M x 64 |
None |
None |
|
16MB |
(1) 1M x 64 |
(1) 1M x 64 |
None |
|
24MB |
(1) 2M x 64 |
(1) 1M x 64 |
None |
|
24MB |
(1) 1M x 64 |
(1) 1M x 64 |
(1) 1M x 64 |
|
32MB |
(1) 4M x 64 |
None |
None |
|
32MB |
(1) 2M x 64 |
(1) 1M x 64 |
(1) 1M x 64 |
|
32MB |
(1) 2M x 64 |
(1) 2M x 64 |
None |
|
40MB |
(1) 4M x 64 |
(1) 1M x 64 |
None |
|
40MB |
(1) 2M x 64 |
(1) 2M x 64 |
(1) 1M x 64 |
|
48MB |
(1) 4M x 64 |
(1) 1M x 64 |
(1) 1M x 64 |
|
48MB |
(1) 4M x 64 |
(1) 2M x 64 |
None |
|
48MB |
(1) 2M x 64 |
(1) 2M x 64 |
(1) 2M x 64 |
|
DIMM CONFIGURATION (CON’T) | |||
|
Size |
Bank 0 |
Bank 1 |
Bank 2 |
|
56MB |
(1) 4M x 64 |
(1) 2M x 64 |
(1) 1M x 64 |
|
64MB |
(1) 8M x 64 |
None |
None |
|
64MB |
(1) 4M x 64 |
(1) 2M x 64 |
(1) 2M x 64 |
|
64MB |
(1) 4M x 64 |
(1) 4M x 64 |
None |
|
72MB |
(1) 8M x 64 |
(1) 1M x 64 |
None |
|
72MB |
(1) 4M x 64 |
(1) 4M x 64 |
(1) 1M x 64 |
|
80MB |
(1) 8M x 64 |
(1) 1M x 64 |
(1) 1M x 64 |
|
80MB |
(1) 8M x 64 |
(1) 2M x 64 |
None |
|
80MB |
(1) 4M x 64 |
(1) 4M x 64 |
(1) 2M x 64 |
|
88MB |
(1) 8M x 64 |
(1) 2M x 64 |
(1) 1M x 64 |
|
96MB |
(1) 8M x 64 |
(1) 2M x 64 |
(1) 2M x 64 |
|
96MB |
(1) 8M x 64 |
(1) 4M x 64 |
None |
|
96MB |
(1) 4M x 64 |
(1) 4M x 64 |
(1) 4M x 64 |
|
104MB |
(1) 8M x 64 |
(1) 4M x 64 |
(1) 1M x 64 |
|
112MB |
(1) 8M x 64 |
(1) 4M x 64 |
(1) 2M x 64 |
|
128MB |
(1) 16M x 64 |
None |
None |
|
128MB |
(1) 8M x 64 |
(1) 8M x 64 |
None |
|
136MB |
(1) 16M x 64 |
(1) 1M x 64 |
None |
|
136MB |
(1) 8M x 64 |
(1) 8M x 64 |
(1) 1M x 64 |
|
144MB |
(1) 16M x 64 |
(1) 1M x 64 |
(1) 1M x 64 |
|
144MB |
(1) 16M x 64 |
(1) 2M x 64 |
None |
|
144MB |
(1) 8M x 64 |
(1) 8M x 64 |
(1) 2M x 64 |
|
152MB |
(1) 16M x 64 |
(1) 2M x 64 |
(1) 1M x 64 |
|
160MB |
(1) 16M x 64 |
(1) 2M x 64 |
(1) 2M x 64 |
|
160MB |
(1) 16M x 64 |
(1) 4M x 64 |
None |
|
160MB |
(1) 8M x 64 |
(1) 8M x 64 |
(1) 4M x 64 |
|
168MB |
(1) 16M x 64 |
(1) 4M x 64 |
(1) 1M x 64 |
|
176MB |
(1) 16M x 64 |
(1) 4M x 64 |
(1) 2M x 64 |
|
192MB |
(1) 16M x 64 |
(1) 4M x 64 |
(1) 4M x 64 |
|
192MB |
(1) 16M x 64 |
(1) 8M x 64 |
None |
|
192MB |
(1) 8M x 64 |
(1) 8M x 64 |
(1) 8M x 64 |
|
200MB |
(1) 16M x 64 |
(1) 8M x 64 |
(1) 1M x 64 |
|
208MB |
(1) 16M x 64 |
(1) 8M x 64 |
(1) 2M x 64 |
|
224MB |
(1) 16M x 64 |
(1) 8M x 64 |
(1) 4M x 64 |
|
256MB |
(1) 16M x 64 |
(1) 8M x 64 |
(1) 8M x 64 |
|
384MB |
(1) 16M x 64 |
(1) 16M x 64 |
(1) 16M x 64 |
|
512MB |
(1) 32M x 64 |
(1) 32M x 64 |
None |
|
768MB |
(1) 32M x 64 |
(1) 32M x 64 |
(1) 32M x 64 |
|
Note: Board accepts EDO & SDRAM memory. Maximum memory is 384MB SDRAM & 768MB EDO RAM. | |||
|
CACHE CONFIGURATION |
|
Note: 256KB/512KB cache is located on the Pentium II CPU. |
|
CPU SPEED SELECTION | ||||||
|
CPU speed |
Clock speed |
Multiplier |
JB1 |
JB2 |
JB3 |
JB4 |
|
200MHz |
66MHz |
3x |
Closed |
Open |
Closed |
Closed |
|
233MHz |
66MHz |
3.5x |
Open |
Open |
Closed |
Closed |
|
266MHz |
66MHz |
4x |
Closed |
Closed |
Open |
Closed |
|
300MHz |
66MHz |
4.5x |
Open |
Closed |
Open |
Closed |
|
333MHz |
66MHz |
5x |
Closed |
Open |
Open |
Closed |
|
366MHz |
66MHz |
5.5x |
Open |
Open |
Open |
Closed |
|
400MHz |
66MHz |
6x |
Closed |
Closed |
Closed |
Open |
|
CPU SPEED SELECTION (CON’T) | |||||
|
CPU speed |
Clock speed |
Multiplier |
JC1 |
JC2 |
JC3 |
|
200MHz |
66MHz |
3x |
Open |
Open |
Open |
|
233MHz |
66MHz |
3.5x |
Open |
Open |
Open |
|
266MHz |
66MHz |
4x |
Open |
Open |
Open |
|
300MHz |
66MHz |
4.5x |
Open |
Open |
Open |
|
333MHz |
66MHz |
5x |
Open |
Open |
Open |
|
366MHz |
66MHz |
5.5x |
Open |
Open |
Open |
|
400MHz |
66MHz |
6x |
Open |
Open |
Open |