SHUTTLE COMPUTER INTERNATIONAL, INC.
HOT-635
|
Device Type |
Mainboard |
|
Processor |
Pentium II |
|
Processor Speed |
233/266/300/333MHz |
|
Chip Set |
Intel |
|
Video Chip Set |
None |
|
Maximum Onboard Memory |
512MB (EDO & SDRAM supported) |
|
Maximum Video Memory |
None |
|
Cache |
256/512KB (located on Pentium II CPU) |
|
BIOS |
Award |
|
Dimensions |
305mm x 244mm |
|
I/O Options |
32-bit PCI slots (4), floppy drive interface, IDE interfaces (2), SCSI-2 interface, Ultra SCSI Wide interface, parallel port, PS/2 mouse port, serial ports (2), IR connector, USB connectors (2), ATX power connector, AGP slot |
|
NPU Options |
None |
|
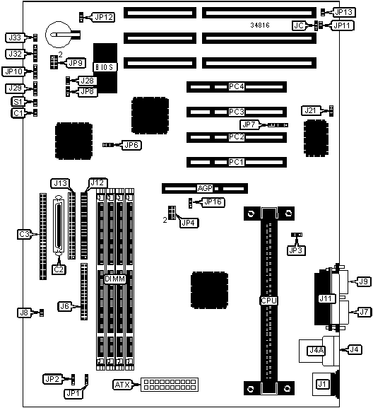
CONNECTIONS | |||
|
Purpose |
Location |
Purpose |
Location |
|
AGP slot |
AGP |
IDE interface 2 |
J12 |
|
ATX power connector |
ATX |
IDE interface 1 |
J13 |
|
SCSI interface LED |
C1 |
IDE interface LED |
J29 |
|
Ultra SCSI Wide interface |
C2 |
Power LED & keylock |
J32 |
|
SCSI-2 interface |
C3 |
Reset switch |
J33 |
|
PS/2 mouse port |
J1 |
CPU fan power |
JP1 |
|
USB connector 1 |
J4 |
Chassis fan power |
JP2 |
|
USB connector 2 |
J4A |
IR connector |
JP7 |
|
Floppy drive interface |
J6 |
Speaker |
JP10 |
|
Serial port 2 |
J7 |
AGP fan power |
JP16 |
|
Serial port 1 |
J9 |
32-bit PCI slots |
PC1 – PC4 |
|
Parallel port |
J11 |
Soft off power supply |
S1 |
|
USER CONFIGURABLE SETTINGS | |||
|
Function |
Label |
Position | |
|
» |
Termination enabled |
J8 |
Open |
|
Termination disabled |
J8 |
Closed | |
|
» |
Factory configured - do not alter |
J21 |
Unidentified |
|
» |
Factory configured - do not alter |
J28 |
Pins 2 & 3 closed |
|
» |
Factory configured - do not alter |
JC |
Unidentified |
|
» |
Factory configured - do not alter |
JP3 |
Unidentified |
|
» |
Seagate hard drive not installed |
JP6 |
Pins 1 & 2 closed |
|
Seagate hard drive installed |
JP6 |
Pins 2 & 3 closed | |
|
» |
Factory configured - do not alter |
JP8 |
Open |
|
» |
Factory configured - do not alter |
JP11 |
Unidentified |
|
» |
CMOS memory normal operation |
JP12 |
Pins 1 & 2 closed |
|
CMOS memory clear |
JP12 |
Pins 2 & 3 closed | |
|
» |
Factory configured - do not alter |
JP13 |
Unidentified |
|
DIMM CONFIGURATION | ||||
|
Size |
Bank 0 |
Bank 1 |
Bank 2 |
Bank 3 |
|
8MB |
(1) 1M x 64 |
None |
None |
None |
|
16MB |
(1) 2M x 64 |
None |
None |
None |
|
16MB |
(1) 1M x 64 |
(1) 1M x 64 |
None |
None |
|
24MB |
(1) 2M x 64 |
(1) 1M x 64 |
None |
None |
|
24MB |
(1) 1M x 64 |
(1) 1M x 64 |
(1) 1M x 64 |
None |
|
32MB |
(1) 4M x 64 |
None |
None |
None |
|
32MB |
(1) 2M x 64 |
(1) 2M x 64 |
None |
None |
|
32MB |
(1) 1M x 64 |
(1) 1M x 64 |
(1) 1M x 64 |
(1) 1M x 64 |
|
40MB |
(1) 4M x 64 |
(1) 1M x 64 |
None |
None |
|
48MB |
(1) 4M x 64 |
(1) 2M x 64 |
None |
None |
|
48MB |
(1) 2M x 64 |
(1) 2M x 64 |
(1) 2M x 64 |
None |
|
64MB |
(1) 2M x 64 |
(1) 2M x 64 |
(1) 2M x 64 |
(1) 2M x 64 |
|
64MB |
(1) 8M x 64 |
None |
None |
None |
|
64MB |
(1) 4M x 64 |
(1) 4M x 64 |
None |
None |
|
72MB |
(1) 8M x 64 |
(1) 1M x 64 |
None |
None |
|
80MB |
(1) 8M x 64 |
(1) 2M x 64 |
None |
None |
|
96MB |
(1) 8M x 64 |
(1) 4M x 64 |
None |
None |
|
96MB |
(1) 4M x 64 |
(1) 4M x 64 |
(1) 4M x 64 |
None |
|
128MB |
(1) 16M x 64 |
None |
None |
None |
|
128MB |
(1) 8M x 64 |
(1) 8M x 64 |
None |
None |
|
128MB |
(1) 4M x 64 |
(1) 4M x 64 |
(1) 4M x 64 |
(1) 4M x 64 |
|
136MB |
(1) 16M x 64 |
(1) 1M x 64 |
None |
None |
|
144MB |
(1) 16M x 64 |
(1) 2M x 64 |
None |
None |
|
152MB |
(1) 16M x 64 |
(1) 1M x 64 |
(1) 1M x 64 |
(1) 1M x 64 |
|
160MB |
(1) 16M x 64 |
(1) 4M x 64 |
None |
None |
|
176MB |
(1) 16M x 64 |
(1) 2M x 64 |
(1) 2M x 64 |
(1) 2M x 64 |
|
192MB |
(1) 16M x 64 |
(1) 8M x 64 |
None |
None |
|
192MB |
(1) 8M x 64 |
(1) 8M x 64 |
(1) 8M x 64 |
None |
|
224MB |
(1) 16M x 64 |
(1) 4M x 64 |
(1) 4M x 64 |
(1) 4M x 64 |
|
256MB |
(1) 16M x 64 |
(1) 16M x 64 |
None |
None |
|
256MB |
(1) 8M x 64 |
(1) 8M x 64 |
(1) 8M x 64 |
(1) 8M x 64 |
|
272MB |
(1) 16M x 64 |
(1) 16M x 64 |
(1) 1M x 64 |
(1) 1M x 64 |
|
288MB |
(1) 16M x 64 |
(1) 16M x 64 |
(1) 2M x 64 |
(1) 2M x 64 |
|
320MB |
(1) 16M x 64 |
(1) 16M x 64 |
(1) 4M x 64 |
(1) 4M x 64 |
|
320MB |
(1) 16M x 64 |
(1) 8M x 64 |
(1) 8M x 64 |
(1) 8M x 64 |
|
384MB |
(1) 16M x 64 |
(1) 16M x 64 |
(1) 16M x 64 |
None |
|
512MB |
(1) 16M x 64 |
(1) 16M x 64 |
(1) 16M x 64 |
(1) 16M x 64 |
|
Note: Board accepts EDO & SDRAM memory. | ||||
|
CACHE CONFIGURATION |
|
Note: 256KB/512KB cache is located on the Pentium II CPU. |
|
CPU SPEED SELECTION | ||||
|
CPU speed |
Clock speed |
Multiplier |
JP4 |
JP9 |
|
233MHz |
66MHz |
3.5x |
Open |
1 & 2, 5 & 6 |
|
266MHz |
66MHz |
4x |
Open |
3 & 4, 5 & 6, 7 & 8 |
|
300MHz |
66MHz |
4.5x |
Open |
3 & 4, 5 & 6 |
|
333MHz |
66MHz |
5x |
Open |
5 & 6, 7 & 8 |
|
Note: Pins designated should be in the closed position. | ||||