ABIT COMPUTER CORPORATION
AN6
|
Processor |
Pentium II/Pentium Pro |
|
Processor Speed |
150/166/180/200/233/266MHz |
|
Chip Set |
Intel |
|
Video Chip Set |
None |
|
Maximum Onboard Memory |
1GB (EDO supported) |
|
Maximum Video Memory |
None |
|
Cache |
256/512KB (located on CPU) |
|
BIOS |
Award |
|
Dimensions |
305mm x 245mm |
|
I/O Options |
32-bit PCI slots (4), floppy drive interface, green PC connector, IDE interfaces (2), parallel port, PS/2 mouse port, serial ports (2), IR connector, USB connectors (2), ATX power connector, CPU Slot 1 |
|
NPU Options |
None |
|
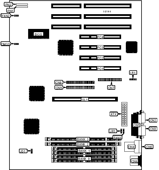
CONNECTIONS | |||
|
Purpose |
Location |
Purpose |
Location |
|
ATX power connector |
ATX |
Chassis fan power |
FAN1 |
|
Parallel port |
CN1 |
Chassis fan power |
FAN2 |
|
Serial port 2 |
CN2 |
IR connector |
IR1 |
|
Serial port 1 |
CN3 |
32-bit PCI slots |
PC1 – PC4 |
|
USB connector |
CN4 |
Power LED & keylock |
PN1/pins 1 - 5 |
|
USB connector |
CN5 |
IDE interface LED |
PN1/pins 7 & 8 |
|
PS/2 mouse port |
CN6 |
Green PC connector |
PN1/pins 13 & 14 |
|
Floppy drive interface |
CN7 |
Reset switch |
PN2/pins 1 & 2 |
|
IDE interface 2 |
CN8 |
Speaker |
PN2/pins 4 - 7 |
|
IDE interface 1 |
CN9 |
CPU Slot 1 |
SL1 |
|
USER CONFIGURABLE SETTINGS | |||
|
Function |
Label |
Position | |
|
» |
CMOS memory normal operation |
CMOS |
Pins 1 & 2 closed |
|
CMOS memory clear |
CMOS |
Pins 2 & 3 closed | |
|
» |
Power on select high active |
JR1 |
Pins 2 & 3 closed |
|
Power on select low active |
JR1 |
Pins 1 & 2 closed | |
|
DIMM/DRAM CONFIGURATION | ||||
|
Size |
Bank 0 |
Bank 1 |
Bank 2 |
Bank 3 |
|
8MB |
(2) 1M x 36 |
None |
None |
None |
|
8MB |
None |
None |
(1) 1M x 64 |
None |
|
16MB |
(2) 2M x 36 |
None |
None |
None |
|
16MB |
(2) 1M x 36 |
(2) 1M x 36 |
None |
None |
|
16MB |
(2) 1M x 36 |
None |
None |
(1) 1M x 64 |
|
16MB |
None |
None |
(1) 2M x 64 |
None |
|
16MB |
None |
None |
(1) 1M x 64 |
(1) 1M x 64 |
|
24MB |
(2) 2M x 36 |
(2) 1M x 36 |
None |
None |
|
24MB |
None |
(2) 2M x 36 |
(1) 1M x 64 |
None |
|
24MB |
None |
None |
(1) 2M x 64 |
(1) 1M x 64 |
|
32MB |
(2) 4M x 36 |
None |
None |
None |
|
32MB |
(2) 2M x 36 |
(2) 2M x 36 |
None |
None |
|
32MB |
(2) 2M x 36 |
None |
None |
(1) 2M x 64 |
|
32MB |
None |
None |
(1) 4M x 64 |
None |
|
32MB |
None |
None |
(1) 2M x 64 |
(1) 2M x 64 |
|
40MB |
(2) 4M x 36 |
(2) 1M x 36 |
None |
None |
|
40MB |
(2) 4M x 36 |
None |
None |
(1) 1M x 64 |
|
40MB |
None |
None |
(1) 1M x 64 |
(1) 4M x 64 |
|
48MB |
(2) 4M x 36 |
(2) 2M x 36 |
None |
None |
|
48MB |
(2) 2M x 36 |
None |
None |
(1) 4M x 64 |
|
48MB |
None |
None |
(1) 2M x 64 |
(1) 4M x 64 |
|
64MB |
(2) 8M x 36 |
None |
None |
None |
|
DIMM/DRAM CONFIGURATION (CON’T) | ||||
|
Size |
Bank 0 |
Bank 1 |
Bank 2 |
Bank 3 |
|
64MB |
(2) 4M x 36 |
(2) 4M x 36 |
None |
None |
|
64MB |
(2) 4M x 36 |
None |
None |
(1) 4M x 64 |
|
64MB |
None |
None |
(1) 8M x 64 |
None |
|
64MB |
None |
None |
(1) 4M x 64 |
(1) 4M x 64 |
|
72MB |
(2) 8M x 36 |
None |
None |
(1) 1M x 64 |
|
72MB |
(2) 8M x 36 |
(2) 1M x 36 |
None |
None |
|
72MB |
None |
None |
(1) 1M x 64 |
(1) 8M x 64 |
|
80MB |
None |
(2) 2M x 36 |
(1) 8M x 64 |
None |
|
80MB |
(2) 2M x 36 |
None |
None |
(1) 8M x 64 |
|
80MB |
(2) 8M x 36 |
(2) 2M x 36 |
None |
None |
|
80MB |
None |
None |
(1) 2M x 64 |
(1) 8M x 64 |
|
96MB |
(2) 4M x 36 |
None |
None |
(1) 8M x 64 |
|
96MB |
None |
(2) 8M x 36 |
(1) 4M x 64 |
None |
|
96MB |
(2) 8M x 36 |
(2) 4M x 36 |
None |
None |
|
96MB |
None |
None |
(1) 4M x 64 |
(1) 8M x 64 |
|
128MB |
(2) 8M x 36 |
None |
None |
(1) 8M x 64 |
|
128MB |
(2) 8M x 36 |
None |
None |
(1) 8M x 64 |
|
128MB |
(2) 8M x 36 |
(2) 8M x 36 |
None |
None |
|
128MB |
(2) 16M x 36 |
None |
None |
None |
|
128MB |
None |
None |
(1) 8M x 64 |
(1) 8M x 64 |
|
136MB |
(2) 16M x 36 |
(2) 1M x 36 |
None |
None |
|
144MB |
(2) 16M x 36 |
(2) 2M x 36 |
None |
None |
|
160MB |
(2) 16M x 36 |
(2) 4M x 36 |
None |
None |
|
192MB |
(2) 16M x 36 |
(2) 8M x 36 |
None |
None |
|
256MB |
(2) 32M x 36 |
None |
None |
None |
|
256MB |
(2) 16M x 36 |
(2) 16M x 36 |
None |
None |
|
256MB |
None |
None |
(1) 16M x 64 |
(1) 16M x 64 |
|
264MB |
(2) 32M x 36 |
(2) 1M x 36 |
None |
None |
|
272MB |
(2) 32M x 36 |
(2) 2M x 36 |
None |
None |
|
288MB |
(2) 32M x 36 |
(2) 4M x 36 |
None |
None |
|
320MB |
(2) 32M x 36 |
(2) 8M x 36 |
None |
None |
|
384MB |
(2) 32M x 36 |
(2) 16M x 36 |
None |
None |
|
384MB |
(2) 16M x 36 |
(2) 16M x 36 |
(1) 16M x 64 |
None |
|
512MB |
(2) 32M x 36 |
(2) 32M x 36 |
None |
None |
|
512MB |
(2) 16M x 36 |
(2) 16M x 36 |
(1) 16M x 64 |
(1) 16M x 64 |
|
520MB |
(2) 32M x 36 |
(2) 32M x 36 |
(1) 1M x 64 |
None |
|
528MB |
(2) 32M x 36 |
(2) 32M x 36 |
(1) 2M x 64 |
None |
|
768MB |
(2) 32M x 36 |
(2) 32M x 36 |
(1) 32M x 64 |
None |
|
1024MB |
(2) 32M x 36 |
(2) 32M x 36 |
(1) 32M x 64 |
(1) 32M x 64 |
|
Note: Board accepts EDO memory. Board also accepts x 32 SIMMs. | ||||
|
DIMM VOLTAGE CONFIGURATION | ||
|
Voltage |
JD1 | |
| » |
3.3V |
Pins 2 & 3 closed |
|
5v |
Pins 1 & 2 closed | |
|
CACHE CONFIGURATION |
|
Note: 256KB/512KB cache is located on the CPU. |