SUPER MICRO
S2DGU
|
Device Type |
Mainboard |
|
Processor |
Pentium II |
|
Processor Speed |
400/450MHz |
|
Chip Set |
Intel 440GX |
|
Maximum Onboard Memory |
2GB (SDRAM supported) |
|
Cache |
1024KB (located on Pentium II CPU) |
|
BIOS |
AMI |
|
Dimensions |
355mm x 304mm |
|
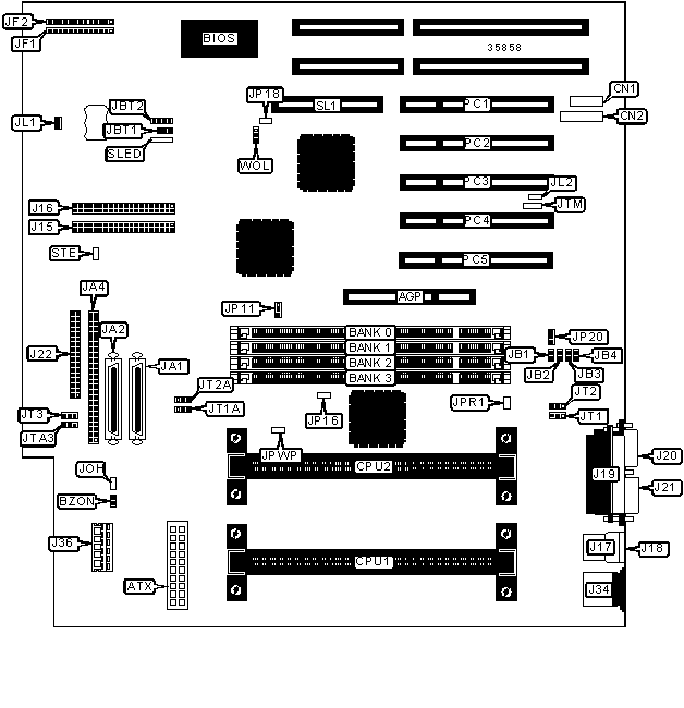
I/O Options |
32-bit PCI slots (5), floppy drive interface, IDE interfaces (2), SCSI interface, Ultra SCSI interface, Ultra II SCSI interface, Ultra Wide SCSI interface, parallel port, PS/2 mouse port, serial ports (2), IR connector, USB connectors (2), ATX power connector, AGP slot, RAID slot, wake on LAN connector, SB-link connector |
|
CONNECTIONS | |||
|
Purpose |
Location |
Purpose |
Location |
|
AGP slot |
AGP |
IDE interface LED |
JF1/pins 1 4 |
|
ATX power connector |
ATX |
Power LED & keylock |
JF1/pins 5 9 |
|
SB-link connector |
CN1 |
Speaker |
JF1/pins 10 - 13 |
|
USB connector |
CN2 |
IR connector |
JF2/pins 1 8 |
|
IDE interface 1 |
J15 |
Soft off power supply |
JF2/pins 9 & 10 |
|
IDE interface 2 |
J16 |
Reset switch |
JF2/pins 12 & 13 |
|
USB connector 1 |
J17 |
Chassis intrusion connector |
JL1 |
|
USB connector 2 |
J18 |
Overheat LED |
JOH |
|
Parallel port |
J19 |
Chassis fan power |
JT1 |
|
Serial port 1 |
J20 |
Chassis fan power |
JT1A |
|
Serial port 2 |
J21 |
Chassis fan power |
JT2 |
|
Floppy drive interface |
J22 |
Chassis fan power |
JT2A |
|
PS/2 mouse port |
J34 |
Chassis fan power |
JT3 |
|
5v auxiliary power |
J36 |
Chassis fan power |
JT3A |
|
Ultra II SCSI interface |
JA1 |
32-bit PCI slots |
PC1 PC5 |
|
Ultra Wide SCSI interface |
JA2 |
RAID slot |
SL1 |
|
Ultra SCSI interface |
JA4 |
SCSI interface LED |
SLED |
|
External battery |
JBT2 |
Wake on LAN connector |
WOL |
|
USER CONFIGURABLE SETTINGS | |||
|
Function |
Label |
Position | |
|
Overheat buzzer disabled |
BZON |
Open | |
|
Overheat buzzer enabled |
BZON |
Closed | |
|
» |
CMOS memory normal operation |
JBT1 |
Pins 1 & 2 closed |
|
CMOS memory clear |
JBT1 |
Pins 2 & 3 closed | |
|
» |
Factory configured - do not alter |
JL2 |
Unidentified |
|
» |
Factory configured - do not alter |
JP16 |
Unidentified |
|
» |
Factory configured - do not alter |
JP18 |
Unidentified |
|
» |
BIOS CTL PD state |
JP20 |
Pins 2 & 3 closed |
|
PIIX CTL PD state |
JP20 |
Pins 1 & 2 closed | |
|
» |
Factory configured - do not alter |
JPR1 |
Unidentified |
|
» |
Factory configured - do not alter |
JPWP |
Unidentified |
|
» |
Factory configured - do not alter |
JTM |
Unidentified |
|
SCSI termination enabled |
STE |
Closed | |
|
SCSI termination disabled |
STE |
Open | |
|
DIMM CONFIGURATION | ||||
|
Size |
Bank 0 |
Bank 1 |
Bank 2 |
Bank 3 |
|
8MB |
(1) 1M x 64 |
None |
None |
None |
|
16MB |
(1) 2M x 64 |
None |
None |
None |
|
16MB |
(1) 1M x 64 |
(1) 1M x 64 |
None |
None |
|
24MB |
(1) 2M x 64 |
(1) 1M x 64 |
None |
None |
|
24MB |
(1) 1M x 64 |
(1) 1M x 64 |
(1) 1M x 64 |
None |
|
32MB |
(1) 4M x 64 |
None |
None |
None |
|
32MB |
(1) 2M x 64 |
(1) 2M x 64 |
None |
None |
|
32MB |
(1) 1M x 64 |
(1) 1M x 64 |
(1) 1M x 64 |
(1) 1M x 64 |
|
40MB |
(1) 4M x 64 |
(1) 1M x 64 |
None |
None |
|
48MB |
(1) 4M x 64 |
(1) 2M x 64 |
None |
None |
|
48MB |
(1) 2M x 64 |
(1) 2M x 64 |
(1) 2M x 64 |
None |
|
64MB |
(1) 2M x 64 |
(1) 2M x 64 |
(1) 2M x 64 |
(1) 2M x 64 |
|
64MB |
(1) 8M x 64 |
None |
None |
None |
|
64MB |
(1) 4M x 64 |
(1) 4M x 64 |
None |
None |
|
72MB |
(1) 8M x 64 |
(1) 1M x 64 |
None |
None |
|
80MB |
(1) 8M x 64 |
(1) 2M x 64 |
None |
None |
|
96MB |
(1) 8M x 64 |
(1) 4M x 64 |
None |
None |
|
96MB |
(1) 4M x 64 |
(1) 4M x 64 |
(1) 4M x 64 |
None |
|
128MB |
(1) 16M x 64 |
None |
None |
None |
|
128MB |
(1) 8M x 64 |
(1) 8M x 64 |
None |
None |
|
128MB |
(1) 4M x 64 |
(1) 4M x 64 |
(1) 4M x 64 |
(1) 4M x 64 |
|
136MB |
(1) 16M x 64 |
(1) 1M x 64 |
None |
None |
|
144MB |
(1) 16M x 64 |
(1) 2M x 64 |
None |
None |
|
176MB |
(1) 16M x 64 |
(1) 2M x 64 |
(1) 2M x 64 |
(1) 2M x 64 |
|
192MB |
(1) 16M x 64 |
(1) 8M x 64 |
None |
None |
|
192MB |
(1) 8M x 64 |
(1) 8M x 64 |
(1) 8M x 64 |
None |
|
256MB |
(1) 32M x 64 |
None |
None |
None |
|
256MB |
(1) 16M x 64 |
(1) 16M x 64 |
None |
None |
|
256MB |
(1) 8M x 64 |
(1) 8M x 64 |
(1) 8M x 64 |
(1) 8M x 64 |
|
272MB |
(1) 16M x 64 |
(1) 16M x 64 |
(1) 1M x 64 |
(1) 1M x 64 |
|
280MB |
(1) 32M x 64 |
(1) 1M x 64 |
(1) 1M x 64 |
(1) 1M x 64 |
|
288MB |
(1) 16M x 64 |
(1) 16M x 64 |
(1) 2M x 64 |
(1) 2M x 64 |
|
320MB |
(1) 16M x 64 |
(1) 16M x 64 |
(1) 4M x 64 |
(1) 4M x 64 |
|
384MB |
(1) 16M x 64 |
(1) 16M x 64 |
(1) 16M x 64 |
None |
|
DIMM CONFIGURATION (CONT) | ||||
|
Size |
Bank 0 |
Bank 1 |
Bank 2 |
Bank 3 |
|
448MB |
(1) 32M x 64 |
(1) 8M x 64 |
(1) 8M x 64 |
(1) 8M x 64 |
|
512MB |
(1) 64M x 64 |
None |
None |
None |
|
512MB |
(1) 32M x 64 |
(1) 32M x 64 |
None |
None |
|
512MB |
(1) 16M x 64 |
(1) 16M x 64 |
(1) 16M x 64 |
(1) 16M x 64 |
|
640MB |
(1) 32M x 64 |
(1) 16M x 64 |
(1) 16M x 64 |
(1) 16M x 64 |
|
768MB |
(1) 32M x 64 |
(1) 32M x 64 |
(1) 32M x 64 |
None |
|
1024MB |
(1) 64M x 64 |
(1) 64M x 64 |
None |
None |
|
1024MB |
(1) 32M x 64 |
(1) 32M x 64 |
(1) 32M x 64 |
(1) 32M x 64 |
|
1536MB |
(1) 64M x 64 |
(1) 64M x 64 |
(1) 64M x 64 |
None |
|
2048MB |
(1) 64M x 64 |
(1) 64M x 64 |
(1) 64M x 64 |
(1) 64M x 64 |
|
Note: Board accepts SDRAM memory. | ||||
|
CACHE CONFIGURATION |
|
Note: 1024KB cache is located on the Pentium II CPU. |
|
CPU SPEED SELECTION | |||||||
|
CPU speed |
Clock speed |
Multiplier |
JB1 |
JB2 |
JB3 |
JB4 |
JP11 |
|
400MHz |
100MHz |
4x |
Closed |
Closed |
Open |
Closed |
1 & 2 |
|
450MHz |
100MHz |
4.5x |
Open |
Closed |
Open |
Closed |
1 & 2 |
|
Note: Pins designated should be in the closed position. | |||||||