VEXTREC
GMB-P6LIAK (VER. 1.04)
|
Device Type |
Mainboard |
|
Processor |
Pentium II |
|
Processor Speed |
233/266/300/333MHz |
|
Chip Set |
Intel 440LX |
|
Maximum Onboard Memory |
512MB (EDO & SDRAM supported) |
|
BIOS |
Unidentified |
|
I/O Options |
32-bit PCI slots (4), floppy drive interface, IDE interface, parallel port, PS/2 mouse port, serial ports (2) |
|
Dimensions |
305mm x 217mm |
|
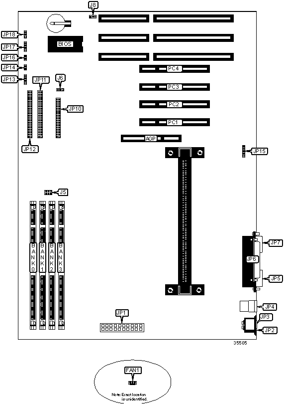
CONNECTIONS | |||
|
Purpose |
Location |
Purpose |
Location |
|
CPU fan power |
FAN1 |
IDE interface 1 |
JP11 |
|
ATX power connector |
JP1 |
IDE interface 2 |
JP12 |
|
AT keyboard port |
JP2 |
IDE interface LED |
JP13 |
|
PS/2 mouse port |
JP3 |
Power on/off switch connector |
JP14 |
|
USB connector |
JP4 |
IR connector |
JP15 |
|
Serial port 1 |
JP5 |
Reset switch |
JP16 |
|
Parallel port |
JP6 |
Speaker |
JP17 |
|
Serial port 2 |
JP7 |
Power LED |
JP18 |
|
Floppy drive interface |
JP10 |
32-bit PCI slots |
PC1 - PC4 |
|
USER CONFIGURABLE SETTINGS | |||
|
Function |
Label |
Position | |
|
» |
CMOS memory normal operation |
J6 |
Pins 1 & 2 closed |
|
CMOS memory clear |
J6 |
Pins 2 & 3 closed | |
|
» |
Flash BIOS voltage select 5v |
J8 |
Pins 1 & 2 closed |
|
Flash BIOS voltage select 12v |
J8 |
Pins 2 & 3 closed | |
|
DRAM CONFIGURATION | ||||
|
Size |
Bank 0 |
Bank 1 |
Bank 2 |
Bank 3 |
|
8MB |
(1) 1MB x 64 |
None |
None |
None |
|
16MB |
(1) 1MB x 64 |
(1) 1MB x 64 |
None |
None |
|
16MB |
(1) 2MB x 64 |
None |
None |
None |
|
24MB |
(1) 1MB x 64 |
(1) 1MB x 64 |
(1) 1MB x 64 |
None |
|
24MB |
(1) 2MB x 64 |
(1) 1MB x 64 |
None |
None |
|
32MB |
(1) 1MB x 64 |
(1) 1MB x 64 |
(1) 1MB x 64 |
(1) 1MB x 64 |
|
32MB |
(1) 2MB x 64 |
(1) 2MB x 64 |
None |
None |
|
32MB |
(1) 4MB x 64 |
None |
None |
None |
|
32MB |
(1) 2MB x 64 |
(1) 1MB x 64 |
(1) 1MB x 64 |
None |
|
48MB |
(1) 2MB x 64 |
(1) 2MB x 64 |
(1) 2MB x 64 |
None |
|
48MB |
(1) 4MB x 64 |
(1) 2MB x 64 |
None |
None |
|
64MB |
(1) 2MB x 64 |
(1) 2MB x 64 |
(1) 2MB x 64 |
(1) 2MB x 64 |
|
64MB |
(1) 4MB x 64 |
(1) 4MB x 64 |
None |
None |
|
64MB |
(1) 8MB x 64 |
None |
None |
None |
|
64MB |
(1) 4MB x 64 |
(1) 2MB x 64 |
(1) 2MB x 64 |
None |
|
96MB |
(1) 4MB x 64 |
(1) 4MB x 64 |
(1) 4MB x 64 |
None |
|
96MB |
(1) 8MB x 64 |
(1) 4MB x 64 |
None |
None |
|
120MB |
(1) 8MB x 64 |
(1) 4MB x 64 |
(1) 2MB x 64 |
(1) 1MB x 64 |
|
128MB |
(1) 4MB x 64 |
(1) 4MB x 64 |
(1) 4MB x 64 |
(1) 4MB x 64 |
|
128MB |
(1) 8MB x 64 |
(1) 8MB x 64 |
None |
None |
|
128MB |
(1) 16MB x 64 |
None |
None |
None |
|
128MB |
(1) 8MB x 64 |
(1) 4MB x 64 |
(1) 4MB x 64 |
None |
|
192MB |
(1) 8MB x 64 |
(1) 8MB x 64 |
(1) 8MB x 64 |
None |
|
192MB |
(1) 16MB x 64 |
(1) 8MB x 64 |
None |
None |
|
DRAM CONFIGURATION (CONT.) | ||||
|
Size |
Bank 0 |
Bank 1 |
Bank 2 |
Bank 3 |
|
240MB |
(1) 16MB x 64 |
(1) 8MB x 64 |
(1) 4MB x 64 |
(1) 2MB x 64 |
|
256MB |
(1) 8MB x 64 |
(1) 8MB x 64 |
(1) 8MB x 64 |
(1) 8MB x 64 |
|
256MB |
(1) 16MB x 64 |
(1) 16MB x 64 |
None |
None |
|
256MB |
(1) 32MB x 64 |
None |
None |
None |
|
256MB |
(1) 16MB x 64 |
(1) 8MB x 64 |
(1) 8MB x 64 |
None |
|
384MB |
(1) 16MB x 64 |
(1) 16MB x 64 |
(1) 16MB x 64 |
None |
|
384MB |
(1) 32MB x 64 |
(1) 16MB x 64 |
None |
None |
|
448MB |
(1) 32MB x 64 |
(1) 16MB x 64 |
(1) 8MB x 64 |
(1) 4MB x 64 |
|
512MB |
(1) 16MB x 64 |
(1) 16MB x 64 |
(1) 16MB x 64 |
(1) 16MB x 64 |
|
512MB |
(1) 32MB x 64 |
(1) 32MB x 64 |
None |
None |
|
512MB |
(1) 32MB x 64 |
(1) 16MB x 64 |
(1) 16MB x 64 |
None |
|
768MB |
(1) 32MB x 64 |
(1) 32MB x 64 |
(1) 32MB x 64 |
None |
|
1024MB |
(1) 32MB x 64 |
(1) 32MB x 64 |
(1) 32MB x 64 |
(1) 32MB x 64 |
|
CPU SPEED SELECTION (PENTIUM) | |||||
|
CPU Speed |
Clock Speed |
Multiplier |
JP5/pins 1 & 2 |
JP5/pins 3 & 4 |
JP5/pins 5 & 6 |
|
233MHz |
66MHz |
3.5x |
Open |
Open |
Closed |
|
266MHz |
66MHz |
4.0x |
Closed |
Closed |
Open |
|
300MHz |
66MHz |
4.5x |
Open |
Closed |
Open |
|
333MHz |
66MHz |
5.0x |
Closed |
Open |
Open |