ZIDA TECHNOLOGIES, INC.
EX98 (VER. 1.40)
|
Device Type |
Mainboard |
|
Processor |
Pentium II/Celeron |
|
Processor Speed |
233/266/300/333MHz |
|
Chip Set |
Intel 440LX/EX |
|
Video Chip Set |
None |
|
Maximum Onboard Memory |
256MB (SDRAM supported) |
|
Maximum Video Memory |
None |
|
Cache |
512KB (located on Pentium II CPU) |
|
BIOS |
AMI |
|
Dimensions |
254mm x 218mm |
|
I/O Options |
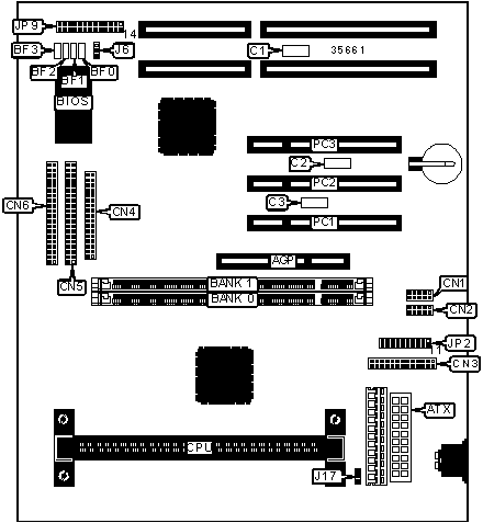
32-bit PCI slots (3), floppy drive interface, green PC connector, IDE interfaces (2), parallel port, PS/2 mouse interface, serial ports (2), IR connector, USB connectors (2), ATX power connector, AGP slot |
|
CONNECTIONS | |||
|
Purpose |
Location |
Purpose |
Location |
|
AGP slot |
AGP |
USB connector 1 |
JP2/pins 1 5 |
|
ATX power connector |
ATX |
PS/2 mouse port |
JP2/pins 6 10 |
|
TB-link connector |
C1 |
USB connector 2 |
JP2/pins 11 15 |
|
Wake up link connector |
C2 |
IR connector |
JP2/pins 16 - 20 |
|
TB/SB-link connector |
C3 |
Power LED & keylock |
JP9/pins 1 5 |
|
Serial port 2 |
CN1 |
Green PC connector |
JP9/pins 7 & 8 |
|
Serial port 1 |
CN2 |
Speaker |
JP9/pins 10 13 |
|
Parallel port |
CN3 |
IDE interface LED |
JP9/pins 14 & 15 |
|
Floppy drive interface |
CN4 |
Soft off power supply |
JP9/pins 17 & 18 |
|
IDE interface 2 |
CN5 |
Reset switch |
JP9/pins 22 & 23 |
|
IDE interface 1 |
CN6 |
Turbo LED |
JP9/pins 25 & 26 |
|
CPU fan power |
J17 |
32-bit PCI slots |
PC1 PC3 |
|
USER CONFIGURABLE SETTINGS | |||
|
Function |
Label |
Position | |
|
» |
Factory configured - do not alter |
BF0 |
Unidentified |
|
» |
Factory configured - do not alter |
BF1 |
Unidentified |
|
» |
Factory configured - do not alter |
BF2 |
Unidentified |
|
» |
Factory configured - do not alter |
BF3 |
Unidentified |
|
» |
Factory configured - do not alter |
J6 |
Unidentified |
|
DIMM CONFIGURATION | ||
|
Size |
Bank 0 |
Bank 1 |
|
8MB |
(1) 1M x 64 |
None |
|
16MB |
(1) 2M x 64 |
None |
|
16MB |
(1) 1M x 64 |
(1) 1M x 64 |
|
24MB |
(1) 2M x 64 |
(1) 1M x 64 |
|
32MB |
(1) 4M x 64 |
None |
|
32MB |
(1) 2M x 64 |
(1) 2M x 64 |
|
40MB |
(1) 4M x 64 |
(1) 1M x 64 |
|
48MB |
(1) 4M x 64 |
(1) 2M x 64 |
|
64MB |
(1) 8M x 64 |
None |
|
64MB |
(1) 4M x 64 |
(1) 4M x 64 |
|
72MB |
(1) 8M x 64 |
(1) 1M x 64 |
|
DIMM CONFIGURATION (CONT) | ||
|
Size |
Bank 0 |
Bank 1 |
|
80MB |
(1) 8M x 64 |
(1) 2M x 64 |
|
96MB |
(1) 8M x 64 |
(1) 4M x 64 |
|
128MB |
(1) 16M x 64 |
None |
|
128MB |
(1) 8M x 64 |
(1) 8M x 64 |
|
136MB |
(1) 16M x 64 |
(1) 1M x 64 |
|
144MB |
(1) 16M x 64 |
(1) 2M x 64 |
|
160MB |
(1) 16M x 64 |
(1) 4M x 64 |
|
192MB |
(1) 16M x 64 |
(1) 8M x 64 |
|
256MB |
(1) 16M x 64 |
(1) 16M x 64 |
|
Note: Board accepts SDRAM memory. | ||
|
CACHE CONFIGURATION |
|
Note: 512KB cache is located on the Pentium II CPU. |