CABLETRON SYSTEMS, INC.

TPT-D4

Device Type

Redundant Transceiver

NIC Type

Ethernet

Maximum Onboard Memory

Unidentified

Boot ROM

Not available

Network Transfer Rate

10Mbps

Topology

Star

Wiring Type

Unshielded twisted pair

Data Bus

External

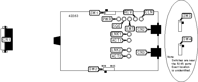
CONNECTIONS

Function

Label

Function

Label

AUI transceiver via DB-15

CN1

RJ-45 UTP connector (port 2)

CN3

RJ-45 UTP connector (port 1)

CN2

   

USER CONFIGURABLE SETTINGS

Function

Label

Position

»

SQE test function disabled

SW1

Off

 

SQE test function enabled

SW1

On

 

Waits for data for approximately 2sec before switching to redundant port

SW2

MIN

 

Waits for data for approximately 10sec before switching to redundant port

SW2

MAX

Note: SW2 should be set to MIN when attached to a high-activity network. The MAX setting should be used with a low-activity network.

PORT 1 PIN CONFIGURATION

Setting

SW3

Crossover enabled

On

Straight-through enabled

Off

PORT 2 PIN CONFIGURATION

Setting

SW4

Crossover enabled

On

Straight-through enabled

Off

DIAGNOSTIC LED(S)

LED

Color

Status

Condition

PWR

Green

On

Power is on

PWR

Green

Off

Power is off

SQE

Yellow

On

Signal Quality Error test function is enabled

SQE

Yellow

Off

Signal Quality Error test function is disabled

XMT

Green

Blinking

Data is being transmitted

XMT

Green

Off

Data is not being transmitted

RCV

Yellow

Blinking

Data is being received

RCV

Yellow

Off

Data is not being received

CLN

Red

Blinking

Collision detected on network

CLN

Red

Off

No collision detected on network

LNK1

Green

On

Port 1 UTP link is good

LNK1

Green

Off

Port 1 UTP link is broken

ACT1

Yellow

On

Port 1 is handling network traffic

ACT1

Yellow

Off

Port 1 is not handling network traffic

ACT1

Yellow

Blinking (slow)

Port 1 is idle. Time out is set to 10 seconds

ACT1

Yellow

Blinking (fast)

Port 1 is idle. Time out is set to 2 seconds

LNK2

Green

On

Port 2 UTP link is good

LNK2

Green

Off

Port 2 UTP link is broken

ACT2

Yellow

On

Port 2 is handling network traffic

ACT2

Yellow

Off

Port 2 is not handling network traffic

ACT2

Yellow

Blinking (slow)

Port 2 is idle. Time out is set to 10 seconds

ACT2

Yellow

Blinking (fast)

Port 2 is idle. Time out is set to 2 seconds