LANTECH COMPUTER COMPANY
PCI-NET/32
|
Card Type |
Network Interface Card |
|
NIC Type |
Ethernet |
|
Maximum Onboard Memory |
Unidentified |
|
Boot ROM |
Available |
|
Network Transfer Rate |
10Mbps (20Mbps full duplex) |
|
Topology |
Linear Bus, Star |
|
Wiring Type |
Unshielded twisted pair RG-58A/U 50ohm coaxial |
|
Data Bus |
32-bit PCI |
|
CONNECTIONS | |||
|
Function |
Label |
Function |
Label |
|
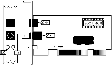
RJ-45 UTP connector |
CN1 |
RG-58A/U BNC connector |
CN2 |
|
DIAGNOSTIC LED(S) | |||
|
LED |
Color |
Status |
Condition |
|
TX |
Unidentified |
Blinking |
Data is being transmitted |
|
TX |
Unidentified |
Off |
Data is not being transmitted |
|
LK |
Unidentified |
On |
Data is either being received or a link-integrity pulse has been detected |
|
LK |
Unidentified |
Off |
Data is not being received |