STANDARD MICROSYSTEMS CORPORATION
EtherCard PLUS Elite
|
NIC Type |
Ethernet |
|
Transfer Rate |
10Mbps |
|
Data Bus |
8-bit ISA |
|
Topology |
Linear Bus |
|
Wiring Type |
RG-58A/U 50ohm coaxial AUI transceiver via DB-15 port |
|
Boot ROM |
Available |
|
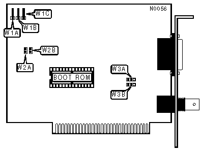
NETWORK CARD CONFIGURATION | ||||||
|
Address |
IRQ |
Base Address |
W1A |
W1B |
W1C | |
| » |
280h |
3 |
D0000h |
Open |
Closed |
Open |
|
300h |
5 |
CA000h |
Open |
Open |
Closed | |
|
Software select |
Software select |
Software select |
Closed |
Open |
Open | |
|
BOOT ROM ADDRESS | |||
|
Address |
W2A |
W2B | |
| » |
Software select/None |
Closed |
Open |
|
D8000h |
Open |
Closed | |
|
CABLE TYPE | |||
|
Type |
W3A |
W3B | |
| » |
RG--58A/U 50ohm coaxial |
Pins 1 & 2 closed |
Pins 1 & 2 closed |
|
AUI transceiver via DB-15 port |
Pins 2 & 3 closed |
Pins 2 & 3 closed | |