STANDARD MICROSYSTEMS CORPORATION
EtherCard PLUS Elite10T
|
NIC Type |
Ethernet |
|
Transfer Rate |
10Mbps |
|
Data Bus |
8-bit ISA |
|
Topology |
Linear bus Star |
|
Wiring Type |
Unshielded twisted pair AUI transceiver via DB-15 port |
|
Boot ROM |
Available |

|
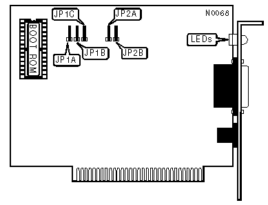
NETWORK CARD CONFIGURATION |
||||||
|
I/O Base Address |
IRQ |
Base Address |
JP1A |
JP1B |
JP1C |
|
|
» |
280h |
3 |
D0000h |
Open |
Closed |
Open |
|
|
300h |
5 |
CA000h |
Open |
Open |
Closed |
|
|
Software setup |
Software setup |
Software setup |
Closed |
Open |
Open |
|
BOOT ROM ADDRESS |
|||
|
Setting |
JP2A |
JP2B |
|
|
» |
Software Setup/Disabled |
Closed |
Open |
|
|
D8000h |
Open |
Closed |

|
DIAGNOSTIC LED(S) |
||
|
LED |
Status |
Condition |
|
LED1 |
On |
Twisted pair network connection is good |
|
LED1 |
Off |
Twisted pair network connection is broken |
|
LED2 |
On |
Data is being transmitted |
|
LED2 |
Off |
Data is not being transmitted |
|
LED3 |
On |
Data is being received |
|
LED3 |
Off |
Data is not being received |