3COM CORPORATION
US ROBOTICS WINMODEM 28.8
|
Card Type |
Fax, Modem (asynchronous) |
|
Chip Set |
U.S. Robotics |
|
Maximum Data Rate |
28.8Kbps |
|
Maximum Fax Rate |
14.4Kbps |
|
Data Bus |
8-bit ISA |
|
Fax Class |
Class I & II |
|
Data Modulation Protocol |
Bell 103/212A ITU-T V.21, V.22, V.22bis, V.23, V.25, V.32, V.32bis, V.34 |
|
Fax Modulation Protocol |
ITU-T V.17, V.21CH2, V.27ter, V.29 |
|
Error Correction/Compression |
MNP5, V.42, V.42bis |

|
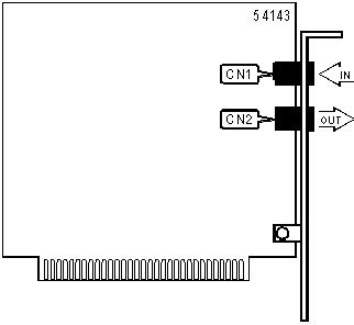
CONNECTIONS | ||||||
|
Function |
Label |
Function |
Label | |||
|
Line in |
CN1 |
Line out |
CN2 | |||
Proprietary AT Command Set
|
ANSWER | |
|
Type: |
Immediate |
|
Format: |
AT [cmds] A |
|
Description: |
Enables manual answer mode, the modem goes off-hook; pressing any key will abort. |
|
ABORT | |
|
Type: |
Immediate |
|
Format: |
Any key |
|
Description: |
Aborts answering/originating a call; modem hangs up. |
|
ANSWER SEQUENCE | |
|
Type: |
Configuration |
|
Format: |
AT [cmds] Bn [cmds] |
|
Description: |
Selects the answer sequence the modem will use |
|
Command |
Function |
|
í B0 |
ITU-T answer sequence enabled |
|
B1 |
U.S.(Bell) answer sequence enabled |
|
ATTENTION | |
|
Type: |
Immediate |
|
Format: |
AT [cmds] |
|
Description: |
Tells the modem that a command follows or use alone to test OK result code |
|
BIT-MAPPED REGISTER S13 | ||
|
Format |
AT [cmds] S13=n [cmds] | |
|
Default: |
0 | |
|
Range: |
0-159 | |
|
Unit: |
Bit-mapped | |
|
Description: |
Controls DTR reset, non-error-correcting mode buffer, DTR dialing, reset dialing, and disconnect. | |
|
Bit |
Value |
Function |
|
0 |
í 01 |
DTR normal Reset on low DTR |
|
1 |
í 01 |
Non-error-correcting mode transmit buffer set to 1.5KB Non-error-correcting mode transmit buffer set to 128 bytes |
|
2 |
í 01 |
Use backspace key for delete disabled Use backspace key for delete enabled |
|
3 |
í 01 |
DTR dialing disabled DTR dialing enabled |
|
4 |
í 01 |
Reset dialing disabled Reset dialing enabled, dials number at position 0 in NVRAM. |
|
6, 5 |
í 00 |
Not used |
|
7 |
í 01 |
Disconnect as normal Disconnect on escape code |
|
BIT-MAPPED REGISTER S15 | ||
|
Format |
AT [cmds] S15=n [cmds] | |
|
Default: |
0 | |
|
Range: |
0-255 | |
|
Unit: |
Bit-mapped | |
|
Description: |
Controls ARQ/MNP for V.22/22bis/32/32bis/32terbo, V.42 detection, MNP4 and 3, and MNP incompatibility. | |
|
Bit |
Value |
Function |
|
0 |
í 01 |
Error correction and data compression enabled for V.22 Error correction and data compression disabled for V.22 |
|
1 |
í 01 |
Error correction and data compression enabled for V.22bis Error correction and data compression disabled for V.22bis |
|
2 |
í 01 |
Error correction and data compression enabled for V.32/32bis/32terbo Error correction and data compression disabled for V.32/32bis/32terbo |
|
7, 3 |
í 00 |
V.42 detection disabled |
|
4 |
í 01 |
MNP 4 enabled MNP 4 disabled |
|
5 |
í 01 |
MNP 3 enabled MNP 3 disabled |
|
6 |
í 01 |
MNP normal MNP adjusted for non compliant modems |
|
BIT-MAPPED REGISTER S27 | ||
|
Format |
AT [cmds] S27=n [cmds] | |
|
Default: |
0 | |
|
Range: |
0-191 | |
|
Unit: |
Bit-mapped | |
|
Description: |
Controls V.21, V.32 encoding and modulation, V.42 answer tone and handshake, and 9600 result codes. | |
|
Bit |
Value |
Function |
|
0 |
í 01 |
V.21 disabled V.21 enabled |
|
1 |
í 01 |
V.32 non-trellis coding disabled V.32 non-trellis coding enabled |
|
2 |
í 01 |
V.32 modulation enabled V.32 modulation disabled |
|
3 |
í 01 |
2100Hz answer tone enabled 2100Hz answer tone disabled |
|
4 |
í 01 |
V.23 fallback mode disabled V.23 fallback mode enabled |
|
5 |
í 01 |
V.32bis enabled V.32bis disabled |
|
6 |
í 0 |
Not used |
|
7 |
í 01 |
Actual result codes displayed Force 9600 result codes |
|
BIT-MAPPED REGISTER S32 | |||||
|
Format: |
AT [cmds] S32=n [cmds] | ||||
|
Default: |
2 | ||||
|
Range: |
0-27 | ||||
|
Description: |
Controls call indicate, V.8, V.34, and 33.6Kbps support | ||||
|
Note: For 28.8 models | |||||
|
Bit |
Value |
Function | |||
|
0 |
0 1 |
Call indicate during V.34 operation disabled Call indicate during V.34 operation enabled | |||
|
1 |
0 í 1 |
V.8 during V.34 operation disabled V.8 during V.34 operation enabled | |||
|
2 |
í 0 |
Not used | |||
|
3 |
í 01 |
V.34 enabled V.34 disabled | |||
|
4 |
í 01 |
33.6Kbps support enabled 33.6Kbps support disabled | |||
|
BIT-MAPPED REGISTER S33 | ||
|
Format: |
AT [cmds] S33=n [cmds] | |
|
Default: |
0 | |
|
Range: |
0-191 | |
|
Description: |
Controls baud rate and shaping. | |
|
Note: For 28.8 models | ||
|
Bit |
Value |
Function |
|
0 |
í 01 |
2400 baud rate enabled 2400 baud rate disabled |
|
1 |
í 01 |
2743 baud rate enabled 2743 baud rate disabled |
|
2 |
í 01 |
2800 baud rate enabled 2800 baud rate disabled |
|
3 |
í 01 |
3000 baud rate enabled 3000 baud rate disabled |
|
4 |
í 01 |
3200 baud rate enabled 3200 baud rate disabled |
|
5 |
í 01 |
3429 baud rate enabled 3429 baud rate disabled |
|
6 |
í 0 |
Not used |
|
7 |
í 01 |
Shaping enabled Shaping disabled |
|
BIT-MAPPED REGISTER S34 | ||
|
Format: |
AT [cmds] S34=n [cmds] | |
|
Default: |
0 | |
|
Range: |
0-255 | |
|
Description: |
Controls mapping, non-linear coding, TX level deviation, pre-emphasis, and pre-coding. | |
|
Note: For 28.8 models | ||
|
Bit |
Value |
Function |
|
0 |
í 01 |
8S-2D map enabled 8S-2D map disabled |
|
1 |
í 01 |
16S-4D map enabled 16S-4D map disabled |
|
2 |
í 01 |
32S-2D map enabled 32S-2D map disabled |
|
3 |
í 01 |
64S-4D map enabled 64S-4D map disabled |
|
4 |
í 01 |
Non linear coding enabled Non linear coding disabled |
|
5 |
í 01 |
TX level deviation enabled TX level deviation disabled |
|
6 |
í 01 |
Pre-emphasis enabled Pre-emphasis disabled |
|
7 |
í 01 |
Pre-coding enabled Pre-coding disabled |
|
BREAK LENGTH | |
|
Type: |
Register |
|
Format: |
AT [cmds] S21=n [cmds] |
|
Default: |
10 |
|
Range: |
Unidentified |
|
Unit: |
.01 second |
|
Description: |
Sets the length of error control mode breaks sent from DCE to DTE. |
|
BREAK TYPE | |
|
Type: |
Configuration |
|
Format: |
AT [cmds] &Yn [cmds] |
|
Description: |
Configures action of break signal |
|
Command |
Function |
|
&Y0 |
Empty buffer only |
|
í &Y1 |
Empties buffer and break is sent immediately |
|
&Y2 |
Do not empty buffer and break is sent immediately |
|
CARRIER DETECT (CD) | |
|
Type: |
Configuration |
|
Format: |
AT [cmds] &Cn [cmds] |
|
Description: |
Controls the CD signal |
|
Command |
Function |
|
&C0 |
Modem does not respond to CD signal |
|
í &C1 |
CD signal normal |
|
COMPRESSION | |
|
Type: |
Configuration |
|
Format: |
AT [cmds] &Kn [cmds] |
|
Description: |
Selects data compression |
|
Command |
Function |
|
&K0 |
Data compression disabled |
|
í &K1 |
Auto enabled/disable data compression |
|
&K2 |
Data compression enabled |
|
&K3 |
MNP5 data compression disabled |
|
CONNECTION SPEED LOWER LIMIT | |
|
Type: |
Configuration |
|
Format: |
AT [cmds] &Un [cmds] |
|
Description: |
Sets minimum required connection speed |
Note: 16.8 - 28.8bps for 28.8 models | |
|
Command |
Function |
|
í &U0 |
Disabled |
|
&U1 |
300bps |
|
&U2 |
1200bps |
|
&U3 |
2400bps |
|
&U4 |
4800bps |
|
&U5 |
7200bps |
|
&U6 |
9600bps |
|
&U7 |
12Kbps |
|
&U8 |
14.4Kbps |
|
&U9 |
16.8Kbps |
|
&U10 |
19.2Kbps |
|
&U11 |
21.6Kbps |
|
&U12 |
24Kbps |
|
&U13 |
26.4Kbps |
|
&U14 |
28.8Kbps |
|
CONNECTION SPEED UPPER LIMIT | |
|
Type: |
Configuration |
|
Format: |
AT [cmds] &Nn [cmds] |
|
Description: |
Sets maximum required connection speed, modem will hang up if it cannot connect. |
Note: 16.8 - 28.8bps for 28.8 models | |
|
Command |
Function |
|
í &N0 |
Variable |
|
&N1 |
300bps |
|
&N2 |
1200bps |
|
&N3 |
2400bps |
|
&N4 |
4800bps |
|
&N5 |
7200bps |
|
&N6 |
9600bps |
|
&N7 |
12Kbps |
|
&N8 |
14.4Kbps |
|
&N9 |
16.8Kbps |
|
&N10 |
19.2Kbps |
|
&N11 |
21.6Kbps |
|
&N12 |
24Kbps |
|
&N13 |
26.4Kbps |
|
&N14 |
28.8Kbps |
|
DATA SET READY (DSR) | |
|
Type: |
Configuration |
|
Format: |
AT [cmds] &Sn [cmds] |
|
Description: |
Selects DSR options |
|
Command |
Function |
|
í &S0 |
DSR forced high |
|
&S1 |
DSR controlled by modem |
|
DATA TERMINAL READY (DTR) | |
|
Type: |
Configuration |
|
Format: |
AT [cmds] &Dn [cmds] |
|
Description: |
Selects modem response to DTR |
|
Command |
Function |
|
&D0 |
Modem does not respond to DTR |
|
&D1 |
Modem goes to command mode after DTR toggles |
|
í &D2 |
Modem uses DTR as normal |
|
DIAL | |
|
Type: |
Immediate |
|
Format: |
AT [cmds] D<#> [cmds] |
|
Example: |
ATDT 443-3388,,,1111; |
|
Description: |
Dials telephone number according to any modifiers included in the string |
|
Note: |
Any combination of modifiers can be used to produce the desired dial functions in sequence. |
|
Command |
Function |
|
í P |
Pulse dialing enabled |
|
T |
Tone dialing enabled |
|
, |
Dialing paused for 2 seconds to a maximum amount of time specified in S8 register |
|
; |
Modem returned to command state after dialing. Can only be placed at the end of the dial command. |
|
" |
Dials letters that follow, ATDT"GOMICRO |
|
! |
Flash function initiated |
|
/ |
125 ms delay before proceeding with dial string |
|
W |
Dialing resumed following dial tone detection of second dial tone |
|
@ |
Wait for quiet answer, then procedes to execute the rest of the dial string. |
|
R |
Answer mode enabled; originate mode disabled following handshake initiation. |
|
# and * |
Extended touch tone pad tones |
|
DIAL - LAST NUMBER | |
|
Type: |
Immediate |
|
Format: |
AT [cmds] DL [cmds] |
|
Description: |
Re-dial last number dialed |
|
DIAL - STORED NUMBER | |
|
Type: |
Immediate |
|
Format: |
AT [cmds] DSn [cmds] |
|
Description: |
Dial stored number from memory location n |
|
DISCONNECT BUFFER DELAY | |
|
Type: |
Register |
|
Format |
AT [cmds] S38=n [cmds] |
|
Default: |
0 |
|
Range: |
Unidentified |
|
Unit: |
1 second |
|
Description: |
Sets maximum duration allowed during buffered data calls for modem to perform clearing functions after losing carrier-signal or receiving a clear call signal from the remote modem and before initiating hang-up process. A value of 0 will allow the modem to hanging-up after DTR drops. |
|
DTR CHANGE THRESHOLD | |
|
Type: |
Register |
|
Format |
AT [cmds] S25=n [cmds] |
|
Default: |
20 |
|
Range: |
Unidentified |
|
Unit: |
.01 second |
|
Description: |
Sets maximum time a change in the DTR signal will be ignored |
|
ECHO | |
|
Type: |
Configuration |
|
Format: |
AT [cmds] En [cmds] |
|
Description: |
Controls echo function; display keyboard commands when enabled. |
|
Command |
Function |
|
E0 |
Echo function disabled |
|
í E1 |
Echo function enabled |
|
ECHO - ON-LINE | |
|
Type: |
Configuration |
|
Format: |
AT [cmds] Fn [cmds] |
|
Description: |
Selects whether data sent while in data mode are echoed |
|
Command |
Function |
|
F0 |
Local echo enabled |
|
í F1 |
Local echo disabled |
|
ERROR CORRECTION MODE (ARQ) | |
|
Type: |
Configuration |
|
Format: |
AT [cmds] &Mn [cmds] |
|
Description: |
Selects active error correction protocols |
|
Command |
Function |
|
&M0 |
Normal mode only |
|
í &M4 |
Auto-detect mode |
|
&M5 |
ARQ mode only |
|
ESCAPE SEQUENCE | |
|
Type: |
Immediate |
|
Format: |
+++AT [cmds] <CR> |
|
Description: |
Initiates the escape sequence and returns the modem to the on-line command state if it receives three escape characters set in S2 within the time allotted by S12. |
Note: Do not precede this command with AT. | |
|
EXTENDED RESULT CODES | |
|
Type: |
Configuration |
|
Format: |
AT [cmds] &An [cmds] |
|
Description: |
Selects extended result codes |
|
Command |
Function |
|
&A0 |
Extended result codes disabled |
|
&A1 |
ARQ result codes enabled |
|
&A2 |
ARQ result codes enabled and V.32 result code added |
|
í &A3 |
Error control and compression result codes enabled |
|
FACTORY DEFAULT PROFILE | ||
|
Type: |
Configuration | |
|
Format: |
AT [cmds] &Fn [cmds] | |
|
Description: |
Loads values in active profile to values found in the default profile, which are READ-ONLY. | |
|
Command |
Function | |
|
&F0 |
Generic template | |
|
í &F1 |
Hardware flow control template | |
|
&F2 |
Software flow control template | |
|
FLOW CONTROL CHARACTER - XOFF | |
|
Type: |
Register |
|
Format: |
AT [cmds] S23=n [cmds] |
|
Default: |
19 |
|
Range: |
0-127 |
|
Unit: |
ASCII |
|
Description: |
Sets the character used to represent XOFF. |
|
FLOW CONTROL CHARACTER - XON | |
|
Type: |
Register |
|
Format: |
AT [cmds] S22=n [cmds] |
|
Default: |
17 |
|
Range: |
0-127 |
|
Unit: |
ASCII |
|
Description: |
Sets the character used to represent XON. |
|
FLOW CONTROL PASSTHROUGH | |
|
Type: |
Configuration |
|
Format: |
AT [cmds] &In [cmds] |
|
Description: |
Allows modem to act on, then transmit XON/XOFF characters. |
|
Command |
Function |
|
í &I0 |
Software flow control disabled |
|
&I1 |
XON/XOFF pass-through enabled |
|
&I2 |
XON/XOFF pass-through disabled |
|
FLOW CONTROL TYPE - RECEIVE DATA | |
|
Type: |
Configuration |
|
Format: |
AT [cmds] &Rn [cmds] |
|
Description: |
Controls receive data hardware flow control and RTS signals |
|
Command |
Function |
|
&R1 |
Modem ignores RTS |
|
í &R2 |
Received data to DTE when RTS is on |
|
FLOW CONTROL TYPE - TRANSMIT DATA | |
|
Type: |
Configuration |
|
Format: |
AT [cmds] &Hn [cmds] |
|
Description: |
Sets type of flow control used by modem |
|
Command |
Function |
|
&H0 |
Flow control disabled |
|
í &H1 |
CTS/RTS flow control enabled |
|
&H2 |
XON/XOFF flow control enabled |
|
&H3 |
CTS/RTS and XON/XOFF flow control enabled |
|
GUARD TONE | |
|
Type: |
Configuration |
|
Format: |
AT [cmds] &Gn [cmds] |
|
Description: |
Commands the modem to transmit a guard tone |
Note: Used primarily for international data transmission | |
|
Command |
Function |
|
í &G0 |
Guard tone disabled |
|
&G1 |
550Hz guard tone enabled |
|
&G2 |
1800Hz guard tone enabled |
|
HELP SCREEN - CONTROLS | ||
|
Type: |
Immediate | |
|
Format: |
<Ctrl> C, K or S | |
|
Description: |
Cancel or starts/restarts help screens | |
|
Command |
Function | |
|
<Ctrl> C |
Display of help screen canceled | |
|
<Ctrl> K |
Display of help screen canceled | |
|
<Ctrl> S |
Starts/restarts help screens | |
|
HOOK CONTROL | |
|
Type: |
Immediate |
|
Format: |
AT [cmds] Hn [cmds] |
|
Description: |
Selects whether the modem is on-hook or off-hook |
|
Command |
Function |
|
H0 |
Modem commanded to go on-hook (hang-up) |
|
H1 |
Modem commanded to go off-hook (pick-up) |
|
INACTIVITY TIMER | |
|
Type: |
Register |
|
Format: |
AT [cmds] S19=n [cmds] |
|
Default: |
0 |
|
Range: |
Unidentified |
|
Unit: |
1 minute |
|
Description: |
Sets the length of time that the modem does not receive information before it disconnects. |
|
LIST AMPERSAND COMMANDS | |
|
Type: |
Immediate |
|
Format: |
AT [cmds] &$ [cmds] |
|
Description: |
Displays ampersand (&) commands |
|
LIST DIAL COMMANDS | |
|
Type: |
Immediate |
|
Format: |
AT [cmds] D$ [cmds] |
|
Description: |
Displays dial commands |
|
LIST S-REGISTERS | |
|
Type: |
Immediate |
|
Format: |
AT [cmds] S$ [cmds] |
|
Description: |
Displays the S-registers |
|
LOCK SERIAL PORT | |
|
Type: |
Configuration |
|
Format: |
AT [cmds] &Bn [cmds] |
|
Description: |
Not used. Modem follows COM port speed if it changes, even while on-line. |
|
ON-LINE | |
|
Type: |
Immediate |
|
Format: |
AT [cmds] On [cmds] |
|
Description: |
Controls on-line command (data transmission) mode options. |
Note: The O command must be placed at the end of the command string. | |
|
Command |
Function |
|
O0 |
On-line command mode with no retraining enabled |
|
O1 |
On-line command mode with retraining enabled |
|
ON-LINE HELP | |
|
Type: |
Immediate |
|
Format: |
AT [cmds] $ [cmds] |
|
Description: |
On-line help; displays basic command list |
|
POWER-UP/HARD RESET CONFIGURATIONS | |
|
Type: |
Configuration |
|
Format: |
AT [cmds] Yn [cmds] |
|
Description: |
On power-up modem uses default profiles |
|
Command |
Function |
|
í Y0 |
Use default setting 0 saved in non-volatile RAM |
|
Y1 |
Use default setting 1 saved in non-volatile RAM |
|
Y2 |
Generic template |
|
Y3 |
Hardware flow control template |
|
Y4 |
Software flow control template |
|
PULSE DIALING | |
|
Type: |
Configuration |
|
Format: |
AT [cmds] P [cmds] |
|
Description: |
Enables pulse dialing |
Note: This command can be duplicated with the P modifier in the D (Dial) command. | |
|
PULSE DIALING RATIO | |
|
Type: |
Configuration |
|
Format: |
AT [cmds] &Pn [cmds] |
|
Description: |
Selects pulse dial make/break ratio |
|
Command |
Function |
|
í &P0 |
39/61ms at 10pps (North America) |
|
&P1 |
33/67ms at 10pps (Europe) |
|
REPEAT COMMAND STRING | |
|
Type: |
Configuration |
|
Format: |
AT [cmds] A> [cmds] |
|
Description: |
Causes modem to repeat command string until a keyboard key is pressed |
|
REPEAT PREVIOUS COMMAND | |
|
Type: |
Immediate |
|
Format: |
A/ |
|
Description: |
Repeats previous command, mainly used for re-dial |
Note: Do not precede this command with AT, or follow it with <CR>. | |
|
REPORT INFORMATION | |
|
Type: |
Immediate |
|
Format: |
AT [cmds] In [cmds] |
|
Description: |
Displays information requested |
|
Command |
Function |
|
I0 |
Reports 4-digit product code |
|
I1 |
Reports DSP code checksum |
|
I2 |
Reports RAM test |
|
I3 |
Reports product type |
|
I4 |
Reports current command settings |
|
I5 |
Reports NVRAM settings |
|
I6 |
Reports link diagnostics |
|
I7 |
Reports product configuration |
|
I10 |
VxD configuration |
|
RESULT CODES | |
|
Type: |
Configuration |
|
Format: |
AT [cmds] Qn [cmds] |
|
Description: |
Enables modem to send result codes to the DTE |
|
Command |
Function |
|
í Q0 |
Result code sending enabled |
|
Q1 |
Result code sending disabled |
|
Q2 |
Result code sending enabled while in originate mode |
|
RESULT CODE FORMAT | |
|
Type: |
Configuration |
|
Format: |
AT [cmds] Vn [cmds] |
|
Description: |
Selects word or numeric format for information-text and result codes |
|
Command |
Function |
|
V0 |
Numeric format enabled |
|
í V1 |
Verbose (word) format enabled |
|
SELECT CALL PROGRESS RESULT CODES | |
|
Type: |
Configuration |
|
Format: |
AT [cmds] Xn [cmds] |
|
Description: |
Enables selection of tone detection and associated result code format options |
|
Command |
Function |
|
X0 |
Busy and dial tone detection disabled; result codes 0-4 enabled. |
|
X1 |
Busy and dial tone detection disabled; result codes 0-5, 10-155 enabled. |
|
X2 |
Busy tone detection disabled, dial tone detection enabled; result codes 0-6, 10-155 enabled; also adaptive dialing, wait for second dial tone, and fast dialing enabled. |
|
X3 |
Busy tone detection enabled, dial tone detection disabled; result codes 0-5, 7-155 enabled; also adaptive dialing, and wait for answer enabled. |
|
X4 |
Busy and dial tone detection enabled; result codes 0-155 enabled; also adaptive dialing, wait for second dial tone, wait for answer, and fast dialing enabled. |
|
Note: Valid numeric result codes; 0-8, 10, 13, 18, 20, 21, 25, 43, 85, 91, 99, 103, 107, 151, and 155. | |
|
SOFT RESET | |
|
Type: |
Immediate |
|
Format: |
AT [cmds] Zn [cmds] |
|
Description: |
Restores modem profiles previously saved in non-volatile RAM |
|
Command |
Function |
|
Z0 |
Restore setting used by ATY command |
|
Z1 |
Restore setting 0 |
|
Z2 |
Restore setting 1 |
|
Z3 |
Restore factory setting 0 (AT&F0) |
|
Z4 |
Restore factory setting 1 (AT&F1) |
|
Z5 |
Restore factory setting 2 (AT&F2) |
|
SPEAKER MODE | |
|
Type: |
Configuration |
|
Format: |
AT [cmds] Mn [cmds] |
|
Description: |
Selects various speaker options |
|
Command |
Function |
|
M0 |
Speaker disabled |
|
í M1 |
Speaker enabled until carrier signal detected |
|
M2 |
Speaker enabled |
|
M3 |
Speaker enabled following dialing, then disabled after carrier signal detected. |
|
SPEAKER VOLUME | |
|
Type: |
Configuration |
|
Format: |
AT [cmds] Ln [cmds] |
|
Description: |
Controls speaker volume |
|
Command |
Function |
|
L0 |
Low volume setting |
|
L1 |
Low volume setting |
|
í L2 |
Medium volume setting |
|
L3 |
Highest volume setting |
|
STATUS-REGISTER | ||
|
Type: |
Configuration | |
|
Format: |
Read: AT [cmds] Sn? [cmds] Write: AT [cmds] Sn=x [cmds] | |
|
Description: |
Writes to or reads from a specified register | |
Note: See the section on S-registers for detailed listing of commonly used S-registers. | ||
|
Command |
Function | |
|
Sn.b=x |
Write to register bit b using values 0 (off) and 1 (on) for x | |
|
STORE ACTIVE PROFILE | |
|
Type: |
Configuration |
|
Format: |
AT [cmds] &Wn [cmds] |
|
Description: |
Writes the values for the active profile into the non-volatile RAM templates |
|
Command |
Function |
|
&W0 |
Write the active profile to stored profile 0 |
|
&W1 |
Write the active profile to stored profile 1 |
|
STORE TELEPHONE NUMBER | ||
|
Type: |
Configuration | |
|
Format: |
AT [cmds] &Zn=x | |
|
Description: |
Writes selected telephone numbers into the non-volatile memory at location n | |
Note: The characters described in the D command are valid for use in the &Z command. | ||
|
Command |
Function | |
|
&Zn=L |
Writes last executed dial string into the non-volatile memory at location n | |
|
&Zn? |
Displays phone number from non-volatile memory at location n | |
|
TEST MODES | ||
|
Type: |
Configuration | |
|
Format: |
AT [cmds] &Tn [cmds] | |
|
Description: |
Controls loopback tests, analog, digital, remote digital, and self tests. | |
|
Command |
Function | |
|
&T0 |
Testing disabled | |
|
&T1 |
Local analog loopback enabled | |
|
&T3 |
Local digital loopback enabled | |
|
&T4 |
Remote digital loopback enabled | |
|
í &T5 |
Remote digital loopback prohibited | |
|
&T6 |
Remote digital loopback initiated | |
|
&T7 |
Remote digital loopback w/ self-test and error detector in progress | |
|
&T8 |
Local analog loopback w/ self-test and error detector in progress | |
|
TEST TIMER | |
|
Type: |
Register |
|
Format |
AT [cmds] S18=n [cmds] |
|
Default: |
0 |
|
Range: |
0-255 |
|
Unit: |
1 second |
|
Description: |
Sets the maximum duration for modem tests |
Note: S18=0 disables the timer and allows an indefinite duration. | |
|
TONE DIALING | |
|
Type: |
Configuration |
|
Format: |
AT [cmds] T [cmds] |
|
Description: |
Enables tone dialing mode |
Note: This command can be duplicated with the T modifier in the D (Dial) command. | |
|
TONE DIALING TEST | |
|
Type: |
Register |
|
Format: |
AT [cmds] S16=n [cmds] |
|
Description: |
Selects the tone dialing test |
|
Command |
Function |
|
í S16=0 |
Tone dialing test disabled |
|
S16=2 |
Tone dialing test enabled |
|
V.21 - ANSWER MODE FALLBACK TIMER | |
|
Type: |
Register |
|
Format: |
AT [cmds] S29=n [cmds] |
|
Default: |
20 |
|
Range: |
Unidentified |
|
Unit: |
.1 second |
|
Description: |
Sets the length of time for V.21 answer mode fallback |
|
V.32 HANDSHAKE TIME | ||
|
Type: |
Register | |
|
Format: |
AT [cmds] S28=n [cmds] | |
|
Default: |
8 | |
|
Range: |
0-255 | |
|
Unit: |
.1 second | |
|
Description: |
Sets length of V.32 handshake | |
|
Value |
Meaning | |
|
0 |
V.32 answer tones disabled | |
|
255 |
V.32 at 9600 enabled, all other connections disabled. | |