3COM CORPORATION
SPORTSTER VI 14.4 EXT
|
Card Type |
Fax, Modem (asynchronous), Voice |
|
Chip Set |
U.S. Robotics |
|
I/O Options |
Speakerphone, Voice-mail, Voice View |
|
Maximum Data Rate |
14.4Kbps |
|
Maximum Fax Rate |
14.4Kbps |
|
Data Bus |
External |
|
Fax Class |
Class I |
|
Data Modulation Protocol |
Bell 103/212A ITU-T V.21, V.22, V.22bis, V.23, V.25, V.32, V.32bis |
|
Fax Modulation Protocol |
Unidentified |
|
Error Correction/Compression |
MNP5, V.42, V.42bis |

|
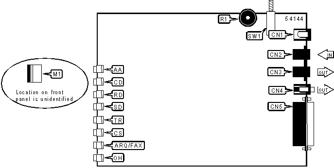
CONNECTIONS | ||||||
|
Function |
Label |
Function |
Label | |||
|
DC power |
CN1 |
RS-232/422 |
CN5 | |||
|
Line in |
CN2 |
Power switch |
SW1 | |||
|
Line out |
CN3 |
Volume |
R1 | |||
|
Speaker out |
CN4 |
Built-in microphone |
M1 | |||
|
DIAGNOSTIC LED(S) | |||
|
LED |
Color |
Status |
Condition |
|
AA |
Red |
On |
Auto-answer enabled |
|
AA |
Red |
Off |
Auto-answer disabled |
|
AA |
Red |
Blinking |
Phone is ringing |
|
CD |
Red |
On |
Carrier signal detected or CD forced high |
|
CD |
Red |
Off |
Carrier signal not detected |
|
RD |
Red |
Blinking |
Modem is receiving data |
|
RD |
Red |
Off |
Modem is not receiving data |
|
SD |
Red |
Blinking |
Modem is transmitting data |
|
SD |
Red |
Off |
Modem is not transmitting data |
|
TR |
Red |
On |
DTR signal is high |
|
TR |
Red |
Off |
DTR signal is low |
|
CS |
Red |
On |
CTS signal is high |
|
CS |
Red |
Off |
CTS signal is low |
|
ARQ/FAX |
Red |
On |
Error correction activated |
|
ARQ/FAX |
Red |
Off |
Error correction disabled |
|
ARQ/FAX |
Red |
Blinking |
Retransmitting data to remote or connected in FAX mode |
|
OH |
Red |
On |
Modem is off-hook |
|
OH |
Red |
Off |
Modem is on-hook |
Proprietary AT Command Set
See document V1932 for a full command summary.