MAXTECH CORPORATION
GMV144I
|
Card Type |
Fax, Modem (asynchronous), Voice |
|
Chip Set |
Unidentified |
|
I/O options: |
Speakerphone, Voice-mail |
|
Maximum Data Rate |
14.4Kbps |
|
Maximum Fax Rate |
14.4Kbps |
|
Data Bus |
8-bit ISA |
|
Fax Class |
Class I & II |
|
Data Modulation Protocol |
Bell 103/212A ITU-T V.22, V.22bis, V.32, V.32bis |
|
Fax Modulation Protocol |
ITU-T V.17, V.21CH2, V.27ter, V.29 |
|
Error Correction/Compression |
MNP5, V.42, V.42bis |

|
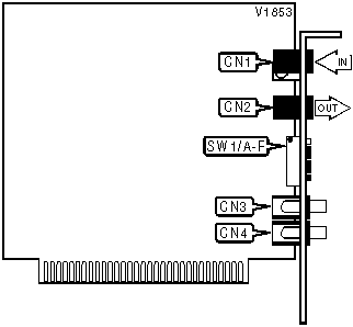
CONNECTIONS | ||||||
|
Function |
Label |
Function |
Label | |||
|
Line in |
CN1 |
Speaker out |
CN3 | |||
|
Line out |
CN2 |
Microphone in |
CN4 | |||
|
SERIAL PORT ADDRESS | ||
|
Setting |
SW1/A |
SW1/B |
|
í COM1 (3F8h) |
On |
On |
|
COM2 (2F8h) |
Off |
On |
|
COM3 (3E8h) |
On |
Off |
|
COM4 (2E8h) |
Off |
Off |
|
INTERRUPT | ||||
|
Setting |
SW1/C |
SW1/D |
SW1/E |
SW1/F |
|
2 |
On |
Off |
Off |
Off |
|
3 |
Off |
On |
Off |
Off |
|
í 4 |
Off |
Off |
On |
Off |
|
5 |
Off |
Off |
Off |
On |
Proprietary AT Command Set
See document V1852 for a full command summary.