TOSHIBA
T1100PLUS MODEM/T3100 MODEM
|
Card Type |
Modem (asynchronous) |
|
Chip Set |
Unidentified |
|
Maximum Data Rate |
1200bps |
|
Data Bus |
Internal/Toshiba bus |
|
Data Modulation Protocol |
Bell 103/212A ITU-T V.21, V.22 |

|
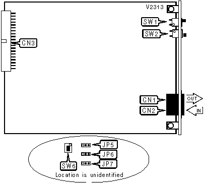
CONNECTIONS | ||||||
|
Function |
Label |
Function |
Label | |||
|
Line out |
CN1 |
Proprietary connection to computer |
CN3 | |||
|
Line in |
CN2 |
Power switch |
SW1 | |||
|
USER CONFIGURABLE SETTINGS | ||
|
Setting |
Label |
Position |
|
í Bell mode enabled |
SW2 |
BEL |
|
ITU-T (CCITT) mode enabled |
SW2 |
CCI |
|
í DTR forced high |
JP5 |
Pins 2 & 3 closed |
|
DTR normal |
JP5 |
Pins 1 & 2 closed |
|
í CD signal forced high |
JP6 |
Pins 2 & 3 closed |
|
CD signal normal |
JP6 |
Pins 1 & 2 closed |
|
í RJ-11 jack installed |
JP7 |
Pins 1 & 2 closed |
|
RJ-12/13 jack installed |
JP7 |
Pins 2 & 3 closed |
|
SERIAL PORT ADDRESS | |
|
Setting |
SW6 |
|
COM1 (3F8h) |
Up |
|
COM2 (2F8h) |
Down |
|
Note: Only T3100 has SW6, T1100PLUS is defaulted to COM2 | |
|
SUPPORTED COMMAND SET |
|
Basic AT Commands |
|
AT, ‘+++’, ‘Comma’, A/ |
|
A, C, D, E, F, H, M, O, P, Q, S, T, V, X, Z |
|
S Registers |
|
S0, S1, S2, S3, S4, S5, S6, S7, S8, S9, S10, S11, S12 |
|
Note: See MHI Help file for full command documentation. |
Proprietary AT Command Set
|
BIT-MAPPED REGISTER S13 | |||||
|
Format: |
AT [cmds] S13=n [cmds] | ||||
|
Default: |
Unidentified | ||||
|
Range: |
0-220 | ||||
|
Description: |
Controls result codes, parity, buffer overflow flag, and data bits. | ||||
|
Bit |
Value |
Function | |||
|
1, 0 |
0 |
Not used | |||
|
1 |
0 1 |
Basic result codes enabled Extended result codes enabled | |||
|
2 |
0 1 |
Parity disabled Parity enabled | |||
|
3 |
0 1 |
Odd parity Even parity | |||
|
4 |
0 1 |
7 data bits 8 data bits | |||
|
5 |
0 |
Not used | |||
|
6 |
0 1 |
Buffer overflow flag disabled Buffer overflow flag enabled, ERROR result code sent | |||
|
7 |
0 1 |
8 th data bit set to space when bit 4 value is 18 th data bit set to mark when bit 4 value is 1 | |||
|
BIT-MAPPED REGISTER S14 | |||||
|
Format: |
AT [cmds] S14=n [cmds] | ||||
|
Default: |
Unidentified | ||||
|
Range: |
0-238 | ||||
|
Description: |
Controls echo, result codes, pulse/tone dialing, and speaker control | ||||
|
Bit |
Value |
Function | |||
|
0 |
í 0 |
Not used | |||
|
1 |
0 1 |
Local echo disabled Local echo enabled | |||
|
2 |
0 1 |
Result codes enabled Result codes disabled | |||
|
3 |
0 1 |
Numeric result codes Verbose result codes | |||
|
4 |
í 0 |
Not used | |||
|
5 |
0 1 |
Pulse dialing Tone dialing | |||
|
6 |
0 1 |
Not used Speaker on until carrier detected | |||
|
7 |
0 1 |
Not used Speaker always on | |||
|
BIT-MAPPED REGISTER S15 | |||||
|
Format: |
AT [cmds] S15=n [cmds] | ||||
|
Default: |
Unidentified | ||||
|
Range: |
0-110 | ||||
|
Description: |
Controls DCE speed, answer/originate mode, duplex, and carrier signal | ||||
|
Bit |
Value |
Function | |||
|
1, 0 |
00 01 10 11 |
Not used 110bps 300bps 1200bps | |||
|
2 |
0 1 |
Answer mode enabled Originate mode enabled | |||
|
3 |
0 1 |
Half-duplex enabled Full-duplex enabled | |||
|
5, 4 |
00 01 10 11 |
Not used 110bps 300bps 1200bps | |||
|
6 |
0 1 |
Carrier disabled Carrier enabled | |||
|
BIT-MAPPED REGISTER S17 | |||||
|
Format: |
AT [cmds] S17=n [cmds] | ||||
|
Default: |
Unidentified | ||||
|
Range: |
0-255 | ||||
|
Description: |
Controls hook status, auxiliary relay, auto-answer, speaker, high/low speed, ring indicator, carrier and transmitter filter frequency | ||||
|
Bit |
Value |
Function | |||
|
0 |
0 1 |
On hook Off hook | |||
|
1 |
0 1 |
Auxiliary relay disabled Auxiliary relay enabled | |||
|
2 |
0 1 |
Auto-answer enabled Auto-answer disabled | |||
|
3 |
0 1 |
Speaker disabled Speaker enabled | |||
|
4 |
0 1 |
High speed enabled Low speed enabled | |||
|
5 |
0 1 |
Ring indicator true Ring indicator false | |||
|
6 |
0 1 |
Carrier present Carrier not present | |||
|
7 |
0 1 |
Transmitter filter enabled to 2400Hz Transmitter filter enabled to 1200Hz | |||
|
COMMAND MODE | |
|
Type: |
Immediate |
|
Format: |
AT [cmds] ; (semicolon) [cmds] |
|
Description: |
Return the modem to command mode after dialing |
|
REPORT INFORMATION | |
|
Type: |
Immediate |
|
Format: |
AT [cmds] In [cmds] |
|
Description: |
Displays information requested |
|
Command |
Function |
|
I0 |
Reports product code |
|
I1 |
Reports checksum |
|
REVERSE MODE | |
|
Type: |
Immediate |
|
Format: |
AT [cmds] R |
|
Description: |
Places the modem in answer mode for remote modems that are originate only. |
|
TEST MODES | ||
|
Type: |
Register | |
|
Format: |
AT [cmds] S16=n [cmds] | |
|
Description: |
Controls test modes | |
|
Command |
Function | |
|
S16=0 |
Testing disabled | |
|
S16=1 |
Modem self-test enabled | |
|
S16=2 |
Touch-tone amplitude test enabled | |