WISECOM, INC.
WS-2814IS6
|
Card Type |
Modem (asynchronous) |
|
Chipset |
Rockwell |
|
I/O Options |
Voice, microphone in, speaker out |
|
Maximum Data Rate |
33.6Kbps |
|
Maximum Fax Rate |
14.4Kbps |
|
Data Bus |
8-bit ISA |
|
Fax Class |
Class I & II |
|
Data Modulation |
Bell 103A/212A ITU-T V.21, V.22, V.22bis, V.23, V.32, V.32bis, V.34 Rockwell V.FC |
|
Fax Modulation |
ITU-T V.17, V.21CH2, V.27ter, V.29 |
|
Error Correction/Compression |
MNP5, V.42, V.42bis |

|
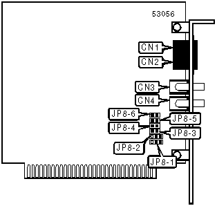
CONNECTIONS | |||
|
Function |
Label |
Function |
Label |
|
Telephone line in |
CN1 |
Speaker out |
CN3 |
|
Telephone line in |
CN2 |
Microphone in |
CN4 |
|
SERIAL PORT ADDRESS SELECTION | ||
|
Setting |
JP8-1 |
JP8-2 |
|
3F8h (COM1:) |
Pins 1 & 2 closed |
Pins 1 & 2 closed |
|
2F8h (COM2:) |
Pins 2 & 3 closed |
Pins 1 & 2 closed |
|
3E8h (COM3:) |
Pins 1 & 2 closed |
Pins 2 & 3 closed |
|
2E8h (COM4:) |
Pins 2 & 3 closed |
Pins 2 & 3 closed |
|
INTERRUPT SELECTION | ||||
|
Setting |
JP8-3 |
JP8-4 |
JP8-5 |
JP8-6 |
|
IRQ2 |
Closed |
Open |
Open |
Open |
|
IRQ3 |
Open |
Closed |
Open |
Open |
|
IRQ4 |
Open |
Open |
Closed |
Open |
|
IRQ5 |
Open |
Open |
Open |
Closed |
|
SUPPORTED STANDARD COMMANDS |
|
Basic AT Commands |
|
+++, ‘comma’, A/ |
|
A, B, D, E, H, L, M, N, O, P, Q, T, V, W, X, Y, Z |
|
&C, &D, &F, &G, &K, &P, &S, &T, &V, &W, &Y, &Z |
|
Extended AT Commands |
|
\A, \B, \K, \N |
|
%C, %E, %L, %Q |
|
Special AT Commands |
|
+MS |
|
S-Registers |
|
S0, S1, S2, S3, S4, S5, S6, S7, S8, S9, S10, S11, S12, S14, S16, S18, S21, S22, S23, S24, S25 |
|
S26, S27, S29, S30, S31, S32, S33, S36, S38, S39, S40, S41, S46, S48, S82, S86, S91, S92, S95 |
Note: See MHI documentation for complete information. |
|
UNIDENTIFIED COMMANDS | |
|
Command |
Default |
|
S37 |
0 |
Proprietary AT Command Set
See WISECOM, INC. WS-2814IM6 for a full command summary.