BEHAVIOR TECH COMPUTER CORPORATION
1510T
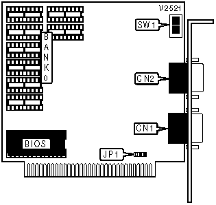
|
Card Type |
Video card |
|
Video Chip Set |
Oak Technology |
|
Highest Resolution Supported |
800 x 600 |
|
Maximum Video Memory |
256KB DRAM |
|
Data Bus |
8-bit ISA |
|
Video Types Supported |
VGA |
|
CONNECTIONS | |||
|
Function |
Label |
Function |
Label |
|
9-pin digital video port |
CN1 |
15-pin analog video port |
CN2 |
|
USER CONFIGURABLE SETTINGS | |||
|
Function |
Label |
Position | |
| » |
IRQ2 enabled |
JP1 |
Pins 2 & 3 closed |
|
IRQ2 disabled |
JP1 |
Pins 1 & 2 closed | |
|
DRAM CONFIGURATION | |
|
Size |
Bank 0 |
|
256KB |
(8) 256K x 1 |
|
DISPLAY CONFIGURATION | ||||
|
Setting |
SW1/1 |
SW1/2 |
SW1/3 |
SW1/4 |
|
MDA |
On |
On |
On |
Off |
|
CGA |
Off |
On |
On |
Off |
|
EGA |
On |
Off |
On |
Off |
|
NEC Multisync |
Off |
Off |
On |
Off |
|
NEC Multisync Plus |
On |
On |
Off |
Off |
|
NEC Multisync 2A |
Off |
On |
Off |
Off |
|
NEC XL |
On |
Off |
Off |
Off |
|
NEC 4D OR 5D |
On |
Off |
Off |
On |
|
Reserved |
Off |
Off |
Off |
Off |
|
VGA (Mono) |
Off |
On |
On |
On |
|
VGA (Color) |
On |
Off |
On |
On |
|
VGA 16in. (Color) |
Off |
Off |
On |
On |
|
Reserved |
N/A |
N/A |
Off |
On |
|
Note:IBM VGA modes and 800 x 600 graphics modes are supported on NEC Multisync 2A monitors. | ||||