DISPLAY RESEARCH LABORATORY
PC TELEVISOR BOX/CARD
|
Card Type |
Video card |
|
Video Chip Set |
Unidentified |
|
Highest Resolution Supported |
640 x 480 |
|
Maximum Video Memory |
Unidentified |
|
Data Bus |
8-bit ISA |
|
Video Types Supported |
VGA |
|
Capture Format Supported |
NTSC, PAL |
|
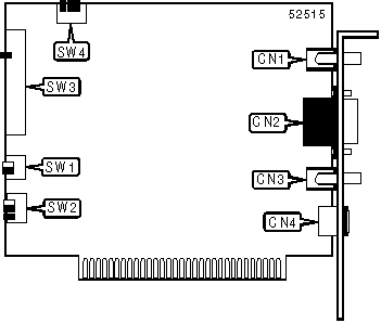
CONNECTIONS | |||
|
Function |
Label |
Function |
Label |
|
Composite output |
CN1 |
RGB SCART output |
CN3 |
|
15-pin analog video connector |
CN2 |
S-Video output |
CN4 |
|
USER CONFIGURABLE SETTINGS | ||
|
Function |
Label |
Position |
|
Horizontal width selection |
SW1 |
Unidentified |
|
Video mode selection |
SW2 |
Unidentified |
|
Horizontal position slider |
SW3 |
Unidentified |
|
Vertical position slider |
SW4 |
Unidentified |