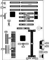
MOTHERBOARDS Pentium II (slot 1)

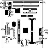
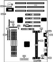
A-TREND - GIGABYTE

A-TREND TECHNOLOGY CORPORATION
Pentium II
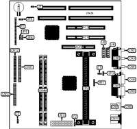
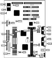
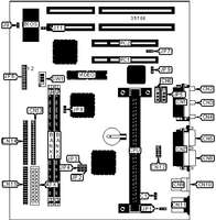
ATC-6100 R1
32-bit PCI slots (4), floppy drive interface, green PC connector, IDE interfaces (2), parallel port, PS/2 mouse port, serial ports (2), IR connector, USB connector, CPU Slot 1
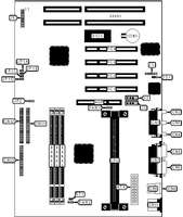
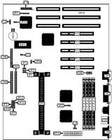
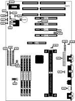
A-TREND TECHNOLOGY CORPORATION
Pentium II
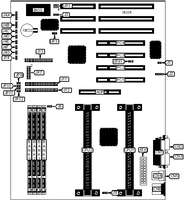
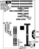
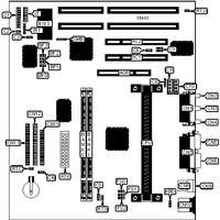
ATC-6120 (VER. 1.00)
32-bit PCI slots (3), floppy drive interface, IDE interfaces (2), parallel port, PS/2 mouse port, serial ports (2), IR connector, USB connector (2), ATX power connector, AGP slot
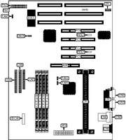
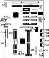
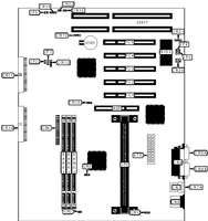
A-TREND TECHNOLOGY CORPORATION
Pentium II
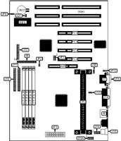
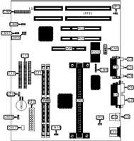
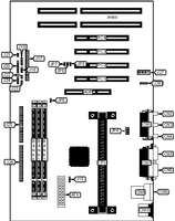
ATC-6120 (VER. 2.00)
32-bit PCI slots (3), floppy drive interface, IDE interfaces (2), parallel port, PS/2 mouse port, serial ports (2), IR connector, USB connectors (2), ATX power connector, AGP slot
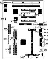
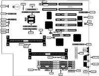
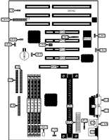
A-TREND TECHNOLOGY CORPORATION
Pentium II
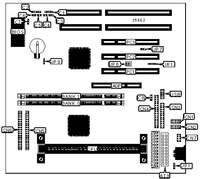
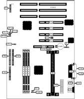
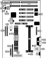
ATC-6130
32-bit PCI slots (3), floppy drive interface, IDE interfaces (2), parallel port, PS/2 mouse port, serial ports (2), IR connector, USB connector, ATX power connector, AGP slot
ABIT COMPUTER CORPORATION
Pentium II/Celeron
AH6
32-bit PCI slots (5), floppy drive interface, IDE interfaces (2), parallel port, PS/2 mouse port, serial ports (2), IR connector, USB connectors (2), ATX power connector, AGP slot,
ABIT COMPUTER CORPORATION
Pentium II/Pentium Pro
AN6
32-bit PCI slots (4), floppy drive interface, green PC connector, IDE interfaces (2), parallel port, PS/2 mouse port, serial ports (2), IR connector, USB connectors (2), ATX power connector, CPU Slot 1
ABIT COMPUTER CORPORATION
Pentium II/Celeron
BH6
32-bit PCI slots (5), floppy drive interface, IDE interfaces (2), parallel port, PS/2 mouse port, serial ports (2), IR connector, USB connectors (2), ATX power connector, AGP slot,
ABIT COMPUTER CORPORATION
Pentium II
BX6
32-bit PCI slots (5), floppy drive interface, IDE interfaces (2), parallel port, PS/2 mouse port, serial ports (2), IR connector, USB connectors (2), ATX power connector, AGP slot,
ABIT COMPUTER CORPORATION
Pentium II/Celeron
LM6
32-bit PCI slots (5), floppy drive interface, IDE interfaces (2), parallel port, PS/2 mouse port, serial ports (2), IR connector, USB connectors (2), ATX power connector, AGP slot,
ABIT COMPUTER CORPORATION
Pentium II
LX6
32-bit PCI slots (4), floppy drive interface, green PC connector, IDE interfaces (2), parallel port, PS/2 mouse port, serial ports (2), IR connector, USB connectors (2), ATX power connector, AGP slot
ACER INC.
Pentium II
ASPIRE 5000E, V65LA
Floppy drive interface, IDE interfaces (2), parallel port, PS/2 mouse port, serial ports (2), VGA port, riser slot, IR connector, USB connectors (3)
ACER, INC.
Pentium II
ACERALTOS 330
32-bit PCI slots (5), floppy drive interface, IDE interfaces (2), parallel port, PS/2 mouse port, serial ports (2), USB connectors (2), ATX power connector, AGP slot
ACER, INC.
Pentium II
ACERALTOS 900K (M11C) (IDCMT), M11C (IDCMT)
32-bit PCI slots (3), Ethernet 10BaseT connector, floppy drive interface, IDE interfaces (2), SCSI-2 interface, Wide SCSI interface, parallel port, PS/2 mouse port, serial ports (2), VGA feature connector, VGA port, USB connectors (2), ATX power conn
ACER, INC.
Pentium II
ACERALTOS 900K (M11C) (IDUN), M11C (IDUN)
32-bit PCI slots (3), Ethernet 10BaseT connector, floppy drive interface, IDE interfaces (2), SCSI-2 interface, Wide SCSI interface, parallel port, PS/2 mouse port, serial ports (2), VGA feature connector, VGA port, USB connectors (2), ATX power conn
ACER, INC.
Pentium II
ACERALTOS 9100 (M9N), M9N
32-bit PCI slots (5), Ethernet 10BaseT connector, floppy drive interface, IDE interface, SCSI interface, Wide Ultra SCSI interface, PS/2 mouse port, serial ports (2), VGA port, USB connectors (2), ATX power connector, CPU slot
ACER, INC.
Pentium II
ACERALTOS 9100B
32-bit PCI slots (5), Ethernet 10BaseT connector, floppy drive interface, IDE interface, SCSI interface, Wide Ultra SCSI interface, PS/2 mouse port, serial ports (2), VGA port, USB connectors (2), ATX power connector, CPU slot
ACER, INC.
Pentium II
ACERALTOS 930 (M17A), M17A
32-bit PCI slots (4), floppy drive interface, IDE interfaces (2), SCSI interface, Wide Ultra SCSI interface, parallel port, PS/2 mouse port, serial ports (2), feature connector, USB connectors (2), ATX power connector, AGP slot
ACER, INC.
Pentium II
AX6F
32-bit PCI slots (5), floppy drive interface, green PC connector, IDE interfaces (2), parallel port, PS/2 mouse port, serial ports (2), IR connector, USB connectors (2), ATX power connector
ACER, INC.
Pentium II
AX6L (VER. B)
32-bit PCI slots (4), IR connector, floppy drive interface, IDE interfaces (2), parallel port, PS/2 mouse port, serial ports (2), USB connectors (2), ATX power connector, AGP slot
ACER, INC.
Pentium II
AX6LC
32-bit PCI slots (5), floppy drive interface, IDE interfaces (2), parallel port, PS/2 mouse port, serial ports (2), IR connector, USB connectors (2), ATX power connector, AGP slot
ACER, INC.
Pentium II/Celeron
MX6E PLUS
32-bit PCI slots (2), floppy drive interface, game/MIDI port, IDE interfaces (2), parallel port, PS/2 mouse port, serial ports (2), IR connector, USB connectors (2), ATX power connector, AGP slot, line in, line out, microphone in, audio in – CD-ROM,
ACER, INC.
Pentium Pro/Pentium II
V62X
32-bit PCI slots (4), floppy drive interface, IDE interfaces (2), parallel port, PS/2 mouse port, serial ports (2), IR connector, USB connectors (2), SCSI/LAN slot
ACER, INC.
Pentium II
V65X
32-bit PCI slots (4), floppy drive interface, IDE interfaces (2), parallel port, PS/2 mouse port, serial ports (2), IR connector, USB connectors (2), AGP slot
ACHME COMPUTER, INC.
Pentium II
MS-6108
32-bit PCI slots (4), floppy drive interface, green PC connector, IDE interfaces (2), parallel port, serial ports (2), IR connector, USB connector
ACHME COMPUTER, INC.
Pentium II
MS-6109
32-bit PCI slots (4), floppy drive interface, green PC connector, IDE interfaces (2), parallel port, PS/2 mouse port, serial ports (2), IR connector, USB connector, ATX power connector, CPU Slot 1
ACHME COMPUTER, INC.
Pentium II
MS-6110
32-bit PCI slots (5), floppy drive interface, green PC connector, IDE interfaces (2), parallel port, PS/2 mouse port, serial ports (2), IR connector, USB connectors (2), ATX power connector
ACHME COMPUTER, INC.
Pentium II
MS-6111
32-bit PCI slots (4), floppy drive interface, IDE interfaces (2), PS/2 mouse port, serial ports (2), IR connector, USB connector, ATX power connector, AGP slot
ACHME COMPUTER, INC.
Pentium II
MS-6112
32-bit PCI slots (3), floppy drive interface, IDE interfaces (2), parallel port, PS/2 mouse port, serial ports (2), IR connector, USB connectors (2), ATX power connector, AGP slot
ACHME COMPUTER, INC.
Pentium II
MS-6113
Ethernet 10BaseT connector, game/MIDI port, parallel port, PS/2 mouse port, serial ports (2), USB connectors (2), AGP slot, line in, speaker out, microphone in, wavetable connector
ACHME COMPUTER, INC.
Pentium II
MS-6114
32-bit PCI slots (5), floppy drive interface, green PC connector, IDE interfaces (2), parallel port, PS/2 mouse port, serial ports (2), IR connector, USB connectors (2), ATX power connector, AGP slot
ACHME COMPUTER, INC.
Pentium II
MS-6117
32-bit PCI slots (5), floppy drive interface, green PC connector, IDE interfaces (2), parallel port, PS/2 mouse port, serial ports (2), IR connector, USB connectors (2), ATX power connector, AGP slot
ACTIVEI SYSTEMS, INC.
Pentium II
MIDWAY
32-bit PCI slots (5), floppy drive interface, green PC connector, IDE interfaces (2), parallel port, PS/2 mouse port, serial ports (2), IR connector, USB connectors (2), ATX power connector, System Management Module, CPU Slot 1
ADVANCED INTEGRATION RESEARCH, INC.
Pentium II
P6BXI
32-bit PCI slots (4), green PC connector, floppy drive interface, IDE interfaces (2), SCSI interface, Wide Ultra SCSI interface, parallel port, PS/2 mouse port, serial ports (2), IR connector, USB connectors (2), ATX power connector, AGP slot, RAID s
ADVANCED INTEGRATION RESEARCH, INC.
Pentium II
P6KDI
32-bit PCI slots (4), floppy drive interface, green PC connector, IDE interfaces (2), SCSI interface, Ultra-Wide SCSI interface, parallel port, PS/2 mouse port, serial ports (2), IR connector, USB connector, ATX power connector, RAID slot, CPU Slot
ADVANCED INTEGRATION RESEARCH, INC.
Pentium II
P6KPI
32-bit PCI slots (4), floppy drive interface, green PC connector, IDE interfaces (2), SCSI interface, Ultra-Wide SCSI interface, parallel port, PS/2 mouse port, serial ports (2), IR connector, USB connector, ATX power connector, RAID slot, CPU Slot
ADVANCED INTEGRATION RESEARCH, INC.
Pentium II
P6LDX (REV. 1.0)
32-bit PCI slots (4), floppy drive interface, green PC connector, IDE interfaces (2), SCSI interface, Wide Ultra SCSI interface, parallel port, PS/2 mouse port, serial ports (2), IR connector, USB connectors (2), ATX power connector, AGP slot, RAID s
ADVANCED INTEGRATION RESEARCH, INC.
Pentium II
P6LXI (REV. 2.0)
32-bit PCI slots (4), floppy drive interface, green PC connector, IDE interfaces (2), SCSI interface, Wide Ultra SCSI interface, parallel port, PS/2 mouse port, serial ports (2), IR connector, USB connectors (2), ATX power connector, AGP slot, RAID s
AMERICAN MEGATRENDS, INC.
Pentium II
ATLANTIS PENTIUM II
32-bit PCI slots (5), floppy drive interface, green PC connector, IDE interfaces (2), parallel port, PS/2 mouse port, serial ports (2), IR connector, USB connectors (2), ATX power connector, AGP slot
AMERICAN MEGATRENDS, INC.
Pentium II
MEGARUM 758
32-bit PCI slots (6), floppy drive interface, green PC connector, IDE interfaces (2), SCSI interfaces (2), Wide SCSI interfaces (2), parallel port, PS/2 mouse interface, serial ports (2), VGA interface, VRM connectors (2), USB connectors (2), CPU Slo
AMERICAN MEGATRENDS, INC.
Pentium II/Celeron/Xeon
OLYMPUS
32-bit PCI slots (5), floppy drive interface, green PC connector, IDE interfaces (2), parallel port, PS/2 mouse port, serial ports (2), IR connector, USB connectors (3), ATX power connector, AGP slot
AMERICAN MEGATRENDS, INC.
Pentium II
PEGASUS
32-bit PCI slots (4), floppy drive interface, green PC connector, IDE interfaces (2), parallel port, PS/2 mouse interface, serial ports (2), IR connector, VRM connector, USB connectors (2), CPU Slot 1
ANTEC, INC.
Pentium II
MB6823
32-bit PCI slots (5), floppy drive interface, green PC connector, IDE interfaces (2), parallel port, PS/2 mouse port, serial ports (2), IR connector, USB connectors (2), ATX power connector, CPU Slot 1
ANTEC, INC.
Pentium II
MB6831
32-bit PCI slots (4), floppy drive interface, IDE interfaces (2), parallel port, PS/2 mouse port, serial ports (2), IR connector, USB connectors (2), ATX power connector, AGP slot
ANTEC, INC.
Pentium II
MB6831A
32-bit PCI slots (4), floppy drive interface, IDE interfaces (2), parallel port, PS/2 mouse port, serial ports (2), IR connector, USB connectors (2), ATX power connector, AGP slot
ASUS COMPUTER INTERNATIONAL
Pentium Pro/Pentium II
KN-97 (REV. 1.03)
32-bit PCI slots (5), floppy drive interface, green PC connector, IDE interfaces (2), parallel port, PS/2 mouse interface, serial ports (2), IR connector, USB connector
ASUS COMPUTER INTERNATIONAL
Pentium II
KN97-X
32-bit PCI slots (5), CD-ROM audio in (3), floppy drive interface, green PC connector, IDE interfaces (2), parallel port, PS/2 mouse port, serial ports (2), IR connector, USB connectors (2), ATX power connector. game/MIDI port, microphone in, line in
ASUS COMPUTER INTERNATIONAL
Pentium Pro/Pentium II
P/I-P65UP8 (REV. 1.03)
32-bit PCI slots (7), floppy drive interface, green PC connector, IDE interfaces (2), SCSI interfaces (3), Wide Ultra SCSI interfaces (3), parallel port, serial ports (2), VGA interface, IR connector, USB connector, ATX power connector, CPU slo
ASUS COMPUTER INTERNATIONAL
Pentium II
P2B (REV. 1.00)
32-bit PCI slots (4), floppy drive interface, green PC connector, IDE interfaces (2), parallel port, PS/2 mouse port, serial ports (2), IR connector, USB connectors (2), ATX power connector, AGP slot
ASUS COMPUTER INTERNATIONAL
Pentium II
P2E-B (REV. 1.00)
32-bit PCI slots (3), floppy drive interface, green PC connector, IDE interfaces (2), parallel port, PS/2 mouse interface, serial ports (2), IR connectors (2), USB connector, ATX power connector, AGP slot
ASUS COMPUTER INTERNATIONAL
Pentium II
P2L-B (REV. 1.02)
32-bit PCI slots (3), floppy drive interface, green PC connector, IDE interfaces (2), parallel port, PS/2 mouse interface, serial ports (2), IR connectors (2), USB connector, ATX power connector, AGP slot
ASUS COMPUTER INTERNATIONAL
Pentium II
P2L-M (REV. 1.01 AUDIO)
32-bit PCI slots (2), floppy drive interface, game/MIDI port, green PC connector, IDE interfaces (2), parallel port, PS/2 mouse port, serial ports (2), IR connector, USB connectors (2), ATX power connector, AGP slot, line in, line out, microphone in
ASUS COMPUTER INTERNATIONAL
Pentium II
P2L-M (REV. 1.01)
32-bit PCI slots (2), floppy drive interface, green PC connector, IDE interfaces (2), parallel port, PS/2 mouse port, serial ports (2), IR connector, USB connectors (2), ATX power connector, AGP slot
ASUS COMPUTER INTERNATIONAL
Pentium II
P2L97 (REV. 1.02)
32-bit PCI slots (5), floppy drive interface, green PC connector, IDE interfaces (2), parallel port, PS/2 mouse port, serial ports (2), IR connector, USB connectors (2), ATX power connector, AGP slot
ASUS COMPUTER INTERNATIONAL
Pentium II
P2L97 (REV. 1.05)
32-bit PCI slots (5), floppy drive interface, green PC connector, IDE interfaces (2), parallel port, PS/2 mouse port, serial ports (2), IR connector, USB connectors (2), ATX power connector, AGP slot
ASUS COMPUTER INTERNATIONAL
Pentium II
P2L97-DS (REV. 1.03)
32-bit PCI slots (4), floppy drive interface, green PC connector, IDE interfaces (2), Narrow SCSI interface, Wide SCSI interface, parallel port, PS/2 mouse port, serial ports (2), IR connector, USB connectors (2), ATX power connector, AGP slot
ASUS COMPUTER INTERNATIONAL
Pentium II
P2L97-S (REV. 1.02)
32-bit PCI slots (4), floppy drive interface, green PC connector, IDE interfaces (2), SCSI interface, Ultra Wide SCSI interface, parallel port, PS/2 mouse port, serial ports (2), IR connector, USB connectors (2), ATX power connector, AGP slot
ASUS COMPUTER INTERNATIONAL
Pentium II
P2L97-S (REV. 1.05)
32-bit PCI slots (4), floppy drive interface, green PC connector, IDE interfaces (2), SCSI interface, Ultra Wide SCSI interface, parallel port, PS/2 mouse port, serial ports (2), IR connector, USB connectors (2), ATX power connector, AGP slot
ASUS COMPUTER INTERNATIONAL
Pentium II
P2L97A (REV. 1.03 VIDEO)
32-bit PCI slots (4), floppy drive interface, green PC connector, IDE interfaces (2), parallel port, PS/2 mouse port, serial port, VGA port, IR connector, USB connectors (2), ATX power connector, AMC connector
ASUS COMPUTER INTERNATIONAL
Pentium II
P2L97A (REV. 1.03)
32-bit PCI slots (4), floppy drive interface, green PC connector, IDE interfaces (2), parallel port, PS/2 mouse port, serial port, IR connector, USB connectors (2), ATX power connector, AMC connector
AZZA
Pentium II
PT-6IL
32-bit PCI slots (4), floppy drive interface, green PC connector, IDE interfaces (2), PS/2 mouse port, serial ports (2), IR connector, USB connectors (2), ATX power connector, AGP slot
BCM ADVANCED RESEARCH, INC.
Pentium II
KR630
32-bit PCI slots (4), green PC connector, floppy drive interface, game/MIDI interface, IDE interfaces (2), parallel port, PS/2 mouse port, serial ports (2), IR connector, USB connectors (2), line in, line out, microphone in, ATX power connector, AGP
BCM ADVANCED RESEARCH, INC.
Pentium II
KR632
32-bit PCI slots (5), floppy drive interface, green PC connector, IDE interfaces (2), parallel port, PS/2 mouse port, serial ports (2), IR connector, USB connectors (2), ATX power connector, AGP slot, SB-link connector, wake on LAN connector
BCM ADVANCED RESEARCH, INC.
Pentium II
QS440BX
32-bit PCI slots (5), floppy drive interface, green PC connector, IDE interfaces (2), parallel port, PS/2 mouse port, serial ports (2), IR connector, USB connectors (2), ATX power connector, AGP slot, SB-link connector, wake on LAN connector
BIOSTAR MICROTECH INTERNATIONAL CORPORATION
Pentium II
M6TFX
32-bit PCI slots (4), floppy drive interface, green PC connector, IDE interfaces (2), parallel port, PS/2 mouse interface, serial ports (2), IR connector, USB connectors (2), ATX power connector
BIOSTAR MICROTECH INTERNATIONAL CORPORATION
Pentium II
M6TLA (VER. 1.0)
32-bit PCI slots (4), floppy drive interface, green PC connector, IDE interfaces (2), parallel port, PS/2 mouse port, serial ports (2), IR connector, USB connectors (2), ATX power connector, AGP slot
BIOSTAR MICROTECH INTERNATIONAL CORPORATION
Pentium II
M6TLA (VER. 1.1)
32-bit PCI slots (4), floppy drive interface, green PC connector, IDE interfaces (2), parallel port, PS/2 mouse port, serial ports (2), IR connector, USB connectors (2), ATX power connector, AGP slot
BIOSTAR MICROTECH INTERNATIONAL CORPORATION
Pentium II
M6TLC
32-bit PCI slots (4), floppy drive interface, green PC connector, IDE interfaces (2), parallel port, PS/2 mouse port, serial ports (2), IR connector, USB connectors (2), ATX power connector, AGP slot
BIOSTAR MICROTECH INTERNATIONAL CORPORATION
Pentium II
M6TLD (VER. 1.0)
32-bit PCI slots (3), floppy drive interface, green PC connector, IDE interfaces (2), parallel port, PS/2 mouse port, serial ports (2), IR connector, USB connectors (2), ATX power connector, AGP slot, wake on LAN connector, wake on modem connecto
CALIFORNIA GRAPHICS & PERIPHERALS, INC.
Pentium II
POWER PRO II AGP (REV. 2.0)
32-bit PCI slots (5), floppy drive interface, green PC connector, IDE interfaces (2), parallel port, PS/2 mouse port, serial ports (2), IR connector, USB connectors (2), ATX power connector, AGP slot, SB-link connector, wake on LAN connector
CALIFORNIA GRAPHICS & PERIPHERALS, INC.
Pentium II
POWER PRO II AGP VIDEO
PS/2 mouse port, USB port (2), serial ports (2), parallel port, VGA port, line out, line in, microphone, game port, TV out connector, audio in - CD-ROM (2), Wave table connector, VGA feature connector, IR connector
CALIFORNIA GRAPHICS & PERIPHERALS, INC.
Pentium II
POWER PRO II AGP VIDEO
PS/2 mouse port, USB port (2), serial ports (2), parallel port, VGA port, line out, line in, microphone, game port, TV out connector, audio in - CD-ROM (2), Wave table connector, VGA feature connector, IR connector
CHAINTECH COMPUTER COMPANY, LTD.
Pentium II
6LTS
32-bit PCI slots (4), floppy drive interface, green PC connector, IDE interfaces (2), SCSI interface, Wide Ultra SCSI interface, parallel port, PS/2 mouse port, serial ports (2), IR connector, USB connectors (2), ATX power connector, AGP slot, RAID s
CHAINTECH COMPUTER COMPANY, LTD.
Pentium II/Celeron
CT-6BTA
32-bit PCI slots (4), floppy drive interface, game/MIDI port, green PC connector, IDE interfaces (2), parallel port, PS/2 mouse port, serial ports (2), IR connector, USB connectors (2), ATX power connector, AGP slot, line in, line out, microphone in
CHAINTECH COMPUTER COMPANY, LTD.
Pentium II/Celeron
CT-6BTA2
32-bit PCI slots (4), floppy drive interface, game/MIDI port, green PC connector, IDE interfaces (2), parallel port, PS/2 mouse port, serial ports (2), IR connector, USB connectors (2), ATX power connector, AGP slot, line in, line out, microphone in
CHAINTECH COMPUTER COMPANY, LTD.
Pentium II
CT-6BTM
32-bit PCI slots (4), floppy drive interface, green PC connector, IDE interfaces (2), parallel port, PS/2 mouse port, serial ports (2), IR connector, USB connectors (2), ATX power connector, AGP slot, SB-link connector, wake on LAN connector
CHAINTECH COMPUTER COMPANY, LTD.
Pentium II
CT-6BTS
32-bit PCI slots (4), floppy drive interface, green PC connector, IDE interfaces (2), SCSI interface, Wide Ultra SCSI interface, parallel port, PS/2 mouse port, serial ports (2), IR connector, USB connectors (2), ATX power connector, AGP slot, SB-lin
CHAINTECH COMPUTER COMPANY, LTD.
Pentium II/Celeron
CT-6ESA
32-bit PCI slots (2), floppy drive interface, game/MIDI port, green PC connector, IDE interfaces (2), parallel port, PS/2 mouse port, serial ports (2), IR connector, USB connectors (2), ATX power connector, AGP slot, line in, line out, microphone in
CHAINTECH COMPUTER COMPANY, LTD.
Pentium II
CT-6LTM
32-bit PCI slots (4), floppy drive interface, green PC connector, IDE interfaces (2), parallel port, PS/2 mouse port, serial ports (2), IR connector, USB connectors (2), ATX power connector, AGP slot
CHAINTECH COMPUTER COMPANY, LTD.
Pentium II
CT-6LTM2
32-bit PCI slots (4), floppy drive interface, green PC connector, IDE interfaces (2), parallel port, PS/2 mouse port, serial ports (2), IR connector, USB connectors (2), ATX power connector, AGP slot, SB-link connector, wake on LAN connector
COMPAQ COMPUTER CORPORATION
Pentium II
DESKPRO EN
32-bit PCI slots (4), riser slot, AGP slot, serial ports (2), parallel port, PS/2 mouse port, line in, line out, microphone in, headphone in, USB connectors (2), IDE interfaces (2), floppy drive interface, audio in – CD-ROM
COMPAQ COMPUTER CORPORATION
Pentium II/Celeron
DESKPRO EP (2 DIMM)
32-bit PCI slots (3), floppy drive interface, IDE interfaces (2), serial ports (2), parallel port, PS/2 mouse port, USB connectors (2), ATX power connector, AGP slot
COMPAQ COMPUTER CORPORATION
Pentium II/Celeron
DESKPRO EP (3 DIMM)
32-bit PCI slots (4), floppy drive interface, IDE interfaces (2), serial ports (2), parallel port, PS/2 mouse port, USB connectors (2), ATX power connector, AGP slot
COMPAQ COMPUTER CORPORATION
Pentium II
PROFESSIONAL WORKSTATION 5100
Ethernet BNC connector, Ethernet 10BaseT connector, floppy drive interface, IDE interface, SCSI interface, Wide Ultra SCSI interface, parallel port, PS/2 mouse port, serial ports (2), riser slot, VRM connectors (2), USB connectors (2), ATX power conn
COMPAQ COMPUTER CORPORATION
Pentium II
PROFESSIONAL WORKSTATION 6000 MODEL 6266, MODEL 6300
CPU expansion slot, memory expansion slot
COMPAQ COMPUTER CORPORATION
Pentium II
PROLIANT 1200
COMPAQ COMPUTER CORPORATION
Pentium II
PROLIANT 1600
COMPAQ COMPUTER CORPORATION
Pentium II
PROLIANT 3000
32-bit PCI slots (8), floppy drive interface, IDE interface, SCSI interface, Wide Ultra SCSI interfaces (2), parallel port, PS/2 mouse port, serial ports (2), VGA port, I20 connector
COMPULINK RESEARCH, INC.
Pentium II
INFINITY PT2-DAX
32-bit PCI slots (4), floppy drive interface, game/MIDI port, IDE interfaces (2), parallel port, PS/2 mouse port, serial ports (2), IR connector, USB connectors (2), ATX power connector, AGP slot, line in, line out, microphone in, wavetable connector
CSS LABORATORIES, INC.
Pentium II
MB-P202
32-bit PCI slots (5), floppy drive interface, IDE interfaces (2), parallel port, PS/2 mouse interface, serial ports (2), IR connector, USB connectors (2)
DATAEXPERT CORPORATION
Pentium II/Celeron
MBX8440
32-bit PCI slots (4), floppy drive interface, green PC connector, IDE interfaces (2), parallel port, PS/2 mouse port, serial ports (2), IR connector, USB connectors (2), ATX power connector, AGP slot, SB-link connector
DATAEXPERT CORPORATION
Pentium II/Celeron/Mendocino
MBX8440-OS
32-bit PCI slots (4), floppy drive interface, green PC connector, IDE interfaces (2), parallel port, PS/2 mouse port, serial ports (2), IR connector, USB connectors (2), ATX power connector, AGP slot, line in, line out, microphone in, audio in - CD-R
DATAEXPERT CORPORATION
Pentium II/Celeron
MEX8440-S
32-bit PCI slots (3), floppy drive interface, game/MIDI port, green PC connector, IDE interfaces (2), parallel port, PS/2 mouse port, serial ports (2), IR connector, USB connectors (2), ATX power connector, AGP slot, line in, line out, microphone in
DATAEXPERT CORPORATION
Pentium II/Celeron
MLX8440
32-bit PCI slots (4), floppy drive interface, green PC connector, IDE interfaces (2), parallel port, PS/2 mouse port, serial ports (2), IR connector, USB connector, ATX power connector, AGP slot
DATAEXPERT CORPORATION
Pentium II/Celeron
MLX8440-OS
32-bit PCI slots (4), floppy drive interface, green PC connector, IDE interfaces (2), parallel port, PS/2 mouse port, serial ports (2), IR connector, USB connectors (2), ATX power connector, AGP slot, line in, line out, microphone in, audio in - CD-R
DELL COMPUTER CORPORATION
Pentium II
DIMENSION XPS DXXX
32-bit PCI slots (4), floppy drive interface, IDE interfaces (2), parallel port, PS/2 mouse port, serial ports (2), USB connectors (2), ATX power connector, AGP slot, game/MIDI port, line in, line out, microphone in
DELL COMPUTER CORPORATION
Pentium II
DIMENSION XPS HXXX
32-bit PCI slots (4), floppy drive interface, IDE interfaces (2), parallel port, PS/2 mouse port, serial ports (2), USB connectors (2), ATX power connector, line in, line out, microphone in, game/MIDI port, CPU Slot 1, CD-ROM audio in
DELL COMPUTER CORPORATION
Celeron
OPTIPLEX E1
Ethernet 10BaseT connector, floppy drive interface, IDE interfaces (2), parallel port, PS/2 mouse port, serial ports (2), VGA port, riser slot, USB connectors (2), ATX power connector, line in, line out, microphone in, audio in - CD-ROM
DELL COMPUTER CORPORATION
Pentium II
OPTIPLEX GXA
Ethernet connector, floppy drive interface, IDE interfaces (2), parallel port, PS/2 mouse port, serial ports (2), VGA port, riser slot, USB connectors (2), line in, line out, microphone in, audio in – CD-ROM
DELL COMPUTER CORPORATION
Pentium II
OPTIPLEX NX
Ethernet connector, floppy drive interface, IDE interfaces (2), parallel port, PS/2 mouse port, serial ports (2), VGA port, riser slot, USB connectors (2), line in, line out, microphone in
DELL COMPUTER CORPORATION
Pentium II
POWEREDGE 2200
32-bit PCI slots (3), floppy drive interface, Ultra Wide SCSI interface, parallel port, PS/2 mouse port, serial ports (2), VGA port, SMM connector
DELL COMPUTER CORPORATION
Pentium II
POWEREDGE 4200
32-bit PCI slots (5), floppy drive interface, Ultra Wide SCSI interface, Ultra Narrow SCSI interface, parallel port, PS/2 mouse port, serial ports (2)
DELL COMPUTER CORPORATION
Pentium II
WORKSTATION 400
Ethernet connector, floppy drive interface, IDE interfaces (2), parallel port, PS/2 mouse port, serial ports (2), riser slot, USB connectors (2), line in, line out, microphone in, ATX power connector, audio in – CD-ROM
DIAMOND FLOWER, INC.
Pentium II
686IPK (REV. A+)
32-bit PCI slots (4), floppy drive interface, green PC connector, IDE interfaces (2), parallel port, PS/2 mouse port, serial ports (2), IR connector, USB connector, ATX power connector
DIAMOND FLOWER, INC.
Pentium II/Celeron
P2BLX (REV. A+)
32-bit PCI slots (4), floppy drive interface, green PC connector, IDE interfaces (2), parallel port, PS/2 mouse port, serial ports (2), USB connectors, ATX power connector, AGP slot
DIAMOND FLOWER, INC.
Pentium II/Celeron
P2MEX/A (REV.A+)
32-bit PCI slots (2), floppy drive interface, game interface, green PC connector, IDE interfaces (2), parallel port, PS/2 mouse port, PS/2 keyboard interface, serial ports (2), IR connector, USB connectors (2), ATX power connector, AGP slot, line in
DIAMOND FLOWER, INC.
Pentium II
P2XBL (REV. AB+)
32-bit PCI slots (4), floppy drive interface, IDE interfaces (2), parallel port, PS/2 mouse port, serial ports (2), USB connectors (2), ATX power connector, AGP slot
DIAMOND FLOWER, INC.
Pentium II/Celeron
P2XBL (REV. B+)
32-bit PCI slots (4), floppy drive interface, IDE interfaces (2), parallel port, PS/2 mouse port, serial ports (2), USB connectors (2), ATX power connector, AGP slot
DIAMOND FLOWER, INC.
Pentium II
P2XBL/D (REV. A+)
32-bit PCI slots (5), floppy drive interface, IDE interface, parallel port, PS/2 mouse port, serial ports (2)
DIAMOND FLOWER, INC.
Pentium II
P2XBL/S (REV. A+)
32-bit PCI slots (4), floppy drive interface, green PC connector, IDE interfaces (2), SCSI interface, SCSI-2 interface, Wide Ultra SCSI interface, parallel port, PS/2 mouse port, serial ports (2), USB connectors (2), ATX power connector, AGP slo
DIAMOND FLOWER, INC.
Pentium II
P2XLX (REV. A+)
32-bit PCI slots (4), floppy drive interface, green PC connector, IDE interfaces (2), parallel port, PS/2 mouse port, serial ports (2), IR connector, USB connectors (2), ATX power connector, AGP slot
DIAMOND FLOWER, INC.
Pentium II
P2XLX/E (REV. A+)
32-bit PCI slots (4), floppy drive interface, green PC connector, IDE interfaces (2), parallel port, PS/2 mouse port, serial ports (2), IR connector, USB connector, ATX power connector, AGP slot
DIGITAL EQUIPMENT CORPORATION
Pentium II
CELEBRIS GL-2
DIGITAL EQUIPMENT CORPORATION
Pentium II
DIGITAL SERVER 1200
32-bit PCI slots (5), Ethernet 10BaseT connector, floppy drive interface, Wide SCSI interface, parallel port, PS/2 mouse port, serial ports (2), VGA port, USB connectors (2), CPU slot
DIGITAL EQUIPMENT CORPORATION
Pentium Pro/Pentium II
DIGITAL SERVER 3100, 3200
32-bit PCI slots (3), floppy drive interface, SCSI interface, Wide Ultra SCSI interface, parallel port, PS/2 mouse port, serial ports (2), VGA port, CPU slot
DIGITAL EQUIPMENT CORPORATION
Pentium Pro/Pentium II
DIGITAL SERVER 3100R, DIGITAL SERVER 3200R
DIGITAL EQUIPMENT CORPORATION
Pentium Pro/Pentium II
DIGITAL SERVER 5100, DIGITAL SERVER 5200
DIGITAL EQUIPMENT CORPORATION
Pentium II
PC 3500, PC 5510
Ethernet 10BaseT connector, AUI/BNC connector floppy drive interface, parallel port, PS/2 mouse port, serial port, VGA port, VRM connector, USB connectors (2), AGP slot
DIGITAL EQUIPMENT CORPORATION
Pentium II
PC 5500
DIGITAL EQUIPMENT CORPORATION
Pentium II
PERSONAL WORKSTATION 266I
DTK
Pentium II
PAM-0076I (VER. 1.03)
32-bit PCI slots (4), floppy drive interface, IDE interface, parallel port, PS/2 mouse port, serial ports (2), USB connectors (2), IR connector
DTK COMPUTER, INC.
Pentium II
PRM-0074I (VER. 1.01)
32-bit PCI slots (5), floppy drive interface, green PC connector, IDE interface (2), parallel port, PS/2 mouse port, serial ports (2), IR connector, USB connector (2), ATX power connector
DTK COMPUTER, INC.
Pentium II
PRM-0074I (VER. 1.02)
32-bit PCI slots (5), floppy drive interface, green PC connector, IDE interface (2), parallel port, PS/2 mouse port, serial ports (2), IR connector, USB connector (2), ATX power connector
DTK COMPUTER, INC.
Pentium II
PRM-0076I (VER. 1.00)
32-bit PCI slots (4), floppy drive interface, IDE interfaces (2), parallel port, PS/2 mouse port, serial ports (2), IR connector, USB connectors (2), AGP slot, ATX power connector
DTK COMPUTER, INC.
Pentium II
PRM-0076I (VER. 1.01)
32-bit PCI slots (4), floppy drive interface, IDE interface, parallel port, PS/2 mouse port, serial ports (2), USB connectors (2), IR connector
DTK COMPUTER, INC.
Pentium II
PRM-0076I (VER. 1.02)
32-bit PCI slots (4), floppy drive interface, IDE interface, parallel port, PS/2 mouse port, serial ports (2), USB connectors (2), IR connector
DTK COMPUTER, INC.
Pentium II/Celeron
PRM-0076I (VER. 1.05)
32-bit PCI slots (4), floppy drive interface, IDE interface, parallel port, PS/2 mouse port, serial ports (2), USB connectors (2), IR connector
DTK COMPUTER, INC.
Pentium II
PRM-0076I (VER. 3.00)
32-bit PCI slots (4), floppy drive interface, IDE interface (2), parallel port, PS/2 mouse port, serial ports (2), USB connectors (2), IR connector, AGP slot, ATX power connector
DTK COMPUTER, INC.
Pentium II/Celeron
PRM-0076I (VER. 3.01)
32-bit PCI slots (4), floppy drive interface, IDE interface, parallel port, PS/2 mouse port, serial ports (2), USB connectors (2), IR connector
DTK COMPUTER, INC.
Pentium II
PRM-00771 (VER. 1.00)
32-bit PCI slots (4), floppy drive interface, IDE interfaces (2), parallel port, PS/2 mouse port, serial ports (2), USB ports (2), SCSI connector, SCSI UltraWide connector, AGP slot, RAID slot
DTK COMPUTER, INC.
Pentium II
PRM-0077I (VER. 1.10)
32-bit PCI slots (4), floppy drive interface, IDE interfaces (2), parallel port, PS/2 mouse port, serial ports (2), USB ports (2), SCSI connector, SCSI UltraWide connector, AGP slot, RAID slot
DTK COMPUTER, INC.
Pentium II
PRM-0080I (VER. 1.00)
32-bit PCI slots (4), floppy drive interface, green PC connector, IDE interface, parallel port, PS/2 mouse port, serial ports (2),
DTK COMPUTER, INC.
Pentium II
PRM-0080I (VER. 3.00)
32-bit PCI slots (4), floppy drive interface, IDE interface, parallel port, PS/2 mouse port, serial ports (2), USB connectors (2), IR connector
DTK COMPUTER, INC.
Pentium II
PRM-0082I (VER. 1.01)
32-bit PCI slots (2), floppy drive interface, game/MIDI port, IDE interfaces (2), parallel port, PS/2 mouse port, serial ports (2), IR connector, USB connectors (2), ATX power connector, AGP slot, line in, line out, microphone in, audio in – CD-ROMs
DTK COMPUTER, INC.
Pentium II
PRM-0082I (VER. 1.02)
32-bit PCI slots (2), floppy drive interface, game/MIDI port, IDE interfaces (2), parallel port, PS/2 mouse port, serial ports (2), IR connector, USB connectors (2), ATX power connector, AGP slot, line in, line out, microphone in, audio in – CD-ROMs
EFA CORPORATION
Pentium II
MAGELLAN BX
32-bit PCI slots (4), floppy drive interface, IDE interfaces (2), parallel port, PS/2 mouse port, serial ports (2), IR connector, USB connectors (2), ATX power connector, AGP slot
EFA CORPORATION
Pentium II
P6KFX-ATX
32-bit PCI slots (4), floppy drive interface, IDE interfaces (2), parallel port, PS/2 mouse port, serial ports (2), IR connector, ATX power connector
EFA CORPORATION
Pentium II
P6LX-ATX
32-bit PCI slots (3), floppy drive interface, green PC connector, IDE interfaces (2), parallel port, PS/2 mouse port, serial ports (2), IR connector, USB connector, ATX power connector, AGP slot
ELITEGROUP COMPUTER SYSTEMS, INC.
Pentium II
P6BX-A+
32-bit PCI slots (5), floppy drive interface, green PC connector, IDE interfaces (2), parallel port, PS/2 mouse port, serial ports (2), IR connector, USB connectors (2), ATX power connector, AGP slot
ELITEGROUP COMPUTER SYSTEMS, INC.
Pentium II
P6BX-AE
32-bit PCI slots (4), floppy drive interface, green PC connector, IDE interfaces (2), parallel port, PS/2 mouse port, serial ports (2), IR connector, USB connectors (2), ATX power connector, AGP slot
ELITEGROUP COMPUTER SYSTEMS, INC.
Pentium II
P6EX-ME
32-bit PCI slots (2), floppy drive interface, game/MIDI port, green PC connector, IDE interfaces (2), parallel port, PS/2 mouse port, serial ports (2), IR connector, USB connectors (2), ATX power connector, AGP slot, line in, line out, microphone in
ELITEGROUP COMPUTER SYSTEMS, INC.
Pentium II
P6KFX-A
32-bit PCI slots (5), floppy drive interface, green PC connector, IDE interfaces (2), parallel port, PS/2 mouse port, serial ports (2), IR connectors (2), USB connectors (2), ATX power connector
ELITEGROUP COMPUTER SYSTEMS, INC.
Pentium II
P6LX-A
32-bit PCI slots (4), green PC connector, floppy drive interface, game port, IDE interfaces (2), SCSI interface, Ultra Wide SCSI interface, parallel port, PS/2 mouse port, serial ports (2), IR connectors (2), USB connectors (2), ATX power connector,
ELITEGROUP COMPUTER SYSTEMS, INC.
Pentium II
P6LX-A+
32-bit PCI slots (4), floppy drive interface, green PC connector, IDE interfaces (2), parallel port, PS/2 mouse port, serial ports (2), IR connector, USB connectors (2), ATX power connector, AGP slot
ELITEGROUP COMPUTER SYSTEMS, INC.
Pentium II
P6LX-B
32-bit PCI slots (4), floppy drive interface, green PC connector, IDE interfaces (2), parallel port, PS/2 mouse interface, serial ports (2), IR connectors (2), USB connectors (2), ATX power connector, AGP slot
ELITEGROUP COMPUTER SYSTEMS, INC.
Pentium II
P6LX2-A
32-bit PCI slots (5), floppy drive interface, , green PC connector, IDE interfaces (2), SCSI interface, Ultra-SCSI Wide interface, parallel port, PS/2 mouse port, serial ports (2), IR connector, USB connectors (2), ATX power connector, AGP slot, RAI
EPOX COMPUTER CO., LTD.
Pentium II
EP-61LXA-M
32-bit PCI slots (4), floppy drive interface, IDE interfaces (2), parallel port, PS/2 mouse port, serial ports (2), IR connector, USB connectors (2), ATX power connector, AGP slot
EPOX COMPUTER CO., LTD.
Pentium II
KP6-FX
32-bit PCI slots (4), floppy drive interface, green PC connector, IDE interfaces (2), parallel port, PS/2 mouse port, serial ports (2), IR connector, USB connector, ATX power connector
EPOX COMPUTER CO., LTD.
Pentium II
KP6-FX2
32-bit PCI slots (5), floppy drive interface, green PC connector, IDE interfaces (2), parallel port, PS/2 mouse port, serial ports (2), IR connector, USB connectors (3), ATX power connector
EPOX COMPUTER CO., LTD.
Pentium II
KP6-LA
32-bit PCI slots (4), floppy drive interface, green PC connector, IDE interfaces (2), parallel port, PS/2 mouse port, serial ports (2), IR connector, USB connectors (2), ATX power connector, AGP slot
EPOX COMPUTER CO., LTD.
Pentium II
KP6-LS (SMP)
32-bit PCI slots (4), floppy drive interface, green PC connector, IDE interfaces (2), parallel port, PS/2 mouse port, serial ports (2), IR connector, USB connectors (2), ATX power connector, AGP slot
EURONE
Pentium II
EM-7015
32-bit PCI slots (3), floppy drive interface, game/sound interface, IDE interfaces (2), parallel port, PS/2 mouse port, PS/2 mouse interface, serial ports (2), ATX power connector, AGP slot, digital line in, digital line out, audio in – CD-ROMs (2
EURONE
Pentium II
EM-7020
32-bit PCI slots (4), floppy drive interface, IDE interfaces (2), parallel port, PS/2 mouse port, serial ports (2), IR connector, USB connectors (2), ATX power connector, AGP slot
EURONE
Pentium II
MS-7016S
32-bit PCI slots (3), floppy drive interface, game/sound interface, IDE interfaces (2), parallel port, PS/2 mouse interface, serial ports (2), ATX power connector, AGP slot, digital line in, digital line out, audio in – CD-ROMs (2)
EURONE
Pentium II/Celeron
MS-7060S
32-bit PCI slots (4), floppy drive interface, game/MIDI port, IDE interfaces (2), parallel port, PS/2 mouse port, serial ports (2), IR connector, USB connectors (2), ATX power connector, AGP slot, line in, line out, microphone in, audio in – CD-ROMs
EURONE
Pentium II/Celeron
MS-7070S
32-bit PCI slots (4), floppy drive interface, game/MIDI port, IDE interfaces (2), parallel port, PS/2 mouse port, serial ports (2), IR connector, USB connectors (2), ATX power connector, AGP slot, line in, line out, microphone in, audio in – CD-ROMs
EURONE (HK) CO., LTD.
Pentium II
EM-7010
32-bit PCI slots (4), floppy drive interface, IDE interfaces (2), parallel port, PS/2 mouse port, serial ports (2), IR connector, USB connectors (2), ATX power connector, AGP slot
FIRST INTERNATIONAL COMPUTER, INC.
Pentium II
KL-6011
32-bit PCI slots (5), floppy drive interface, green PC connector, IDE interfaces (2), parallel port, PS/2 mouse port, serial ports (2), IR connector, USB connectors (2), ATX power connector, AGP slot
FIRST INTERNATIONAL COMPUTER, INC.
Pentium II
KN-6000
32-bit PCI slots (5), floppy drive interface, green PC connector, IDE interfaces (2), parallel port, PS/2 mouse interface, serial ports (2), IR connector, USB connectors (2), CPU Slot 1
FIRST INTERNATIONAL COMPUTER, INC.
Pentium II
KN-6010
32-bit PCI slots (5), floppy drive interface, green PC connector, IDE interfaces (2), parallel port, PS/2 mouse interface, serial ports (2), IR connectors (2), USB connectors (2), ATX power connector, CPU Slot 1
FIRST INTERNATIONAL COMPUTER, INC.
Pentium II
VL-601
32-bit PCI slots (5), floppy drive interface, green PC connector, IDE interfaces (2), parallel port, PS/2 mouse port, serial ports (2), IR connector, USB connectors (2), ATX power connector, AGP slot
FIRST INTERNATIONAL COMPUTER, INC.
Pentium II
VL-603
32-bit PCI slots (2), floppy drive interface, game/MIDI port, green PC connector, IDE interfaces (2), parallel port, PS/2 mouse port, serial ports (2), IR connector, USB connectors (2), ATX power connector, AGP slot, line in, line out, microphone in
FLASH TECH, INC.
Pentium II
SL-61A
32-bit PCI slots (4), floppy drive interface, green PC connector, IDE interfaces (2), parallel port, PS/2 mouse interface, serial ports (2), IR connector, USB connector, ATX power connector
FLASH TECH, INC.
Pentium II
SL-61B
32-bit PCI slots (3), floppy drive interface, IDE interfaces (2), parallel port, PS/2 mouse interface, serial ports (2), IR connector, USB connector (2), AGP slot, ATX power connector, green PC connector
FLASH TECH, INC.
Pentium II/Celeron
SL-61C
32-bit PCI slots (3), floppy drive interface, IDE interfaces (2), parallel port, PS/2 mouse port, serial ports (2), AGP slot, USB connector, IR connector, green PC connector
FLASH TECH, INC.
Pentium II
SL-66A (VER. 1.0)
32-bit PCI slots (4), floppy drive interface, IDE interface (2), parallel port, PS/2 mouse port, serial ports (2), USB connector (2), IR connector, AGP slot, green PC connector, ATX power connector
FLASH TECH, INC.
Pentium II
SL-66A (VER. 2.0)
32-bit PCI slots (4), floppy drive interface, IDE interfaces (2), parallel port, PS/2 mouse port, serial ports (2), USB connector (2), IR connector, AGP slot, ATX power connector, green PC connector
FLASH TECH, INC.
Pentium II
SL-66A-C (VER. 1.0)
32-bit PCI slots (4), floppy drive interface, IDE interface (2), SCSI connector, parallel port, PS/2 mouse port, serial ports (2), USB connector (2), IR connector, AGP slot, green PC connector, ATX power connector, SCSI connector, Wide Ultra SCSI con
FLASH TECH, INC.
Pentium II
SL-66A-C (VER. 2.0)
32-bit PCI slots (4), floppy drive interface, IDE interfaces (2), parallel port, PS/2 mouse port, serial ports (2), USB connector (2), IR connector, AGP slot, ATX power connector, green PC connector, SCSI connector, Wide Ultra SCSI connector
FLASH TECH, INC.
Pentium II
SL-66B
32-bit PCI slots (4), floppy drive interface, IDE interface (2), parallel port, PS/2 mouse port, serial ports (2), USB ports (2), IR connector, ATX power connector, AGP slot, green PC connector
FLASH TECH, INC.
Pentium II/Celeron
SL-66D
32-bit PCI slots (4), floppy drive interface, IDE interfaces (2), parallel port, PS/2 mouse port, serial ports (2), AGP slot, USB ports (2), IR connector, green PC connector, ATX power connector
FLASH TECH, INC.
Pentium II/Deschutes
SL-67A
32-bit PCI slots (4), floppy drive interface, IDE interfaces (2), parallel port, PS/2 mouse port, serial ports (2), green PC connector, USB port (2), AGP slot, RAID slot, IR connector, ATX power connector
FLASH TECH, INC.
Pentium II/Deschutes
SL-67A-C
32-bit PCI slots (4), floppy drive interface, IDE interfaces (2), parallel port, PS/2 mouse port, serial ports (2), green PC connector, USB port (2), AGP slot, RAID slot, IR connector, ATX power connector, SCSI connector, Wide Ultra SCSI connecto
FREE COMPUTER TECHNOLOGY, INC.
Pentium II
P6F77
32-bit PCI slots (5), floppy drive interface, green PC connector, IDE interfaces (2), parallel port, PS/2 mouse port, serial ports (2), IR connector, USB connectors (2), ATX power connector, CPU Slot 1
FREE COMPUTER TECHNOLOGY, INC.
Pentium II
P6F82
32-bit PCI slots (4), floppy drive interface, green PC connector, IDE interfaces (2), parallel port, PS/2 mouse port, serial ports (2), IR connector, USB connectors (2), ATX power connector, AGP slot
FREE COMPUTER TECHNOLOGY, INC.
Pentium II
P6F90
32-bit PCI slots (4), floppy drive interface, IDE interfaces (2), parallel port, PS/2 mouse port, serial ports (2), IR connector, USB connectors (2), ATX power connector, AGP slot, SB-link connector, wake on LAN connector
FREE COMPUTER TECHNOLOGY, INC.
Pentium II
P6F91
32-bit PCI slots (4), floppy drive interface, IDE interfaces (2), parallel port, PS/2 mouse port, serial ports (2), IR connector, USB connectors (2), ATX power connector, AGP slot, SB-link connector, wake on LAN connector
FREE COMPUTER TECHNOLOGY, INC.
Pentium II/Celeron
P6F92
32-bit PCI slots (3), floppy drive interface, IDE interfaces (2), parallel port, PS/2 mouse interface, serial ports (2), IR connector, USB connector, ATX power connector, AGP slot, SB-link connector, wake on LAN connector
FREE COMPUTER TECHNOLOGY, INC.
Pentium II/Celeron
P6F94
32-bit PCI slots (3), floppy drive interface, game/MIDI port, IDE interfaces (2), parallel port, PS/2 mouse port, IR connector, USB connectors (2), ATX power connector, AGP slot, line in, line out, microphone in, SB-link connector, wake on LAN connec
FREETECH CORPORATION
Pentium II/Celeron
P6F90I
32-bit PCI slots (4), floppy drive interface, IDE interfaces (2), parallel port, PS/2 mouse port, serial ports (2), IR connector, USB connectors (2), ATX power connector, AGP slot
FREETECH CORPORATION
Pentium II/Celeron
P6F91I
32-bit PCI slots (5), floppy drive interface, IDE interfaces (2), parallel port, PS/2 mouse port, serial ports (2), IR connector, USB connectors (2), ATX power connector, AGP slot
GEMLIGHT COMPUTER, LTD.
Pentium II
GMB-P6BIAK (VER. 1.00)
32-bit PCI slots (4), floppy drive interface, green PC connector, IDE interface, parallel port, PS/2 mouse port, serial ports (2),
GEMLIGHT COMPUTER, LTD.
Pentium II
GMB-P6EIMG (VER. 1.00)
32-bit PCI slots (2), floppy drive interface, game/MIDI port, IDE interfaces (2), parallel port, PS/2 mouse port, serial ports (2), IR connector, USB connectors (2), ATX power connector, AGP slot, line in, line out, microphone in, audio in – CD-ROMs
GEMLIGHT COMPUTER, LTD.
Pentium II
GMB-P6EIMG (VER. 1.01)
32-bit PCI slots (2), floppy drive interface, game/MIDI port, IDE interfaces (2), parallel port, PS/2 mouse port, serial ports (2), IR connector, USB connectors (2), ATX power connector, AGP slot, line in, line out, microphone in, audio in – CD-ROMs
GEMLIGHT COMPUTER, LTD.
Pentium II
GMB-P6EIMG (VER. 1.02)
32-bit PCI slots (2), floppy drive interface, game/MIDI port, IDE interfaces (2), parallel port, PS/2 mouse port, serial ports (2), IR connector, USB connectors (2), ATX power connector, AGP slot, line in, line out, microphone in, audio in – CD-ROMs
GEMLIGHT COMPUTER, LTD.
Pentium II
GMB-P6IAK (VER. 1.01)
32-bit PCI slots (5), floppy drive interface, green PC connector, IDE interfaces (2), parallel port, PS/2 mouse port, serial ports (2), IR connector, USB connectors (2), ATX power connector, CPU Slot 1
GEMLIGHT COMPUTER, LTD.
Pentium II
GMB-P6IAK (VER. 1.02)
32-bit PCI slots (5), floppy drive interface, green PC connector, IDE interface (2), parallel port, PS/2 mouse port, serial ports (2), IR connector, USB connector (2), ATX power connector
GEMLIGHT COMPUTER, LTD.
Pentium II
GMB-P6LIAK (VER. 1.04)
32-bit PCI slots (4), floppy drive interface, IDE interface, parallel port, PS/2 mouse port, serial ports (2), USB connectors (2), IR connector
GEMLIGHT COMPUTER, LTD.
Pentium II
GMB-P6LIAK (VER. 1.05)
32-bit PCI slots (4), floppy drive interface, IDE interface, parallel port, PS/2 mouse port, serial ports (2), USB connectors (2), IR connector
GEMLIGHT COMPUTER, LTD.
Pentium II/Celeron
GMB-P6LIAK (VER. 1.06)
32-bit PCI slots (4), floppy drive interface, IDE interface, parallel port, PS/2 mouse port, serial ports (2), USB connectors (2), IR connector
GEMLIGHT COMPUTER, LTD.
Pentium II
GMB-P6LIAK (VER. 3.00)
32-bit PCI slots (4), floppy drive interface, IDE interface, parallel port, PS/2 mouse port, serial ports (2), USB connectors (2), IR connector
GEMLIGHT COMPUTER, LTD.
Pentium II/Celeron
GMB-P6LIAK (VER. 3.01)
32-bit PCI slots (4), floppy drive interface, IDE interface, parallel port, PS/2 mouse port, serial ports (2), USB connectors (2), IR connector
GEMLIGHT COMPUTER, LTD.
Pentium II
GMB-P6LIDK (VER. 1.00)
32-bit PCI slots (4), floppy drive interface, IDE interfaces (2), parallel port, PS/2 mouse port, serial ports (2), USB ports (2), SCSI connector, SCSI UltraWide connector, AGP slot, RAID slot
GEMLIGHT COMPUTER, LTD.
Pentium II
GMB-P6LIDK (VER. 1.10)
32-bit PCI slots (4), floppy drive interface, IDE interfaces (2), parallel port, PS/2 mouse port, serial ports (2), USB ports (2), SCSI connector, SCSI UltraWide connector, AGP slot, RAID slot
GEMLIGHT COMPUTERS, LTD.
Pentium II
GMB-P6LIAK (VER. 1.00)
32-bit PCI slots (4), floppy drive interface, IDE interfaces (2), parallel port, PS/2 mouse port, serial ports (2), IR connector, USB connectors (2), AGP slot, ATX power connector
GENOA SYSTEMS CORPORATION
Pentium II
PII AGP-LX
32-bit PCI slots (4), floppy drive interface, IDE interfaces (2), parallel port, PS/2 mouse port, serial ports (2), IR connector, USB connectors (2), ATX power connector, AGP slot
GIGA-BYTE TECHNOLOGY CO., LTD.
Pentium II
GA-686BLX
32-bit PCI slots (4), floppy drive interface, green PC connector, IDE interfaces (2), parallel port, PS/2 mouse port, serial ports (2), IR connector, USB connector, ATX power connector, AGP slot
GIGA-BYTE TECHNOLOGY CO., LTD.
Pentium II
GA-686BX (REV. 1.0)
32-bit PCI slots (4), floppy drive interface, green PC connector, IDE interfaces (2), parallel port, PS/2 mouse port, serial ports (2), IR connector, USB connectors (2), ATX power connector, AGP slot, SB-link connector, wake on LAN connector
GIGA-BYTE TECHNOLOGY CO., LTD.
Pentium II
GA-686BX (REV. 2.0)
32-bit PCI slots (4), floppy drive interface, green PC connector, IDE interfaces (2), parallel port, PS/2 mouse port, serial ports (2), IR connector, USB connectors (2), ATX power connector, AGP slot, SB-link connector, wake on LAN connector
GIGA-BYTE TECHNOLOGY CO., LTD.
Pentium II
GA-686DL2 (REV. 1.0)
32-bit PCI slots (4), floppy drive interface, green PC connector, IDE interfaces (2), parallel port, PS/2 mouse port, serial ports (2), IR connector, USB connectors (2), ATX power connector, AGP slot, wake on LAN connector
GIGA-BYTE TECHNOLOGY CO., LTD.
Pentium II
GA-686DLX
32-bit PCI slots (4), floppy drive interface, green PC connector, IDE interfaces (2), Ultra SCSI interface, Wide Ultra SCSI interface, parallel port, PS/2 mouse port, serial ports (2), IR connector, USB connectors (2), ATX power connector, AGP slot,
GIGA-BYTE TECHNOLOGY CO., LTD.
Pentium II
GA-686EX2 (REV. 1.0)
32-bit PCI slots (2), floppy drive interface, IDE interfaces (2), parallel port, PS/2 mouse port, serial ports (2), USB connectors (2), ATX power connector, AGP slot
GIGA-BYTE TECHNOLOGY CO., LTD.
Pentium II
GA-686KDX
32-bit PCI slots (5), floppy drive interface, green PC connector, IDE interfaces (2), parallel port, PS/2 mouse port, serial ports (2), IR connector, USB connectors (2), ATX power connector
GIGA-BYTE TECHNOLOGY CO., LTD.
Pentium II
GA-686KX
32-bit PCI slots (5), floppy drive interface, green PC connector, IDE interfaces (2), parallel port, PS/2 mouse port, serial ports (2), IR connector, USB connectors (2), ATX power connector
GIGA-BYTE TECHNOLOGY CO., LTD.
Pentium II
GA-686LX
32-bit PCI slots (4), floppy drive interface, green PC connector, IDE interfaces (2), parallel port, PS/2 mouse port, serial ports (2), IR connector, USB connectors (2), ATX power connector, AGP slot
GIGA-BYTE TECHNOLOGY CO., LTD.
Pentium II
GA-686LX2 (VER. 1.0)
32-bit PCI slots (5), floppy drive interface, green PC connector, IDE interfaces (2), parallel port, PS/2 mouse port, serial ports (2), IR connector, USB connectors (2), ATX power connector, AGP slot, wake on LAN connector
GIGA-BYTE TECHNOLOGY CO., LTD.
Pentium II
GA-686LX3 (VER. 1.0)
32-bit PCI slots (4), floppy drive interface, green PC connector, IDE interfaces (2), parallel port, PS/2 mouse port, serial ports (2), IR connector, USB connectors (2), ATX power connector, AGP slot
GIGA-BYTE TECHNOLOGY CO., LTD.
Pentium II
GA-686LX3 (VER. 2.0)
32-bit PCI slots (4), floppy drive interface, green PC connector, IDE interfaces (2), parallel port, PS/2 mouse port, serial ports (2), IR connector, USB connectors (2), ATX power connector, AGP slot, SB-link connector, wake on LAN connector
GIGA-BYTE TECHNOLOGY CO., LTD.
Pentium II
GA-686LX3 (VER. 2.2)
32-bit PCI slots (4), floppy drive interface, green PC connector, IDE interfaces (2), parallel port, PS/2 mouse port, serial ports (2), IR connector, USB connectors (2), ATX power connector, AGP slot, SB-link connector, wake on LAN connector, wake o
GIGA-BYTE TECHNOLOGY CO., LTD.
Pentium II
GA-686LX4 (VER. 1.0)
32-bit PCI slots (4), floppy drive interface, green PC connector, IDE interfaces (2), parallel port, PS/2 mouse port, serial ports (2), IR connector, USB connectors (2), ATX power connector, AGP slot
GIGA-BYTE TECHNOLOGY CO., LTD.
Pentium II/Celeron
GA-686LX4 (VER. 2.0)
32-bit PCI slots (4), floppy drive interface, green PC connector, IDE interfaces (2), parallel port, PS/2 mouse port, serial ports (2), IR connector, USB connectors (2), ATX power connector, AGP slot, SB-link connector, wake on LAN connector, wake o
GIGA-BYTE TECHNOLOGY CO., LTD.
Pentium II/Celeron
GA-686LX4 (VER. 2.2)
32-bit PCI slots (4), floppy drive interface, green PC connector, IDE interfaces (2), parallel port, PS/2 mouse port, serial ports (2), IR connector, USB connectors (2), ATX power connector, AGP slot, SB-link connector, wake on LAN connector, wake o
GIGA-BYTE TECHNOLOGY CO., LTD.
Pentium II
GA-6BA (REV. 1.0)
32-bit PCI slots (4), floppy drive interface, green PC connector, IDE interfaces (2), parallel port, PS/2 mouse interface, serial ports (2), IR connector, USB connector, ATX power connector, AGP slot, SB-link connector, wake on LAN connector
GIGA-BYTE TECHNOLOGY CO., LTD.
Pentium II/Celeron
GA-6BMM (VER. 1.4)
32-bit PCI slots (3), floppy drive interface, game/MIDI port, green PC connector, IDE interfaces (2), parallel port, PS/2 mouse port, serial ports (2), VGA port, IR connector, USB connectors (2), ATX power connector, AGP slot, line in, line out, micr
GIGA-BYTE TECHNOLOGY CO., LTD.
Pentium II/Celeron
GA-6BXA (VER. 1.0)
32-bit PCI slots (5), floppy drive interface, game/MIDI port, green PC connector, IDE interfaces (2), parallel port, PS/2 mouse port, serial ports (2), IR connector, USB connectors (2), ATX power connector, AGP slot, line in, line out, microphone in
GIGA-BYTE TECHNOLOGY CO., LTD.
Pentium II
GA-6BXC (REV. 1.0)
32-bit PCI slots (4), floppy drive interface, green PC connector, IDE interfaces (2), parallel port, PS/2 mouse port, serial ports (2), IR connector, USB connectors (2), ATX power connector, AGP slot, SB-link connector, wake on LAN connector
GIGA-BYTE TECHNOLOGY CO., LTD.
Pentium II
GA-6BXD (REV. 1.0)
32-bit PCI slots (5), floppy drive interface, green PC connector, IDE interfaces (2), parallel port, PS/2 mouse port, serial ports (2), IR connector, USB connectors (2), ATX power connector, AGP slot, SB-link connector, wake on LAN connector
GIGA-BYTE TECHNOLOGY CO., LTD.
Pentium II
GA-6BXDS (REV. 1.0)
32-bit PCI slots (4), floppy drive interface, green PC connector, IDE interfaces (2), SCSI interface, Wide Ultra SCSI interfaces (2), parallel port, PS/2 mouse port, serial ports (2), IR connector, USB connectors (2), ATX power connector, AGP slot, S
GIGA-BYTE TECHNOLOGY CO., LTD.
Pentium II
GA-6BXE (REV. 1.0)
32-bit PCI slots (5), floppy drive interface, green PC connector, IDE interfaces (2), parallel port, PS/2 mouse port, serial ports (2), IR connector, USB connectors (2), ATX power connector, AGP slot, SB-link connector, wake on LAN connector
GIGA-BYTE TECHNOLOGY CO., LTD.
Pentium II/Celeron
GA-6BXM (VER. 1.0)
32-bit PCI slots (4), floppy drive interface, game/MIDI port, green PC connector, IDE interfaces (2), parallel port, PS/2 mouse port, serial ports (2), VGA port, IR connector, USB connectors (2), ATX power connector, AGP slot, line in, line out, micr
GIGA-BYTE TECHNOLOGY CO., LTD.
Pentium II
GA-6BXS (REV. 1.0)
32-bit PCI slots (4), floppy drive interface, green PC connector, IDE interfaces (2), SCSI interface, Wide Ultra SCSI interfaces (2), parallel port, PS/2 mouse port, serial ports (2), IR connector, USB connectors (2), ATX power connector, AGP slot, S
GIGA-BYTE TECHNOLOGY CO., LTD.
Pentium II
GA-6EA (VER. 1.0)
32-bit PCI slots (3), floppy drive interface, green PC connector, IDE interfaces (2), parallel port, PS/2 mouse interface, serial ports (2), IR connector, USB connector, ATX power connector, AGP slot, SB-link connector, wake on LAN connector
GIGA-BYTE TECHNOLOGY CO., LTD.
Pentium II
GA-6EM (REV. 1.0)
32-bit PCI slots (2), floppy drive interface, green PC connector, IDE interfaces (2), parallel port, PS/2 mouse port, serial ports (2), USB connectors (2), ATX power connector, AGP slot, SB-link connector, wake on LAN connector
GIGA-BYTE TECHNOLOGY CO., LTD.
Pentium II
GA-6EMM (REV. 1.0)
32-bit PCI slots (2), floppy drive interface, game/MIDI port, green PC connector, IDE interfaces (2), parallel port, PS/2 mouse port, serial ports (2), VGA port, IR connector, USB connectors (2), ATX power connector, line in, line out, microphone in
GIGA-BYTE TECHNOLOGY CO., LTD.
Pentium II
GA-6EMMP (REV. 1.2)
32-bit PCI slots (2), floppy drive interface, game/MIDI port, green PC connector, IDE interfaces (2), parallel port, PS/2 mouse port, serial ports (2), VGA port, IR connector, USB connectors (2), ATX power connector, line in, line out, microphone in
GIGA-BYTE TECHNOLOGY CO., LTD.
Pentium II
GA-6EX (REV. 2.0)
32-bit PCI slots (4), floppy drive interface, green PC connector, IDE interfaces (2), parallel port, PS/2 mouse port, serial ports (2), IR connector, USB connectors (2), ATX power connector, AGP slot, SB-link connector, wake on LAN connector
GIGA-BYTE TECHNOLOGY CO., LTD.
Pentium II/Celeron
GA-6ZMM (VER. 1.4)
32-bit PCI slots (3), floppy drive interface, game/MIDI port, green PC connector, IDE interfaces (2), parallel port, PS/2 mouse port, serial ports (2), VGA port, IR connector, USB connectors (2), ATX power connector, AGP slot, line in, line out, micr
GIGABYTE TECHNOLOGY CO., LTD.
Pentium II
686DLX
32-bit PCI slots (4), floppy drive interface, IDE interfaces (2), Wide Ultra SCSI interface, Wide SCSI interface, parallel port, PS/2 mouse port, serial ports (2), IR connector, USB connectors (2), ATX power connector, AGP slot, RAID slot
GIGABYTE TECHNOLOGY CO., LTD.
Pentium II
6BX
32-bit PCI slots (4), floppy drive interface, IDE interfaces (2), parallel port, PS/2 mouse port, serial ports (2), IR connector, USB connectors (2), ATX power connector, AGP slot