![]() | 80 DATA Multi-I/O MINI 2S1P CARD Parallel port, Serial ports (2) 8 -bit ISA |
![]() | ACCELERATED COMPUTER TECHNOLOGY, INC. Floppy drive controller UNIVERSAL FLOPPY DISK CONTROLLER Floppy drive interface (3) 8-bit ISA |
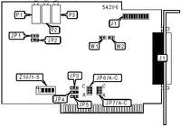
![]() | ACER, INC. Multi-I/O MGA-PC (VER. 2) Light pen port, parallel port, video out 8-bit ISA |
![]() | ACQUTEK CORPORATION Virtual memory card PM-7008 Watch dog timer connectors (2) 8-bit ISA |
![]() | ACQUTEK CORPORATION Virtual memory card PM-8002 Watch dog timer connector 8-bit ISA |
![]() | ACQUTEK CORPORATION Solid-state disk PM-9008 8-bit ISA |
![]() | ACQUTEK CORPORATION Multi-I/O card PX-ICOM Serial ports (2 RS-232, RS422/485) 8-bit ISA |
![]() | ADVANCED DIGITAL CORPORATION Serial controller card PC II SLAVE BOARD Serial ports (2) 8-bit ISA |
![]() | ADVANCED LOGIC RESEARCH, INC. Tape drive controller 150MB TAPE BACKUP HOST ADAPTER Tape drive interface (2) 8-bit ISA |
![]() | ADVANCED LOGIC RESEARCH, INC. Floppy drive controller FLOPPY I/O CONTROLLER floppy drive interface, parallel port, serial port 8-bit ISA |
![]() | ADVANTECH CO., LTD Analog output card PCL-728 9-pin serial ports (2 RS-232) 8-bit ISA |
![]() | ADVANTECH CO., LTD Digital I/O card PCL-730 Input channel connectors (2), output channel connectors (2), 37-pin input/output connector 8-bit ISA |
![]() | ADVANTECH CO., LTD. Relay Actuator Card PCL-735 37-pin Channel connector 8-bit ISA |
![]() | ALLOY COMPUTER PRODUCTS, INC. Floppy drive controller card, tape drive controller card FTFA/P 8-bit ISA |
![]() | ALLOY COMPUTER PRODUCTS, INC. I/O card PC-SLAVE/16N (VER. 1) Console port, terminal port 8-bit ISA |
![]() | ALLOY COMPUTER PRODUCTS, INC. I/O card PC-SLAVE/16N (VER. 2) Console port, terminal port 8-bit ISA |
![]() | ALLOY COMPUTER PRODUCTS, INC. I/O card PC-SLAVE/16N (VER. 3) Console port, terminal port 8-bit ISA |
![]() | AMDEK CORPORATION Serial/Parallel 286 DUAL SERIAL/PARALLEL INTERFACE BOARD Serial ports (2), parallel port 8-bit ISA |
![]() | AMDEK CORPORATION Serial/Parallel 286 SERIAL/PARALLEL INTERFACE BOARD Serial port, parallel port 8-bit ISA |
![]() | AMERICAN COMPUTER & PERIPHERAL INC. Multi I/O card ABOVEFUNCTION CARD Game port, memory, parallel port, serial port 8 -bit ISA |
![]() | AMERICAN DATA AQUISITION CORPORATION Data Aquisition 5500MF Analog input, digital input 8-bit ISA |
![]() | AMERICAN DATA AQUISITION CORPORATION Data Aquisition 5504DA REV.1 Analog input, digital input 8-bit ISA |
![]() | AMERICAN DATA AQUISITION CORPORATION Data Aquisition 5504DACL REV.1 Analog input, digital input 8-bit ISA |
![]() | AMERICAN DATA AQUISITION CORPORATION Data Aquisition 5508BG Analog input, digital input 8-bit ISA |
![]() | AMERICAN DATA AQUISITION CORPORATION Expansion adapter board 5508EXI 8-bit ISA |
![]() | AMERICAN DATA AQUISITION CORPORATION Data Aquisition 5508LC REV. 1-USI=1 Analog input, digital input 8-bit ISA |
![]() | AMERICAN DATA AQUISITION CORPORATION Data Aquisition 5508LC REV. 1-USI=2 Analog input, digital input 8-bit ISA |
![]() | AMERICAN DATA AQUISITION CORPORATION Data Aquisition 5508LC REV. 1-USI=3 Analog input, digital input 8-bit ISA |
![]() | AMERICAN DATA AQUISITION CORPORATION Data Aquisition 5508LF REV. 1-USI=1 Analog input, digital input 8-bit ISA |
![]() | AMERICAN DATA AQUISITION CORPORATION Data Aquisition 5508LF REV. 1-USI=2 Analog input, digital input 8-bit ISA |
![]() | AMERICAN DATA AQUISITION CORPORATION Data Aquisition 5508LF REV. 1-USI=3 Analog input, digital input 8-bit ISA |
![]() | AMERICAN DATA AQUISITION CORPORATION Data Acquisition 5508RTD Analog input, digital input 8-bit ISA |
![]() | AMERICAN DATA AQUISITION CORPORATION Data Aquisition 5508SCI REV. 1-USI=1 Analog input, digital input 8-bit ISA |
![]() | AMERICAN DATA AQUISITION CORPORATION Data Acquisition 5508TC Analog input, digital input 8-bit ISA |
![]() | AMERICAN DATA AQUISITION CORPORATION Data Aquisition 5516CCI, 5632TTL Analog input, digital input 8-bit ISA |
![]() | AMERICAN DATA AQUISITION CORPORATION Data Acquisition 5516DMA Analog input, digital input 8-bit ISA |
![]() | AMERICAN DATA AQUISITION CORPORATION Data Aquisition 5525MF, 5550MF Analog input, digital input 8-bit ISA |
![]() | AMERICAN DATA AQUISITION CORPORATION Data Aquisition 5532DMA REV.0 Analog input, digital input 8-bit ISA |
![]() | AMERICAN DATA AQUISITION CORPORATION Data Aquisition 5608ACI, 5608ACO, 5616DCI, 5616DCO Analog input, digital input 8-bit ISA |
![]() | AMERICAN POWER AND CONVERSION CORPORATION UPS monitor APC INTERFACE #AP9500 UPS control ports (2) 8 -bit ISA |
![]() | ANDREW CORPORATION Parallel card 3X TWIN MULTI-TWIN Parallel port 8 bit ISA |
![]() | ARCHIVE CORPORATION Tape Controller GALAXY 3100 TAPE CONTROLLER 8-bit ISA |
![]() | ARCHIVE CORPORATION Tape drive controller SC402 1/4 inch cartridge tape drive 8-bit ISA |
![]() | ARCHIVE CORPORATION Tape drive controller SC499 1/4 inch cartridge tape drive 8-bit ISA |
![]() | ARCHIVE CORPORATION Tape drive controller SC499R 1/4 inch cartridge tape drive 8-bit ISA |
![]() | ARNET CORPORATION I/O controller ARNET SYNC Serial ports (2) 8 -bit ISA |
![]() | ARNET CORPORATION I/O controller MULTIPORT Serial port (4 or 8) 8 -bit ISA |
![]() | ARNET CORPORATION Serial controller TWINPORT Serial ports (2) 8 -bit ISA |
![]() | AST RESEARCH, INC. Multi-I/O card COMBO CARD Parallel port, serial port 8-bit ISA |
![]() | AST RESEARCH, INC. Serial FOUR PORT Serial ports (4) 8-bit ISA |
![]() | AST RESEARCH, INC. Multi I/O G-10 SIX PAK PLUS (MICA) (1) Parallel, (2) Serial 8 -bit ISA |
![]() | AST RESEARCH, INC. Parallel card, Serial card I/O MINI EXPANSION I/O CARD Parallel port, serial ports (2) 8-bit ISA |
![]() | AST RESEARCH, INC. Multi-I/O card I/O MINI II (202123-001) Game port, parallel port, serial ports (2) 8-bit ISA |
![]() | AST RESEARCH, INC. Multi-I/O card I/O PLUS Parallel port, serial port, DTE connector, DCE connector 8-bit ISA |
![]() | AST RESEARCH, INC. Multi I/O card I/O PLUS II Apple game connector (2), IBM game connector, parallel port, serial port (2) 8 -bit ISA |
![]() | AST RESEARCH, INC. Multi-I/O card MEGAPLUS (REV. 6) Parallel port, serial ports (2) 8-bit ISA |
![]() | AST RESEARCH, INC. Multi-I/O card MEGAPLUS II Parallel port, serial port, DTE connector, DCE connector, 62-pin connector 8-bit ISA |
![]() | AST RESEARCH, INC. Multi-I/O card SIX PACK PLUS CARD Game port, parallel port, serial port 8-bit ISA |
![]() | AST RESEARCH, INC. Memory/Multi I/O SIXPACK PREMIUM Game port, parallel port, serial ports (2) 8 -bit ISA |
![]() | ATTACHMATE CORPORATION Serial card ASYNCHRONOUS SNA ADAPTER 8-bit ISA |
![]() | ATTACHMATE CORPORATION Serial card SDLC ADAPTER (ADVANCED FUNCTION) 8-bit ISA |
![]() | ATTACHMATE CORPORATION Serial card SDLC ADAPTER (NEW) 8-bit ISA |
![]() | ATTACHMATE CORPORATION Serial card SDLC ADAPTER (ORIGINAL) 8-bit ISA |
![]() | AUVA COMPUTER, INC. Multi I/O MULTIFUNCTION I/O CARD Floppy interface, parallel port, serial ports (2), game port, clock 8 -bit ISA |
![]() | B & B ELECTRONICS Serial 422ICCA, 422ICCB Serial port 8-bit ISA |
![]() | B & B ELECTRONICS Serial card PCWDT 8-bit ISA |
![]() | BIOSTAR MICROTECH INTERNATIONAL CORPORATION Multi-I/O card BS-310 Game port, parallel port, serial ports (2) 32-bit ISA |
![]() | BLACK BOX CORPORATION Serial card PC422/485 Serial port 8-bit ISA |
![]() | BOCA RESEARCH INC. Multi I/O card IO/AT Clock, parallel port, serial ports (2) 8 -bit ISA |
![]() | BOCA RESEARCH INC. Multi I/O card IO/AT 44 Parallel ports (2), serial ports (2) 8 -bit ISA |
![]() | BOCA RESEARCH, INC. Parallel/Serial card I/O 450 Parallel port (2), serial port (2) 8-bit ISA |
![]() | BOCA RESEARCH, INC. Multi-I/O card I0AT41, IOAT42 Parallel port, serial port 8-bit ISA |
![]() | BOCA RESEARCH, INC. Multi I/O card IO 2 BY 4 Parallel ports (2), serial ports (4) 8 -bit ISA |
![]() | BOCA RESEARCH, INC. Serial Card IO650 Serial ports (2) 8 -bit ISA |
![]() | BOCA RESEARCH, INC. Multi-I/O IOAT (VER. 2) Parallel port, Serial ports (2) 8 -bit ISA |
![]() | BOCA RESEARCH, INC. MULTI I/O IOAT43 Parallel port, Serial port (2) 8 -bit ISA |
![]() | BOCA RESEARCH, INC. Multi I/O card IOAT45 Parallel ports (2), serial ports (2) 8 -bit ISA |
![]() | BOCA RESEARCH, INC. Multi I/O card IOAT55 Parallel port, serial ports (2) 8 -bit ISA |
![]() | BRAIN BOXES Serial card AT DUAL PORT RS422/485 8-bit ISA |
![]() | BRAIN BOXES Serial card AT DUAL PORT RS422/485 (OPTO ISOLATED) 8-bit ISA |
![]() | BRAIN BOXES Serial card AT DUAL RS232 9 & 25 8-bit ISA |
![]() | BRAIN BOXES Serial card AT DUAL RS232 TWIN 9 8-bit ISA |
![]() | BRAIN BOXES Serial card AT LPT RS232 8-bit ISA |
![]() | BRAIN BOXES Serial card AT ONE PORT RS232 8-bit ISA |
![]() | BRAIN BOXES Serial card AT OPTO DUAL RS232 8-bit ISA |
![]() | BRAIN BOXES Serial card AT TRIPLE RS232 8-bit ISA |
![]() | BRAIN BOXES Serial card AT VELOCITY RS232 8-bit ISA |
![]() | BRAIN BOXES Serial card AT VELOCITY RS422/485 8-bit ISA |
![]() | BRAIN BOXES Digital I/O card RELAY 16 37-pin port 8-bit ISA |
![]() | CARROLL TOUCH Serial card HBC 8-bit ISA |
![]() | CENTRAL POINT SOFTWARE, INC. Floppy enhancer COPY II PC DELUXE OPTION BOARD Floppy drive daisy-chain ports 8-bit ISA |
![]() | CENTRAL POINT SOFTWARE, INC. Floppy enhancer COPY II PC OPTION BOARD Floppy drive daisy-chain ports 8-bit ISA |
![]() | CHASE RESEARCH, INC. Serial card CHASE IOXTRA Serial ports (2) 8-bit ISA |
![]() | COLORADO MEMORY SYSTEMS, INC. Tape drive controller PC-02 Tape drive connector (internal/external) 8 -bit ISA |
![]() | COMPUTER MODULES, INC. Serial LPC SERIAL/2A Serial ports (2) 8-bit ISA |
![]() | COMPUTER MODULES, INC. Clock/calendar card PCRTC 8-bit ISA |
![]() | COMPUTONE CORPORATION Serial VALUEPORT V4 Serial ports (4) 8-bit ISA |
![]() | CREATIVE LABS, INC. CD-ROM Interface Card CD-ROM INTERFACE CARD (CT1810) CD-ROM interfaces (2) 8-bit ISA |
![]() | CREATIVE LABS, INC. CD-ROM Interface Card CD-ROM INTERFACE CARD (CT1830) CD-ROM interfaces (2) 8-bit ISA |
![]() | CREATIVE LABS, INC. TV Card CREATIVE TV CODER 8-bit ISA |
![]() | CREATIVE LABS, INC. CD-ROM interface card INTERNAL CD-ROM INTERFACE CARD CD-ROM interface, external CD-Rom port, audio jack 8 -bit ISA |
![]() | DATA TECHNOLOGY CORPORATION Floppy drive controller DTC5110 Floppy drive interface 8 -bit ISA |
![]() | DATA TECHNOLOGY CORPORATION Floppy drive controller DTC5110 (REV. B) Floppy drive interface 8-bit ISA |
![]() | DATUM, INC. Time code generator PC05XT 8 -bit ISA |
![]() | DECISION COMPUTER INTERNATIONAL CO., LTD. Data acquisition 12 BIT AD/DA CARD Analog/digital signal I/O 8-bit ISA |
![]() | DECISION COMPUTER INTERNATIONAL CO., LTD. Data acquisition 12/14/16-BIT A/D-D/A CARD Analog/digital I/O 8-bit ISA |
![]() | DECISION COMPUTER INTERNATIONAL CO., LTD. Data acquisition 16 CHANNEL RELAY OUTPUT/PHOTO-ISOLATOR Opto-isolated input port, relay control output port 8-bit ISA |
![]() | DECISION COMPUTER INTERNATIONAL CO., LTD. Data acquisition 8 CHANNEL 12/14-BIT D/A CARD Analog/digital I/O 8-bit ISA |
![]() | DECISION COMPUTER INTERNATIONAL CO., LTD. Data acquisition 8 CHANNEL 8-BIT D/A CARD Analog/digital I/O 8-bit ISA |
![]() | DECISION COMPUTER INTERNATIONAL CO., LTD. Data acquisition 8 CHANNEL RELAY OUTPUT/PHOTO-ISOLATOR Opto-isolated input and relay control output port 8-bit ISA |
![]() | DECISION COMPUTER INTERNATIONAL CO., LTD. Data acquisition 8-BIT ISA INDUSTRIAL CONTROL CARD Digital I/O ports (4) 8-bit ISA |
![]() | DECISION COMPUTER INTERNATIONAL CO., LTD. Data acquisition 8255/8253 I/O CARD Digital I/O ports (2) 8-bit ISA |
![]() | DECISION COMPUTER INTERNATIONAL CO., LTD. Data acquisition 8255/8254 LAB CARD Digital I/O ports (2) 8-bit ISA |
![]() | DECISION COMPUTER INTERNATIONAL CO., LTD. Data acquisition ADVANCE A/D-D/A DIGITAL I/O CARD Analog/digital I/O 8-bit ISA |
![]() | DECISION COMPUTER INTERNATIONAL CO., LTD. Data acquisition MULTI 8255/8253 CARD Digital I/O ports (4), counter port 8-bit ISA |
![]() | DECISION COMPUTER INTERNATIONAL CO., LTD. Serial PCCOM 8-BIT ISA 2-PORT RS422/485 Serial ports (2) 8-bit ISA |
![]() | DECISION COMPUTER INTERNATIONAL CO., LTD. Serial PCCOM 8-BIT ISA 4-PORT RS-232 Serial ports (4 RS-232) 8-bit ISA |
![]() | DECISION COMPUTER INTERNATIONAL CO., LTD. Serial PCCOM 8-BIT ISA 4-PORT RS-422 (NEW) Serial ports (4) 8-bit ISA |
![]() | DECISION COMPUTER INTERNATIONAL CO., LTD. Serial PCCOM 8-BIT ISA 4-PORT RS-422 (OLD) Serial ports (4) 8-bit ISA |
![]() | DECISION COMPUTER INTERNATIONAL CO., LTD. Serial PCCOM 8-BIT ISA 8-PORT DB-37 RS-232/422 Serial ports (8) 8-bit ISA |
![]() | DECISION COMPUTER INTERNATIONAL CO., LTD. Serial PCCOM 8-BIT ISA 8-PORT RJ-11 RS-232/422 Serial ports (8) 8-bit ISA |
![]() | DECISION COMPUTER INTERNATIONAL CO., LTD. Memory-based disk PCDISK/384KB Auto-reset function 8-bit ISA |
![]() | DECISION COMPUTER INTERNATIONAL CO., LTD. Memory-based disk PCDISK/512KB Auto-reset function 8-bit ISA |
![]() | DECISION COMPUTER INTERNATIONAL CO., LTD. Serial SAFLINE 4-PORT MULTIPLEXER SERIAL Serial ports (4) 8-bit ISA |
![]() | DECISION COMPUTER INTERNATIONAL CO., LTD. Data acquisition SUPER 12 BIT AD/DA CARD Analog/digital signal I/O 8-bit ISA |
![]() | DECISION COMPUTER INTERNATIONAL CO., LTD. Data acquisition TTL/IO CARD Digital I/O ports (2) 8-bit ISA |
![]() | DIALOGIC CORPORATION Telephony D/21D, D/41D (REV. 2) AEB bus 8-bit ISA |
![]() | DIALOGIC CORPORATION Telephony D/41E (REV. 2) Wavetable header 8-bit ISA |
![]() | DIALOGIC CORPORATION Switch Integration card D/42D-SL RJ-14 jacks (4) 8-bit ISA |
![]() | DIALOGIC CORPORATION Switch Integration card D/42D-SX RJ-11 jacks (2) 8-bit ISA |
![]() | DIAMOND FLOWER, INC. Multi I/O DIAMOND I/O Parallel port, serial ports (2) 8 -bit ISA |
![]() | DIAMOND FLOWER, INC. Multi-I/O card DIO-100 Parallel port, serial ports (2) 8-bit ISA |
![]() | DIAMOND FLOWER, INC. Multi I/O DIO-200A Game, parallel port, serial ports (2) 8 -bit ISA |
![]() | DIAMOND FLOWER, INC. Multi I/O card DIO-200X Clock, game port, parallel port, serial ports (2) 8 -bit ISA |
![]() | DIAMOND FLOWER, INC. Multi-I/O card DIO-222-OHM (REV.AC0+) Serial ports (2), Parallel ports (2) 8-bit ISA |
![]() | DIAMOND FLOWER, INC. Multi I/O DIO-500 Game port, parallel port, serial ports (2) 8 -bit ISA |
![]() | DIAMOND FLOWER, INC. Multi-I/O card DIO-550G Serial ports (2), parallel port, game port 8-bit ISA |
![]() | DIAMOND FLOWER, INC. Multi-I/O card MCT-MI0 Game port, parallel port, serial ports (2), Clock/Calendar external battery connector 8-bit ISA |
![]() | DIAMOND FLOWER, INC. Multi-I/O card MF-100/MF-100(A) Game port, parallel port, serial ports (2) 8-bit ISA |
![]() | DIAMOND FLOWER, INC. Multi-I/O MIO-200 Clock/calendar, floppy drive interfaces (2), game port, parallel port, serial ports (2) 8-bit ISA |
![]() | DIAMOND FLOWER, INC. Multi I/O card MS-400 Serial ports (4) 8 -bit ISA |
![]() | DIAMOND FLOWER, INC. Multi I/O card MS-422 Serial ports (2) 8 -bit ISA |
![]() | DIAMOND FLOWER, INC. Serial controller MU-440 Serial I/O ports (4) 8 -bit ISA |
![]() | DIAMOND FLOWER, INC. Multi I/O PBIO-220 Parallel port, serial ports (2) 8 -bit ISA |
![]() | DIAMOND FLOWER, INC. Serial interface RS-232C ADAPTER Serial ports (2) 8 -bit ISA |
![]() | DIGI INTERNATIONAL, INC. Serial DIGICHANNEL PC/4 Serial ports (4) 8-bit ISA |
![]() | DIGI INTERNATIONAL, INC. Serial DIGICHANNEL PC/8 Serial ports (8) 8-bit ISA |
![]() | DIGI INTERNATIONAL, INC. Serial PC/16 Serial ports (16) 8-bit ISA |
![]() | DIGI INTERNATIONAL, INC. Serial card PC/4 Serial ports (4 RS-232) 8-bit ISA |
![]() | DIGI INTERNATIONAL, INC. Serial card PC/8 Serial ports (8 RS-232) 8-bit ISA |
![]() | DIGITAL COMMUNICATION ASSOCIATES, INC. I/O controller INTELLIGENT SYNCHRONOUS COMMUNICATIONS ADAPTER Serial port 8 -bit ISA |
![]() | DIGITAL COMMUNICATION ASSOCIATES, INC. Serial controller SYNCHRONOUS COMMUNICATIONS ADAPTER Serial port 8 -bit ISA |
![]() | DIGITAL COMMUNICATIONS ASSOCIATES, INC. Serial Controller IRMA 2-ISA 8 -bit ISA |
![]() | DTK COMPUTER, INC. Floppy drive controller MINI/MICRO-4 FDC, PII-158B Floppy drive interface (2) 8 -bit ISA |
![]() | DTK COMPUTER, INC. Multi I/O card COURIER 5 Game port, parallel port, serial ports (2) 8 -bit ISA |
![]() | DTK COMPUTER, INC. Multi I/O card COURIER 5 Game port, parallel port, serial ports (2) 8 -bit ISA |
![]() | DTK COMPUTER, INC. Multi I/O card COURIER 6 HEXA I/O CARD floppy drive interface, game port, parallel port, serial ports (2) 8-bit ISA |
![]() | DTK COMPUTER, INC. Multi I/O card MINI 286 COURIER I/O CARD Parallel port, serial ports (2) 8 -bit ISA |
![]() | DTK COMPUTER, INC. Floppy drive controller MINI MICRO FDC PII-151B Floppy drive interface 8 -bit ISA |
![]() | DTK COMPUTER, INC. I/O MINI/MICRO FDC 8 -bit ISA |
![]() | DTK COMPUTER, INC. Multi-I/O card MULTI I/O Game port, parallel port 8-bit ISA |
![]() | DTK COMPUTER, INC. Dual I/O card PII-108 RS-232 DUAL I/O CARD Serial ports (2) 8 -bit ISA |
![]() | DTK COMPUTER, INC. Parallel card PII-109 Parallel port 8 -bit ISA |
![]() | DTK COMPUTER, INC. Parallel card, Serial card PII-131 ‘286 PRINTER/RS-232 CARD parallel port, serial port 8-bit ISA |
![]() | DTK COMPUTER, INC. Multi-I/O PII-144 Game port, parallel port, serial ports (2) 8 -bit ISA |
![]() | DTK COMPUTER, INC. Multi I/O card PII-147 HEXA I/O PLUS Floppy drive interface, game port, parallel port, serial ports (2) 8 -bit ISA |
![]() | DTK COMPUTER, INC. Floppy drive controller PII-151 Floppy drive interface 8 -bit ISA |
![]() | DTK COMPUTER, INC. Floppy drive controller PII-151B Floppy drive interface 8 -bit ISA |
![]() | DTK COMPUTER, INC. Multi I/O card PTI-201 286 I/O Game port, parallel port, serial ports (2) 8 -bit ISA |
![]() | DTK COMPUTER, INC. Multi I/O card PTI-209 Game, parallel port, serial ports (2) 8 -bit ISA |
![]() | DTK COMPUTER, INC. Serial card PTI-210 Parallel port, serial port (2) 8 -bit ISA |
![]() | DTK COMPUTER, INC. Serial card PTI-207 AT RS-232 4 PORT serial ports (4) Unidentified |
![]() | DTK COMPUTER, INC. Serial card RS-232 DUAL I/O SHORT CARD Serial ports (2) 8-bit ISA |
![]() | EICON TECHNOLOGY CORPORATION Serial X.25 EICONCARD/PC 1MB Serial port 8-bit ISA |
![]() | EMULEX CORPORATION Multi-I/O TIME-SPECTRUM MULTIFUNCTION BOARD Clock/calendar, parallel port, serial port 8-bit ISA |
![]() | EVEREX SYSTEMS, INC. Multi-I/O card FONTVIEW (EV-233A) Serial port, Parallel port 8-bit ISA |
![]() | EVEREX SYSTEMS, INC. Multi I/O MAGIC I/O EV-170/170A Parallel port, serial ports (2) 8 -bit ISA |
![]() | EVEREX SYSTEMS, INC. Multi-I/O MAGIC I/O EV-170B VER. 4.0 Game port, Parallel port, Serial ports (3) 8 -bit ISA |
![]() | EVEREX SYSTEMS, INC. Multi-I/O card MAGIC I/O EV170D (VER. 1.0) Game port, parallel port, serial ports (2) 8-bit ISA |
![]() | EXABYTE CORPORATION Tape drive controller EXABYTE 2 MBIT ACCELERATOR CARD 8-bit ISA |
![]() | FOUNTAIN TECHNOLOGIES, INC. Multi I/O MFT-384 Game/MIDI port, memory, parallel port, serial port 8 -bit ISA |
![]() | FRANKLIN TELECOMMUNICATIONS CORPORATION X.25 serial ICP188C Serial ports (4) 8-bit ISA |
![]() | FRANKLIN TELECOMMUNICATIONS CORPORATION X.25 serial ICP188X Serial ports (4) 8-bit ISA |
![]() | GENOA SYSTEMS CORPORATION Tape Controller GALAXY 3100QIC-02 TAPE CONTROLLER 8-bit ISA |
![]() | GOLDSTAR ELECTRONICS INTERNATIONAL, INC. Multi I/O card GW451C Game port, parallel port, serial ports (2) 8 -bit ISA |
![]() | GSI, INC. Floppy drive/Tape controller MODEL 12 Floppy drive interface (2) 8-bit ISA |
![]() | GTEK, INC. Serial card PCSS-8FA Serial ports (8 RJ-45) 8-bit ISA |
![]() | IDE ASSOCIATES INC. Multi-I/O IDEAMAX 384 Game port, parallel port, serial port (2 RS-232) 8-bit ISA |
![]() | INDUSTRIAL COMPUTER SOURCE Parallel card 16ISO Parallel ports (2) 8-bit ISA |
![]() | INDUSTRIAL COMPUTER SOURCE Serial card 3085-ATT Serial ports (2) 8-bit ISA |
![]() | INDUSTRIAL COMPUTER SOURCE Relay Output Adapter 32REL-B Serial port 8-bit ISA |
![]() | INDUSTRIAL COMPUTER SOURCE Analog to digital converter AD12-8 parallel port 8-bit ISA |
![]() | INDUSTRIAL COMPUTER SOURCE Analog to digital timing converter AIO8-P parallel port 8-bit ISA |
![]() | INDUSTRIAL COMPUTER SOURCE Analog to digital converter AOB2-P parallel port 8-bit ISA |
![]() | INDUSTRIAL COMPUTER SOURCE Analog to digital timing converter, Digital I/O card AOB6-P Serial port 8-bit ISA |
![]() | INDUSTRIAL COMPUTER SOURCE Parallel card DIO16 Parallel ports (4) 8-bit ISA |
![]() | INDUSTRIAL COMPUTER SOURCE Parallel card 16REL parallel ports (2) 8-bit ISA |
![]() | INDUSTRIAL COMPUTER SOURCE Parallel card 16REL-L serial port 8-bit ISA |
![]() | INDUSTRIAL COMPUTER SOURCE Analog to digital timing converter, Digital I/O card ML8-P 37-pin serial port 8-bit ISA |
![]() | INDUSTRIAL COMPUTER SOURCE Analog to digital timing converter, Digital I/O card AIO8G-P parallel port 8-bit ISA |
![]() | INFOCHIP Data compression card EXPANZ! CARD 8-bit ISA |
![]() | INTEL CORPORATION Multi-I/O card ABOVE BOARD PS Parallel port, serial port 8-bit ISA |
![]() | IOMEGA CORPORATION Bernoulli drive controller BERNOULLI 44 CONTROLLER BOARD SCSI connector 8-bit ISA |
![]() | IOTECH, INC. IEEE 488 PERSONAL488 IEEE 488 bus 8-bit ISA |
![]() | IRWIN Tape drive controller 400S, 499 8-bit ISA |
![]() | IRWIN Tape drive controller 4100C 8-bit ISA |
![]() | IRWIN Tape drive controller 4100M 8-bit ISA |
![]() | IRWIN Tape drive controller SC402 8-bit ISA |
![]() | IRWIN Tape drive controller SC499-2 8-bit ISA |
![]() | IRWIN Tape drive controller SC499R 8-bit ISA |
![]() | IRWIN MAGNETIC SYSTEMS, INC. Tape drive controller 4100 Tape drive interfaces (2) 8-bit ISA |
![]() | J & J TECHNOLOGY, INC. PCMCIA interface JJ.612, JJ.612-1 PCMCIA Type II slot (JJ.612-1) 8-bit ISA |
![]() | JAMECO ELECTRONIC COMPONENTS Tape controller card E3080PK Proprietary tape interface 8-bit ISA |
![]() | JAMECO ELECTRONIC COMPONENTS Multi-I/O card JE1068 game port, parallel port, serial ports (2 8-bit ISA |
![]() | JAMECO ELECTRONIC COMPONENTS Multi I/O card JE1078 Game port, memory, parallel port, serial port 8 -bit ISA |
![]() | JATON CORPORATION Multi I/O JA-IO/PII Game, serial ports (2), parallel port 8 -bit ISA |
![]() | JATON CORPORATION Multi-I/O card MCG6618 V3 Floppy drive interface, game port, light pen, mouse connector, parallel port, serial port (2), VGA port 8-bit ISA |
![]() | JATON CORPORATION Multi-I/O card MCG6618 V6 Floppy drive interface, game port, light pen, mouse connector, parallel port, serial port (2), VGA port 8-bit ISA |
![]() | JPN CORPORATION Multi-I/O CA8262 Game port, parallel port, serial ports (2) 8 -bit ISA |
![]() | JUKO LABORATORIES, LTD. Multi-I/O M16-X Parallel port (1), Serial port (2), Game port (1), Floppy Drive interface (1) 8 -bit ISA |